文档详情

常见介质特性及救援措施综述

最****
实名认证
店铺
DOC
349.50KB
约31页
文档ID:115385345
常见介质特性及救援措施综述_第1页
1/31

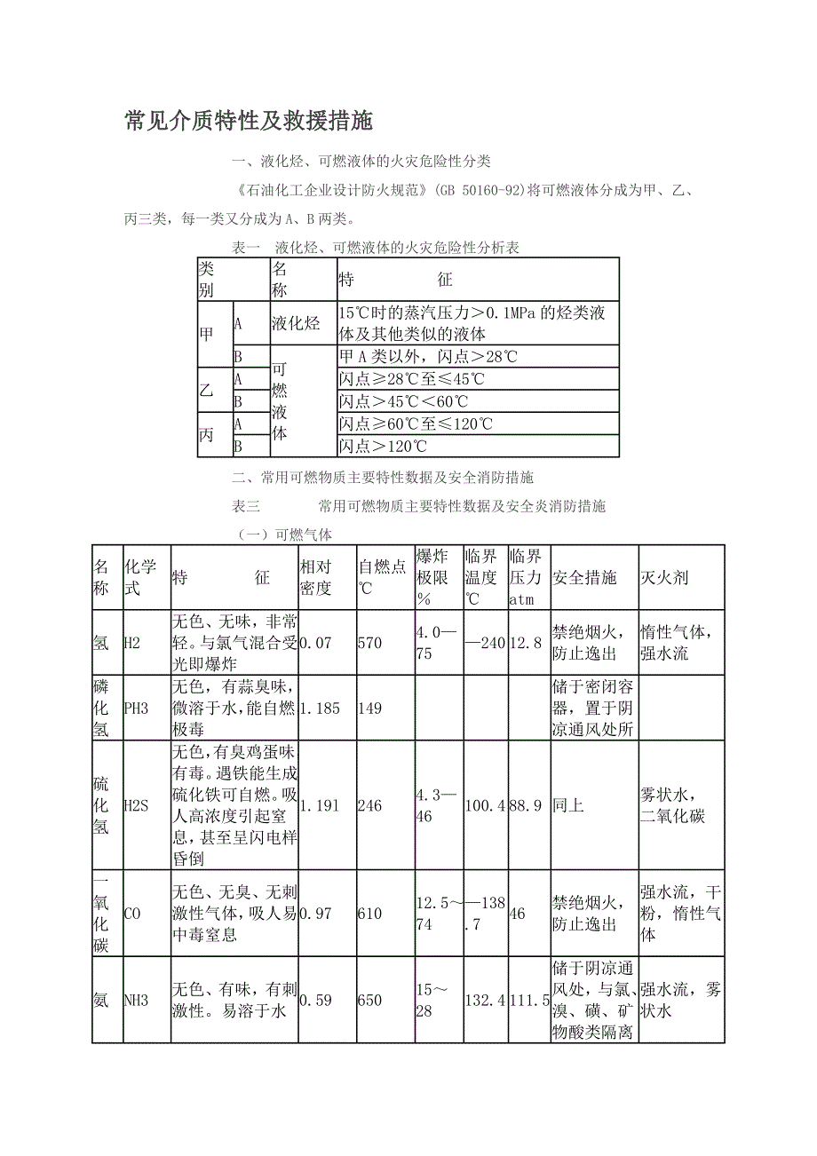
常见介质特性及救援措施        一、液化烃、可燃液体的火灾危险性分类        《石油化工企业设计防火规范》(GB 50160-92)将可燃液体分成为甲、乙、丙三类,每一类又分成为A、B两类        表一 液化烃、可燃液体的火灾危险性分析表类   别名   称特     征甲A液化烃15℃时的蒸汽压力>0.1MPa的烃类液体及其他类似的液体B可燃液体甲A类以外,闪点>28℃乙A闪点≥28℃至≤45℃B闪点>45℃<60℃丙A闪点≥60℃至≤120℃B闪点>120℃        二、常用可燃物质主要特性数据及安全消防措施        表三    常用可燃物质主要特性数据及安全炎消防措施        (一)可燃气体名称化学式特    征相对密度自燃点℃爆炸极限%临界温度℃临界压力atm安全措施灭火剂氢H2无色、无味,非常轻与氯气混合受光即爆炸0.075704.0—75—24012.8禁绝烟火,防止逸出惰性气体,强水流磷化氢PH3无色,有蒜臭味,微溶于水,能自燃,极毒1.185149   储于密闭容器,置于阴凉通风处所 硫化氢H2S无色,有臭鸡蛋味,有毒遇铁能生成硫化铁可自燃。

吸人高浓度引起窒息,甚至呈闪电样昏倒1.19l2464.3—46100.488.9同上雾状水,二氧化碳一氧化碳CO无色、无臭、无刺激性气体,吸人易中毒窒息0.9761012.5~74—138.746禁绝烟火,防止逸出强水流,干粉,惰性气体氨NH3无色、有味,有刺激性易溶于水0.5965015~28132.4111.5储于阴凉通风处,与氯、溴、磺、矿物酸类隔离强水流,雾状水甲烷CH4无色,无味与氟化氢混合能自燃;与氯混合遇日光能爆炸0.555374.9~15一82.545.8禁绝烟火,防止逸出雾状水,强水流,干粉,二氧化碳乙烷C2H6无色、无臭1.044723.22~12.4532.348.2丙烷C3H8无色、无臭1.564462.1—9.596.842同上 丁烷C4Hl0无色2.074301.5~8.5152.836禁绝烟火,密闭容器.储于阴凉通风专设库房,与氧化剂隔离乙烯C2H4无色、有特殊甜味和臭味,与氯气受日光作用能爆炸0.975402.75~349.650.7禁绝烟火,防止曝晒和气体逸出 丙烯C3H6无色1.454102~1192.345 丁烯C4H8无色,遇酸、强氧化剂(如高锰酸钾)能爆炸1.933841.6~9.4  禁绝烟火,防止气体逸出强水流,干粉,惰性气体丁二烯C4H6无色、无臭、有麻醉性。

在高温作用下起猛烈聚合而爆炸1.884202.5~11.5  氯乙烯C2H3CI无色,似氯仿香味,味甜,有麻醉性2.17 4~22156.555.2禁绝烟火,防止气体逸出强水流,干粉,惰性气体乙炔C2H2无色,一般有臭味在2atm、450℃时聚合而爆炸与氯气混合受光即爆炸与铜、银、汞等形成爆炸性化合物0.913352.5~823662氯甲烷CH3CI无色、有麻醉性,易液化1.746328.2~19.714366.43禁绝烟火 氯乙烷C2H5CI无色,稍溶于水燃烧时发绿色火焰,还会形成光气易液化2.2l4943.8~15.4187.252环氧乙烷CH2-CH2\ /O无色,有醚香味,溶于水1.54293~78  石油气 无色,有特殊臭味成分复杂,主要有乙烷、丙烷、乙烯、丙烯等,有毒性、麻醉性,经液化得液化石油气>空气     与空气能形成爆炸性混合气体  禁绝烟火,防止曝晒和气体逸出 天然气 无色,有味主要成分是甲烷及其它碳氢化合物<空气570~   7501.1~16   水煤气 无色,有毒主要成分为一氧化碳及氢<空气550~6006.9~69.5  禁绝烟火,防止曝晒和气体逸出 发生炉煤气 无色,有毒。

主要成分为一氧化碳、氢、甲烷、二氧化碳等<空气70020.7~73.7   煤气 无色,有毒有特殊臭味主要成分为一氧化碳、甲烷、氢<空气610与空气能形成爆炸性混合气体   焦炉气 无色,有毒主要成分为一氧化碳、氢、甲烷等<空气6405.6~30.4  禁绝烟火,防止气体逸出强水流, 干粉,惰性气体甲胺CH3NH2无色,有鱼腥味,可溶于水易燃烧,在一10℃时能闪燃1.0430℃(40%浓度)5~21%(在空气中)  禁绝烟火        注:1atm=1.0138×103Pa         (二) 易燃与可燃性液体名 称化学式特    征相对密度沸 点℃闪 点%自然点℃爆炸极限%(或℃)安全措施灭火剂汽油C5H12一C12H26无色、有石油臭、易挥发0.67~0.7150~150-58~10225~5300.76~6.9防止日晒、受热,严禁烟火,密闭容器,储于阴凉通风处,专设库房雾状水,泡沫灭火剂,干粉,石棉毯启动用航空汽油 同 上 50~60—58  同 上 航空汽油 同 上 70~80—45 (-45~-7)同 上 车用汽油   80~115—24 (-24~-4)同 上 拖拉机用汽油   100~150+5~+10  防止日晒、受热,严禁烟火,密闭容器,储于阴凉通风处,专设库房 洗涤用轻汽油 淡黄色、有毒,空气中最高容许浓度300mg/m3 40~200—21 1.1~5.4同 上 石油醚C5Hl2和C6H14的混合物有煤油臭,易挥发,蒸汽有麻醉性0.6040~70<一20246~2721.4~6.0同 上泡沫,干粉,二氧化碳,砂土煤油 淡黄色或微青色,透明0.83150~30028~45223~2901.4~7.5(28~86)同 上泡沫,砂土,四氯化碳,二氧化碳溶剂油 黄色、易挥发0.795165~20033~42233 同 上同上松节油 无色或淡黄色,有特殊香味0.85~0.88153~18033.52240.8~62(33.5~53)同 上泡沫,干粉,二氧化碳柴油C17~C23 0.8~0.87280~36550~90350~3801.5~4.5储于阴凉通风处,专设库房,禁绝烟火,防止受热,日晒泡沫,干粉,雾状水,四氯化碳,1211工业润滑油C12~C30 0.897~0.917 158~200280~380 压缩机油C18~C30 0.89 218~240300~380 储于阴凉通风处,专设库房,禁绝烟火,防止受热,日晒泡沫,干粉,雾状水,四氯化碳,1211变压器油C18~C30 0.877 147300 二硫化碳CS2 无色或淡黄色液体,纯有芳香味,有恶臭1.2646—451121.25~50(-45~26)同上,储于水下雾状水,泡沫,砂土,二氧化碳乙醚C2H5OC2H5无色透明,易挥发,有强烈麻醉性,稍溶于水,醚类能生成爆炸性过氧化物,与氯酸或氯作用发生爆炸0.71435—43169~1801.35~40(-45~13)防止受热日晒,禁绝烟火。

密闭容器,储于阴凉通风处,专设库房,与氧化剂隔离二氧化碳,泡沫,干粉二乙胺(C2H5)2NH无色,易挥发,易燃液体,有尿臭,溶于水0.7150.2~59.9—263151.8~10.1同 上二氧化碳,干粉丙酮(CH3)2CO无色透明,有芳香味,溶于水能发生卤代、加成、缩合等反应0.79256.5—205752.0~13.0(-20~6)盛于密闭容器,储于阴凉、通风专设库房禁绝烟火泡沫,二氧化碳,干粉,石棉毯氢氰酸(氰化氢)HCN无色剧毒0.6926—17.55385.6~40.0(-17.5~3)盛于密闭容器,储于阴凉通风处二氧化碳,四氯化碳,干粉,砂乙醛CH3CHO无色,有强烈的刺激臭味,溶于水0.78320.2—401854.0~57盛于密闭容器内,储于阴凉通风专设库房,与氧化剂隔离雾状水,泡沫,二氧化碳,干粉苯C6H6无色,有芳香气味,易挥发,易燃液体,有毒0.8880.2—145741.5~9.5(-14~19)同上,并禁绝烟火泡沫,二氧化碳,四氯化碳,干粉甲乙酮CH3COC2H5无色,芳香,极易挥发溶于水0.80579.6—1.54752.3~12同 上泡沫,二氯化碳,干粉,砂丙烯腈CH2=CHCN无色,发烟,微有臭味,稍溶于水。

性极毒0.8077.3~77.4—3.54803.0~17同 上同 上甲苯C6H5CH3无色,有苯的芳香味有毒0.866110.65.55761.2—7.0(5.5~31)容器密封,储于阴凉通风专设库房,禁绝烟火,与氧化剂隔离储存同 上二甲苯C6H4(CH3)2无色透明,有似甲苯的气味0.868136~145245313.0~7.6(24—50)同 上干粉,泡沫,二氧化碳乙苯C6H5C2H5无色0.86713623.54480.9~3.9(23.5-45)同 上同 上氯苯C6H5CI无色,有苦杏仁味1.10713228.54752.2~10(28.5~58)同 上同 上甲醇CH3OH无色透明,易挥发,有酒味有毒0.79164.774555.5~36.5(7~39)同 上同 上乙醇C2H5OH无色透明,易挥发,有酒香味,溶于水.与浓硝酸,氧化剂(铬酸酐)接触能自燃0.789。

下载提示
相似文档
正为您匹配相似的精品文档
相关文档