文档详情

2025年二建考点飞花令《水利》

J****6
实名认证
店铺
PDF
1.45MB
约31页
文档ID:617099138
2025年二建考点飞花令《水利》_第1页
1/31

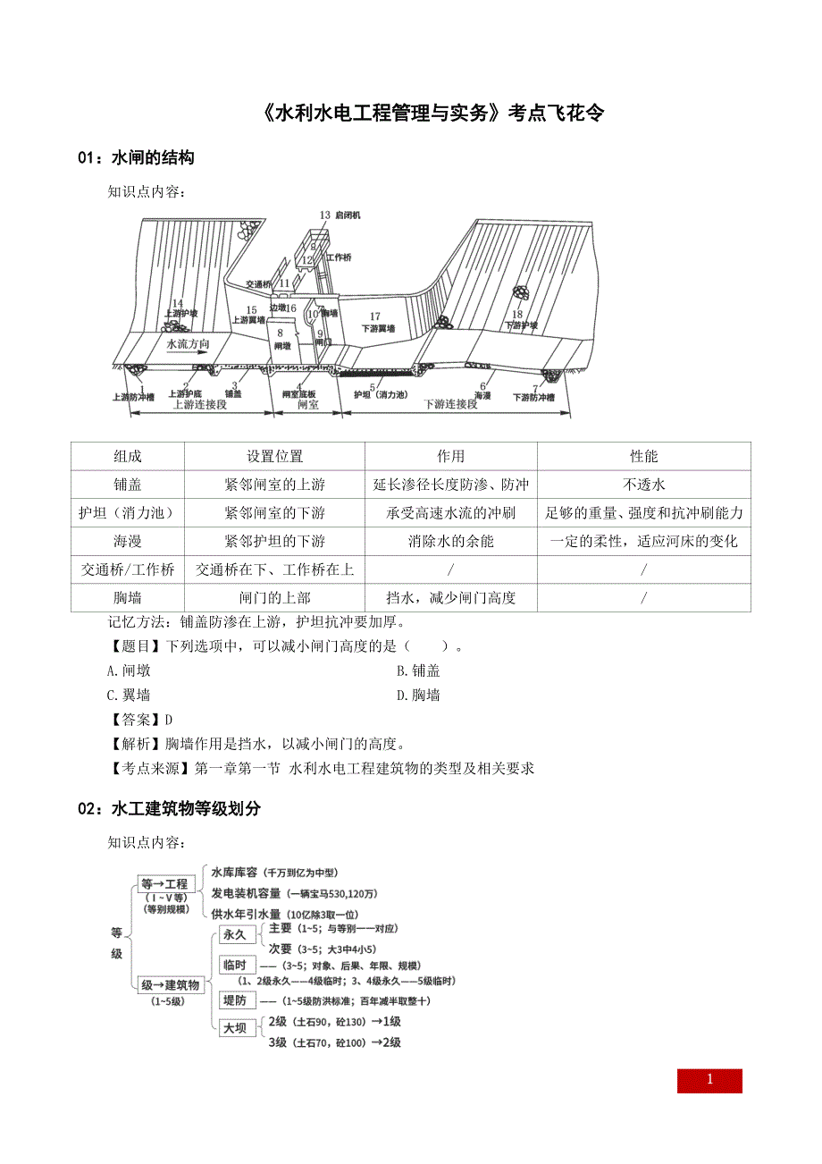
1 1水利水电工程管理与实务考点飞花令水利水电工程管理与实务考点飞花令01:水闸的结构01:水闸的结构知识点内容:组成设置位置作用性能铺盖紧邻闸室的上游延长渗径长度防渗、防冲不透水护坦(消力池)紧邻闸室的下游承受高速水流的冲刷足够的重量、强度和抗冲刷能力海漫紧邻护坦的下游消除水的余能一定的柔性,适应河床的变化交通桥/工作桥交通桥在下、工作桥在上/胸墙闸门的上部挡水,减少闸门高度/记忆方法:铺盖防渗在上游,护坦抗冲要加厚题目】下列选项中,可以减小闸门高度的是()A.闸墩B.铺盖C.翼墙D.胸墙【答案】D【解析】胸墙作用是挡水,以减小闸门的高度考点来源】第一章第一节 水利水电工程建筑物的类型及相关要求02:水工建筑物等级划分02:水工建筑物等级划分知识点内容:2 2当各项任务指标对应的等别不同,其整个工程等别应按其中最高的等别确定就高”原则)记忆方法:库容:千万到亿为中型,向上向下乘除十;发电装机容量:1 辆宝马 530 价值 120 万;年引水量:10 亿除 3 取一位题目】下列关于大坝提级说法中,正确的是()A.坝高达到 95m 的 3 级土石坝可以提升为 1 级B.坝高达到 75m 的 3 级土石坝可以提升为 2 级C.坝高达到 105m 的 3 级混凝土坝可以提升为 2 级D.坝高达到 135m 的 3 级混凝土坝可以提升为 1 级E.最大坝高超过 200m 的大坝级别为 1 级【答案】BCE【解析】2 级、3 级的永久性水工建筑物,如坝高超过表内指标,其级别可提高一级,但洪水标准可不提高。

级别坝型坝高(m)2土石坝90混凝土坝、浆砌石坝1303土石坝70混凝土坝、浆砌石坝100【考点来源】第一章第一节 水利水电工程建筑物的类型及相关要求03:水库的特征水位03:水库的特征水位知识点内容:水库的特征水位3 3(1)校核洪水位水库遇大坝的校核洪水时在坝前达到的最高水位2)设计洪水位水库遇大坝的设计洪水时在坝前达到的最高水位3)防洪高水位水库遇下游保护对象的设计洪水时在坝前达到的最高水位4)正常蓄水位(正常高水位、设计蓄水位、兴利水位)水库在正常运用的情况下,为满足设计的兴利要求在供水期开始时应蓄到的最高水位5)防洪限制水位(汛前限制水位)水库在汛期允许兴利的上限水位,也是水库汛期防洪运用时的起调水位6)死水位水库在正常运用的情况下,允许消落到的最低水位它在取水口之上并保证取水口有一定的淹没深度记忆方法:校核设计【题目】下列特征水位中为坝前最高水位的是()A.防洪高水位B.警戒水位C.设计洪水位D.校核洪水位【答案】D【解析】【考点来源】第一章第一节 水利水电工程建筑物的类型及相关要求04:基坑降排水04:基坑降排水知识点内容:途径适用条件明排法(渗而不深)不易产生流砂、流土、潜蚀、管涌、淘空、塌陷等现象的黏性土、砂土、碎石土的地层;基坑地下水位超出基坑底面标高不大于 2.0m。

4 4人工降水井点法轻型井点(浅井点)黏土、粉质黏土、粉土的地层;基坑边坡不稳,易产生流土、流砂、管涌等现象;地下水位埋藏小于 6.0m,宜用单级真空点井;当大于 6.0m 时,场地条件有限宜用喷射点井、接力点井;场地条件允许宜用多级点井深井点管井法(渗且深)第四系含水层厚度大于 5.0m;基岩裂隙和岩溶含水层,厚度可小于 5.0m;含水层渗透系数 K 宜大于 1.0m/d记忆方法:稳而不深明排法;边坡不稳井点法;又稳又渗有砂、石,管井降水永不离【题目】背景资料:某泵站工程主要由泵房、进出水建筑物及拦污栅闸等组成,泵房底板底高程为 13.50m,泵房底板靠近出水池侧设高压喷射灌浆防渗墙,启闭机房悬臂梁跨度为 1.5m,交通桥连续梁跨度 8m该工程地面高程 31.00m,基坑采用放坡开挖,施工单位采取了设置合理坡度等防止边坡失稳的措施,泵房基坑开挖示意图见图 1粉砂层渗透系数约为 2.0m/d5 5问题:1.在基坑施工中为防止边坡失稳,保证施工安全,除设置合理坡度外,还可采取的措施有哪些?2.水利工程基坑土方开挖中,人工降低地下水位常用的方式有哪些?本工程泵房基坑人工降低地下水位采用哪种方式较合理?说明理由。

答案】1.采取措施还有:设置边坡护面、基坑支护、降低地下水位考点来源】第一章第二节 水利水电工程勘察与测量2.人工降低地下水位常用的方式有:轻型井点和管井井点本工程泵房基坑人工降低地下水位采用管井法较合理理由:第四系含水层厚度大于 5.0m;粉砂渗透系数较大(含水层渗透系数大于 1.0m/d)考点来源】第一章第二节 水利水电工程勘察与测量05:分期围堰导流05:分期围堰导流知识点内容:一次拦断河床围堰导流总体上划分为分期围堰导流一般适用于下列情况:(1)导流流量大,河床宽,有条件布置纵向围堰;(2)河床中永久建筑物便于布置导流泄水建筑物;(3)河床覆盖层不厚;(4)有通航要求或冰凌严重的河道根据不同时期泄水道的特点,分期围堰导流中又包括束窄河床导流和通过已建或在建的建筑物导流1)束窄河床导流束窄河床导流通常用于分期导流的前期阶段,特别是一期导流其泄水道是被围堰束窄后的河床2)通过建筑物导流通过建筑物导流的主要方式,包括设置在混凝土坝体中的底孔导流、混凝土坝体上预留缺口导流、梳齿孔导流,平原河道上低水头河床式径流电站可采用厂房导流等这种导流方式多用于分期导流的后期阶段记忆方法:河道宽,用分期。

题目】束窄河床导流通常用于分期导流的()A.准备阶段B.前期阶段C.中期阶段D.后期阶段【答案】B【解析】束窄河床导流是通过束窄后的河床泄流,通常用于分期导流的前期阶段,特别是一期导流6 6【考点来源】第二章第一节 施工导流06:一次拦断河床围堰导流06:一次拦断河床围堰导流知识点内容:一次拦断河床围堰导流:又称为全段围堰法导流,是指在河床内距主体工程轴线(如大坝、水闸等)上下游一定的距离,修筑围堰,一次性截断河道,使河道中的水流经河床外修建的临时泄水道或永久泄水建筑物下泄,故又称河床外导流适用于枯水期流量不大且河道狭窄的河流根据施工期挡、泄水建筑物的不同,一次拦断河床围堰导流程序可分为初期、中期和后期导流三个阶段初期导流围堰挡水阶段,水流由导流泄水建筑物下泄中期导流坝体临时挡水阶段,坝体填筑高度超过围堰堰顶高程,洪水由导流泄水建筑物下泄,坝体满足安全度汛条件后期导流坝体挡水阶段导流泄水建筑物下闸封堵,水库开始蓄水,永久泄水建筑物尚未具备设计泄流能力记忆方法:河道狭窄,一次拦断题目】背景资料:某水利工程水库总库容 0.64108m,大坝为碾压混凝土坝,最大坝高 58m在右岸布置一条导流隧洞,采用土石围堰一次拦断河床的导流方案。

问题:1.根据施工期挡、泄水建筑物的不同,一次拦断河床围堰导流程序可分为哪几个阶段?【答案】1.对大坝施工而言,根据施工期挡、泄水建筑物的不同,一次拦断河床围堰导流程序可分为初期、中期和后期导流三个阶段1)初期导流为围堰挡水阶段,水流由导流泄水建筑物下泄2)中期导流为坝体临时挡水阶段,坝体填筑高度超过围堰堰顶高程,洪水由导流泄水建筑物下泄,坝体满足安全度汛条件3)后期导流为坝体挡水阶段导流泄水建筑物下闸封堵,水库开始蓄水,永久泄水建筑物尚未具备设计泄流能力考点来源】第二章第一节 施工导流07:截流方式07:截流方式知识点内容:截流过程包括截流戗堤的进占形成龙口、龙口范围的加固、合龙和闭气等工作截流戗堤一般与围堰结合,因此,截流实际上是修筑横向围堰的一部分抛投块料截流是最常用的截流方法,特别适用于大流量、大落差的河道上的截流采用抛投块料截流,按不同的抛投合龙方法可分为平堵、立堵、混合堵三种1)平堵7 7平堵是先在龙口建造浮桥或栈桥,由自卸汽车或其他运输工具运来抛投料,沿龙口前沿投抛先下小料,随着流速增加,逐渐抛投大块料,使堆筑戗堤均匀地在水下上升,直至高出水面,截断河床特别适用于易冲刷的地基上截流。

2)立堵立堵截流是用自卸汽车或其他运输工具运来抛投料,以端进法抛投(从龙口两端或一端下料)进占戗堤,逐渐束窄龙口,直至全部拦断立堵法截流一般适用于大流量、岩基或覆盖层较薄的岩基河床立堵截流可以进一步划分为单戗立堵截流、双戗立堵截流和多戗立堵截流截流落差不超过 4m 时,宜选择单戗立堵截流截流流量大且落差大于 4m 时,宜选择双戗或多戗立堵截流3)混合堵混合堵是采用立堵与平堵相结合的方法有先平堵后立堵和先立堵后平堵两种用得比较多的是首先从龙口两端下料,保护戗堤头部,同时施工护底工程并抬高龙口底槛高程到一定高度,最后用立堵截断河流记忆方法:架桥平堵,戗堤立堵题目】在龙口建造浮桥,沿龙口前沿抛投块料,使堆筑戗堤均匀上升的截流方法是()A.平堵法B.立堵法C.塞堵法D.盖堵法【答案】A【解析】平堵是先在龙口建造浮桥或栈桥,由自卸汽车或其他运输工具运来抛投料,沿龙口前沿投抛先下小料,随着流速增加,逐渐抛投大块料,使堆筑戗堤均匀地在水下上升,直至高出水面,截断河床特别适用于易冲刷的地基上截流考点来源】第二章第二节 施工截流08:施工险情判断与抢险08:施工险情判断与抢险知识点内容:一、漏洞1)漏洞险情的判别漏洞贯穿堰身,使水流通过孔洞直接流向围堰背水侧,如图所示。

漏洞的出口一般发生在背水侧或堰脚附近8 8漏洞险情示意图2)漏洞险情进水口的探测水面观察潜水探漏投放颜料观察水色08:施工险情判断与抢险3)漏洞险情的抢护方法(1)塞堵法:塞堵漏洞进口是最有效最常用的方法2)盖堵法:当洞口较多且较为集中,逐个堵塞费时且易扩展成大洞3)戗堤法:当堤坝临水坡漏洞口多而小,且范围又较大时,在黏土料备料充足的情况下,可采用抛黏土填筑前戗或临水筑子堤的办法进行抢堵二、管涌1)抢护原则抢护管涌险情的原则是制止涌水带砂,但留有渗水出路1)反滤围井适用于发生在地面的单个管涌或管涌数目虽多但比较集中的情况围井内必须用透水料铺填,切忌用不透水材料2)反滤层压盖在堰内出现大面积管涌或管涌群时,如果料源充足,可釆用反滤层压盖的方法三、漫溢较为常用的方案为在堰顶上加筑子堤,子堰顶高要超出预测的最高洪水位,但子堤也不宜过高记忆方法:漏洞前截后导,管涌反滤导渗题目】当堤坝临水坡漏洞口多而小,且范围较大时可使用()进行抢堵A.塞堵法B.盖堵法C.戗堤法D.压盖法9 9【答案】C【解析】当堤坝临水坡漏洞口多而小,且范围又较大时,在黏土料备料充足的情况下,可采用抛黏土填筑前戗或临水筑子堤的办法进行抢堵。

考点来源】第二章第一节 施工导流09:灌浆分类09:灌浆分类知识点内容:(1)固结灌浆是通过面状布孔灌浆,以改善岩基的力学性能,减少基础的变形和不均匀沉陷,改善工作条件,减少基础开挖深度的一种方法灌浆面积较大、深度较浅、压力较小2)帷幕灌浆是在基础内平行于建筑物的轴线钻一排或几排孔,用压力灌浆法将浆液灌入到岩石的裂隙中去,形成一道防渗帷幕,截断基础渗流,降低基础扬压力的一种方法灌浆深度较深、压力较大记忆方法:面状布孔是固结;排状防渗选帷幕接缝灌浆:同种介质(砼与砼);增强坝体的整体性接触灌浆:两种不同介质之间(基岩与砼)帷幕灌浆:防渗;排状布孔、深度深、压力大三排孔:下上中固结灌浆:提高岩体的整体性;面状布孔、深度浅、压力小【题目】用压力灌浆法将浆液灌入到岩石的裂隙中,在平行于坝轴线方向上钻孔灌浆的方式属于()灌浆A.固结B.帷幕C.接触D.接缝【答案】B【解析】帷幕灌浆是在基础内平行于建筑物的轴线钻一排或几排孔,用压力灌浆法将浆液灌入到岩石的裂隙中去,形成一道防渗帷幕,截断基础渗流,降低基础扬压力的一种方法灌浆深度较深、压力较大考点来源】第三章第二节 地基处理工程10:土料填筑压实参数10:土料填筑压实参数知识点内容:(1)土料填筑压实参数主要包括碾压机具的重量、含水量、碾压遍数及铺土厚度等,振动碾压还应包括振动频率及行走速率等。

2)黏性土料压实含水量。

下载提示
相似文档
正为您匹配相似的精品文档