文档详情

HAHA-02-05井固井设计书

ni****g
实名认证
店铺
DOC
270.50KB
约13页
文档ID:397779116
HAHA-02-05井固井设计书_第1页
1/13

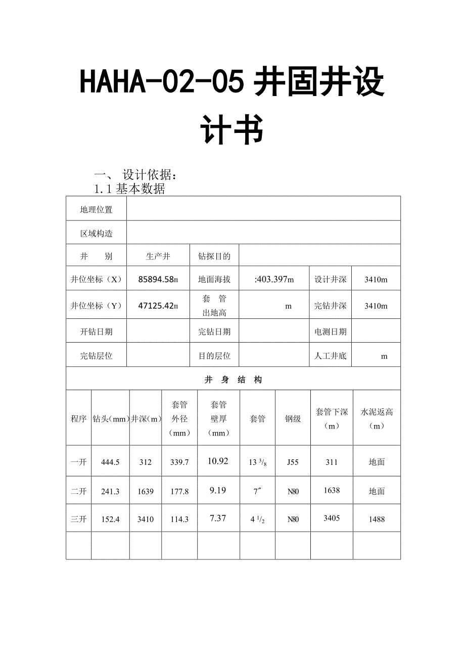
HAHA-02-05井固井设计书一、 设计依据:1.1基本数据地理位置区域构造井 别生产井钻探目的井位坐标(X)85894.58m地面海拔:403.397m设计井深3410m井位坐标(Y)47125.42m套 管出地高 m完钻井深3410m开钻日期完钻日期电测日期完钻层位目的层位人工井底 m井 身 结 构程序钻头(mm)井深(m)套管外径(mm)套管壁厚(mm)套管钢级套管下深(m)水泥返高(m)一开 444.5312339.710.9213 3/8J55311地面二开241.31639177.89.197"N801638地面三开152.43410114.37.374 1/2N8034051488注:1)20”导管也可在井场建设时预埋,用混凝土固牢2)6”井眼完钻深度3410m1.2 井深结构套管设计套管程序井段m套 管 规 范长度m钻井液密度g/cm3尺寸mm钢级壁厚mm扣型最佳上扣扭矩N·m导管0-20508偏梯标准20表层套管11~312339.7J5510.92偏梯标准80703111.10二开套管11~1639177.8N809.19偏梯标准704016281.20-1.35三开套管1488~3405114.3N807.37偏梯标准-19170.951.3套管柱强度校核套管程序井段m重 量抗 挤抗内压抗 拉每米重kg/m段重t累计重t最大载荷MPa安全系数最大载荷MPa安全系数最大载荷kN安全系数一开套管11~31281.1825.2425.243.841.463.485.40247.416.34二开套管11~163938.7363.4463.4416.071.6516.072.21621.24.78三开套管1488~340520.0960.8960.8918.122.3718.122.91377.814.52二、 插入法固井一开表层固井设计表层套管外径 339.7 mm; 表层套管内径 320 mm; 表层套管下深: 311 m1.1固表层设计与技术要求基础数据一开钻头171/2〃(444.5mm)井深312米,泥浆密度1.10g/cm3,下133/8〞(壁厚9.65mm)表层套管,考虑到采用插入法固井,安装插入坐装置其位置应当是±300m。

可以将插入法固井首当考虑的几点作一计算比较: 浮力计算:Ft(KN)根据公式:Ft=9.8×Sw×H×ps×10-6 =9.8×(339.72/2)2×3.14×301×1.85×10-6} =494.41KN2.3.2套管串的重与管内井液的重量之和 Gt(KN)Gt=9.8×{q×H ×10-3 +Sn×H×ps×10-6} =9.8×{81.1×301×10-3+(320/2)2×3.14×301×1.10×10-6} =500.05KN通过计算比较得知,套管串重量小于套管浮力,为了克服因浮力造成表套上举现象,应采取钻井液泥浆加重方法来解决此问题所以必须计算加重泥浆的临界密度值并进行泥浆加重2.3.3根据条件要求Gt﹥Ft,否则加重原泥浆密度pm﹤pmin临界密度pmin=(Sw×ps -q×103)/Sn ={(339.72/2)2×3.14×1.85-81.1×103 }/(320/2)2×3.14 =(167603.7-81100)/80384 =1.076 g/cm3通过计算,临界钻井液密度等于1.08 g/cm3,实际钻井液密度1.10 g/cm3,但实际操作中为了安全多附加0.1~0.2个点,应当将泥浆密度提高到1.28 g/cm3。

2.3.4钻柱坐封压力的计算:插入法固井内管(钻柱)和浮箍的连接是通过插入接头和浮箍插坐,用插入的方法连接的若不在密封球面上与承压锥面之间,施加一定的压力,在施工中就会在泵压的作用下生产钻具“回缩”,使密封球面与承压锥面脱离,而失去密封作用,达不到固井要求,水泥浆倒流影响到固井预返高度,达不到固井要求因此,在设计中要进行坐封压力计算根据生产厂商已给的额定承压能力133/8〞的浮箍锥面承压额为5~6KN,那么我们所使用5〃钻杆的重量在泥浆中其重量为多少?5〃钻杆内径为108.6mm其平均重为29.1kg/m9.8×301×29.1kg/m=85.84KN在水泥浆中(1-1.85/7.8)×85.84=65.49KN按钻具自重是达到了所用重量,但是整体钻具是在套管中全部不在提拉的状态下有些重量,并且钻具是产生了弯曲的,钻具的弯曲,不利于插头与插锥面的密封,所以,有条件时用加重钻杆,无条件时用打钻所立的钻铤来给以插入坐施压若考虑到7〃(177.8mm)钻铤,其内径若为71.44mm时,q=163.2kg/m要求钻具垂直中和点下移时,大约要下入3个立柱的钻铤,但必须组合好配合接头2.3.5插入法固井的施工要点还要做到:①井眼要直;把井眼打直500米井段最大井斜不超过0.5°,为保证套管顺利下入要求泥浆开钻。

②计算最大充许掏空深度;按双轴应力计算套管最大允许掏空深度,认真执行满泥浆措施③控制套管下放速度;套管下放速度应通过计算,原则上是管外泥浆返速和扩眼时返速保持一致,以防压漏地层,导致井壁坍塌④洗井时泥浆排量要适当;套管下到设计井深,洗井泥浆排量应使返速和钻进、扩眼时返速保持一致⑤坐封要平稳;坐封密封插入接头时要平稳,一次压到设计压力,不可上下多次反复,以免“O”型盘根受损坏,密封插头下井前要涂抹黄油⑥检查密封效果;在注水泥与替浆过程中,要专人观察井口有无泥浆,从钻杆与套管环空中外溢若大量外漏,说明密封失效,应立即采取紧急措施,防止水泥浆在套管内凝固造成事故⑦泵压要平稳;施工过程中承压由低至高,要平稳防止钻杆上下跳动,并保证连续施工,替泥浆时要注意泵压变化情况⑧密封要可靠;带回压凡尔的密封短节是按严格的比例用水泥砂浆预制的,有效长度不小于1米,密封套要求垂直、居中、偏差不大于2毫米,刚性扶正器在套管内径向活动范围为16~20mm为宜,回压凡尔一定要可靠三、完井基本数据及下套管要求b.完钻井深 3410 m; 油层顶界位置: 1550 m ;油层底界位置: 1700 m c.设计套管下深 3405 m;设计阻位 3395 m  设计短套管位置:① 1530-1535 ② 套管串结构:浮鞋+套管1根(10m左右)+浮箍+套管串+联顶节。

短套管位置按地质要求加放)d.短套管随套供应①浮箍、浮鞋一套;②弹性弧式扶正器 40 只;③环形钢板1付;④大小盖帽各 1 个;⑤套管胶塞 1 只;⑥短套管3只;⑦联顶节1只;⑧套管循环接头 1 只e.钻井情况:(根据实际钻井情况)①.完钻时间:2014年 月 日 完钻泥浆性能:比重 1.03-1.35 粘度 切力 ②.通井时间: 下套管时间:2014年 月 日            ③.漏失情况说明: ④.其它情况说明: 3.1固井施工设计:a.薄弱层位的承压能力(漏失当量密度)及固井设计该层位底界压力当量密度列表:层  位第四系侏罗系底界井深:m承压能力当量密度g/cm3b.水泥浆体系及性能设计封固井段(m)水泥浆体系密度g/cm3稠化时间强度MPa析水%失水ml温度℃压力Mpa时间min24h48h一开 11-311高密度1.8545251202427.30.8小于50二开 311-1639高密度1.8545251502427.30.8小于50三开 1488-3410高密度1.85603515024280.4小于50c、水泥用量设计及外加剂配方井 段 (m)段 长(m)井 径(cm)环 容(L/m)分段容积(L)附加量%总容积(L)分 段自至纯水泥11312301511.2114.6734515.6153969331116391328277.540.5253811.51561883148834101922175.313.8726658.14527991膨胀剂隆失水剂G401加1-2%G33S 加量2%高密度水泥累计容积水泥量(吨)附加量15%附加15%34515.650.858.553811.568.979.3吨附加5%26658.1434.1835.88吨d外加剂井段(m)段长(m)水泥量t使用量kg一开封固段 11-31230158.81降失水剂G33S加量2%11762膨胀剂G4019加量2%11762早强剂G204加量2.5%1470(根据情况而定)3减阻剂USZ加量0.6%352.84冲洗液WH-1(先释后比)2-50% 按70m井段配制128.25井段(m)段长(m)水泥量t使用量kg二开封固段 311-1639132879.31降失水剂G33S加量2%15862膨胀剂G4019加量2%15862早强剂G204加量2.5%1982.5(根据情况而定)3减阻剂USZ加量0.6%475.84冲洗液WH-1(先释后比)2-50% 按180m井段配制128.25(升或公斤)用5.5桶)井段(m)段长(m)水泥量t使用。

下载提示
相似文档
正为您匹配相似的精品文档
相关文档