文档详情

过流保护电路原理过流保护电路图

橙**
实名认证
店铺
PDF
1.22MB
约12页
文档ID:333307475
过流保护电路原理过流保护电路图_第1页
1/12

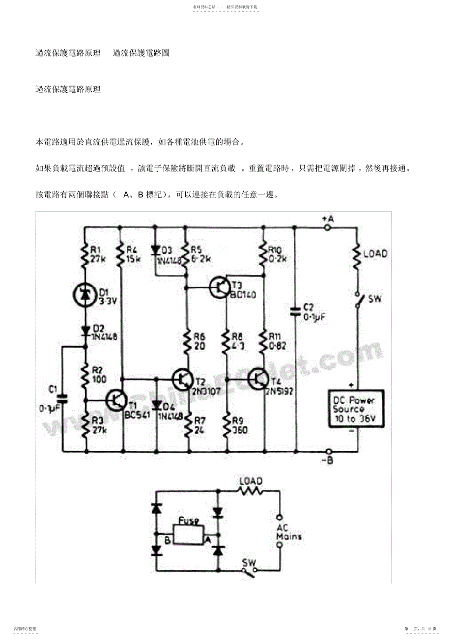
過流保護電路原理過流保護電路圖過流保護電路原理本電路適用於直流供電過流保護,如各種電池供電的場合如果負載電流超過預設值,該電子保險將斷開直流負載重置電路時,只需把電源關掉,然後再接通該電路有兩個聯接點(A、B 標記),可以連接在負載的任意一邊名师资料总结-精品资料欢迎下载-名师精心整理-第 1 页,共 12 页 -負載電流流過三極管T4、電阻 R10 和 R11A、B 端的電壓與負載電流成正比,大多數的電壓分配在電阻上當電源剛剛接通時,全部電源電壓加在保險上三極管T2 由 R4 的電流導通,其集電極的電流值由下式確定:VD4VR70.6因為 D4 上的電壓(VD4)和 R7 上的電壓(VR7)是恒定的,所以 T2 的集電極電流也是恒定該三極管提供穩定的基極電流給T3,因而使其導通,接著又提供穩定的基極電流給 T4保險導電,負載有電流流過當電源剛接通時,電容器C1 提供一段延時,從而避免 T1 導電和保持 T2 斷開保險上的電壓(VAB)通 常小於 2V,具體值取決於負載電流當負載電流增大時,該電壓升高,並且在二極體 D4 導通時,達到分流部分T2 的基極電流,T2 的集電極電流因而受到限制。

由此,保險上的電壓進一步增大,直到大約4.5V,齊納二極體 D1 擊穿,使 T1 導通,T2 便截止,這使得 T3和 T4 也截止,此時保險上的電壓增大,並且產生正回饋,使這些三極管保持截止狀態C1 的作用是給出一段短時延遲,以便保險可以控制短時超載,如象白熾燈的開關電流,或直流電機的啟 動電流因此,改變C1 的值可以改變延遲時間的長短該電路的電壓範圍是1036V 的直流電,延遲時間大約 0.1 秒對於電路中給出的元件值,負載電流限制為 1A通過改變元件值,負載電流可以達到 10mA40A選擇合適額定值的元件,電路的工作電壓可以達到6500V通過利用一個整流電橋(如下面的電源電路),該保險也可以用於交流電路電容器C2 提供保險端的暫態電壓保護二極體D2 避免當保險上的電壓很低時,C1 經過負載放電名师资料总结-精品资料欢迎下载-名师精心整理-第 2 页,共 12 页 -過流保護電路圖帶自鎖的過流保護電路1.第一個部分是電阻取樣.負載和 R1 串聯.大家都知道.串聯的電流相等.R2 上的電壓隨著負載的電流變化而變化.電流大,R2 兩端電壓也高.R3 D1 組成運放保護電路.防止過高的電壓進入運放導致運放損壞.C1 是防止干擾用的.2.第二部分是一個大家相當熟悉的同相放大器.由於前級的電阻取樣的信號很小.所以得要用放大電路放大.才能用.放大倍數由 VR1 R4 決定.3.第三部分是一個比較器電路.放大器把取樣的信號放大.然後經過這級比較.從而去控制後級的動作.是否切斷電源或別的操作.比較器是開路輸出.所以要加上上位電阻.不然無法輸出高電平.4.第四部分是一個驅動繼電器的電路.這個電路和一般所不同的是.這個是一個自鎖電路.一段保護信號過來後.這個電路就會一直工作.直到斷掉電源再開機.這個自鎖電路結構和單向可控矽差不多.名师资料总结-精品资料欢迎下载-名师精心整理-第 3 页,共 12 页 -過流保護電路過流保護用 PTC 熱敏電阻通過其阻值突變限制整個線路中的消耗來減少殘餘電流值。

可取代傳統的保險絲,廣泛用於馬達、變壓器、開關電源、電子線路等的過流過熱保護,傳統的保險絲在線路熔斷後無法自行恢復,而過流保護用 PTC 熱敏電阻在故障撤除後即可恢復到預保護狀態,當再次出現故障時又可以實現其過流過熱保護功能過流保護電路圖過流保護元件名师资料总结-精品资料欢迎下载-名师精心整理-第 4 页,共 12 页 -通用線路過流保護用PTC 熱敏電阻型號額定電阻值R25()25%不動作電流Int(mA)動作電流25 It(mA)最大工作電壓Vmax(A)最大電流Imax(A)居裡溫度Tc()外形尺寸(mm)25 60 Dmax Tmax dMZ11-20P3R7H265 3.7 530 430 1050 265 4.3 120(P)22.0 5.0 0.6 MZ11-16P6R0H265 6.0 390 300 780 265 3.1 17.5 5.0 0.6 MZ11-16P7R0H265 7.0 350 280 700 265 3.1 17.5 5.0 0.6 MZ11-13P10RH265 10 260 200 520 265 1.8 14.0 5.0 0.6 MZ11-13P12RH265 12 225 180 450 265 1.8 14.0 5.0 0.6 MZ11-12P10RH265 10 250 200 500 265 1.8 13.5 5.0 0.6 MZ11-10P15RH265 15 180 140 350 265 1.2 11.0 5.0 0.6 MZ11-10P39RH265 39 130 100 250 265 1.2 11.0 5.0 0.6 MZ11-08P15RH265 15 150 120 300 265 0.8 9.0 5.0 0.6 MZ11-08P25RH265 25 130 100 250 265 0.8 9.0 5.0 0.6 MZ11-08P35RH265 35 115 90 225 265 0.8 9.0 5.0 0.6 MZ11-08P45RH265 45 105 80 220 265 0.8 9.0 5.0 0.6 MZ11-08P55RH265 55 90 70 180 265 0.8 9.0 5.0 0.6 MZ11-07P82RH265 82 70 50 140 265 0.6 8.0 5.0 0.6 名师资料总结-精品资料欢迎下载-名师精心整理-第 5 页,共 12 页 -MZ11-07P56RH265 56 90 60 175 265 0.6 8.0 5.0 0.6 MZ11-06P33RH265 33 110 85 220 265 0.4 7.0 5.0 0.6 MZ11-05P70RH265 70 65 50 130 265 0.3 6.5 5.0 0.6 MZ11-05P85RH265 85 60 45 120 265 0.3 6.5 5.0 0.6 MZ11-05P39RH265 39 80 65 160 265 0.2 6.5 5.0 0.6 MZ11-05P121H265 120 45 35 90 265 0.3 6.5 5.0 0.6 MZ11-05P181H265 180 40 30 80 265 0.3 6.5 5.0 0.6 MZ11-04P70RH265 70 50 40 100 265 0.2 5.5 5.0 0.6 MZ11-04P121H265 120 40 30 80 265 0.2 5.5 5.0 0.6 MZ11-03P151H265 150 40 30 75 265 0.2 4.5 5.0 0.5 MZ11-10N12RH265 12 170 130 340 265 1.2 100(N)11.0 5.0 0.6 MZ11-10N18RH265 18 145 110 290 265 1.2 11.0 5.0 0.6 MZ11-10N22RH265 22 125 90 250 265 1.2 11.0 5.0 0.6 MZ11-07N22RH265 22 120 90 225 265 0.5 8.0 5.0 0.6 MZ11-05N151H265 150 38 30 80 265 0.3 6.5 5.0 0.6 MZ11-05N301H265 300 27 20 55 265 0.3 6.5 5.0 0.6 MZ11-05N601H265 600 20 15 40 265 0.2 6.5 5.0 0.6 MZ11-05N102H265 1000 15 12 30 265 0.2 6.5 5.0 0.6 名师资料总结-精品资料欢迎下载-名师精心整理-第 6 页,共 12 页 -MZ11-04N151H265 150 36 28 80 265 0.3 5.5 5.0 0.6 MZ11-03N151H265 150 33 25 65 265 0.2 4.5 5.0 0.5 MZ11-03N101H265 100 40 30 80 265 0.2 4.5 5.0 0.5 MZ11-03N70RH265 70 45 35 90 265 0.1 4.5 5.0 0.5 MZ11-08M12RH265 12 120 70 220 265 0.8 80(M)9.0 5.0 0.6 MZ11-08M25RH265 25 85 50 170 265 0.8 9.0 5.0 0.6 MZ11-08M35RH265 35 80 50 150 265 0.8 9.0 5.0 0.6 MZ11-08M50RH265 50 60 40 120 265 1.0 9.0 5.0 0.6 MZ11-07M101H265 100 50 30 100 265 0.6 8.0 5.0 0.6 MZ11-05M70RH265 70 50 30 100 265 0.3 6.5 5.0 0.6 MZ11-05M121H265 120 30 20 60 265 0.3 6.5 5.0 0.6 MZ11-03M101H265 100 25 18 55 265 0.2 4.5 5.0 0.5 MZ11-03M151H265 150 22 15 45 265 0.2 4.5 5.0 0.5 使用注意事項1、焊接在焊接時要注意,PTC 熱敏電阻器不能由於過分的加熱而受到損害。

必須遵守下列的最高的溫度,名师资料总结-精品资料欢迎下载-名师精心整理-第 7 页,共 12 页 -最長的時間和最小的距離:浸焊烙鐵焊溶池溫度max.260 max.360 釺焊時間max.10s max.5 s 距 PTC 熱敏電阻器最小的距離min.6mm min.6mm 在較惡劣的釺焊條件下將會引起電阻值的變化2、塗層和灌注在 PTC 熱敏電阻器上加塗層和灌注時,不允許在固化和以後的處理中由於不同的熱膨脹而出現機械應力請謹慎使用灌注材料或填料在固化時不允許超過PTC 熱敏電阻器的上限溫度此外,要注意到,灌注材料必須是化學中性的在PTC 熱敏電阻器中鈦酸鹽陶瓷的還原可能會導致電阻降低和電性能的喪失;由於灌注而引起熱散熱條件的變化可能會引起在PTC 熱敏電阻器上局部的過熱而導致其被毀壞3、清洗氟利昂,三氯乙烷或四氯乙烯等溫和的清洗劑均適用於清洗,同樣可以使用超聲波清洗的方法,但是一些清洗劑可能會損害熱敏電阻的性能,清洗前最好進行試驗或到我公司諮詢4、貯藏條件與期限如果存貯得當,PTC 熱敏電阻器的存貯期沒有什麼期限限制為了保持 PTC 熱敏電阻器的可焊性,應在沒有侵蝕性的氣氛中進行貯藏,同時要注意空氣濕度,溫度以及容器材料。

元件應盡可能的在原名师资料总结-精品资料欢迎下载-名师精心整理-第 8 页,共 12 页 -包裝中進行貯藏對未焊接的PTC 熱敏電阻器的金屬覆層的觸碰可能會導致可焊性能降低暴露在過潮或過高溫度下,一些規格產品性能可能會改變,比如錫鉛的可焊性等,但是在正常的電器元件保存條件下可以長期保存5、注意事項為避免 PTC 熱敏電阻器發生失效短路燒毀等事故,使用(測試)PTC 熱敏電阻器時應特別注意如下事項:不要在油中或水中或易燃易爆氣體中使用(測試)PTC 熱敏電阻器;不要在超出 最大工作電流 或最大工作電壓 條件下使用(測試)PTC 熱敏電阻器過流保護電路圖帶過流保護加開關機控制的線性電源.這個電源電路可以分為二個部分來分析.左邊的部分是過流檢測.右邊的是控制和輸出.1.我們先來看看這個左邊的過流保護.H EHE.名师资料总结-精品资料欢迎下载-名师精心整理-第 9 页,共 12 页 -1.過流檢測電路.左邊的過流保護電路簡化下就是這樣子了.檢測原理是。

下载提示
相似文档
正为您匹配相似的精品文档
相关文档