文档详情

基土钎探工艺技术交底

工****
实名认证
店铺
DOC
28KB
约2页
文档ID:418364173
基土钎探工艺技术交底_第1页
1/2

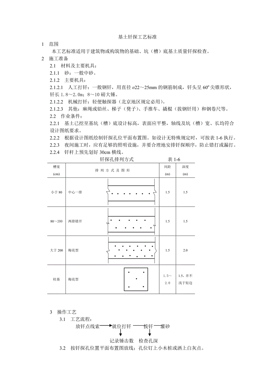
基土钎探工艺标准1 范围本工艺标准适用于建筑物或构筑物的基础、坑(槽)底基土质量钎探检查2 施工准备2.1 材料及主要机具:2.1.1 砂:一般中砂2.1.2 主要机具:2.1.2.1 人工打钎:一般钢钎,用直径ø22~25mm的钢筋制成,钎头呈60º尖锥形状,钎长1.8~2.0m;8~10磅大锤2.1.2.2 机械打钎:轻便触探器(北京地区规定必用)2.1.2.3 其他:麻绳或铅丝、梯子(凳子)、手推车、撬棍(拔钢钎用)和钢卷尺等2.2 作业条件:2.2.1 基土已挖至基坑(槽)底设计标高,表面应平整,轴线及坑(槽)宽、长均符合设计图纸要求2.2.2 根据设计图纸绘制钎探孔位平面布置图如设计无特殊规定时,可按表1-6执行2.2.3 夜间施工时,应有足够的照明设施,并要合理地安排钎探顺序,防止错打或漏打2.2.4 钎杆上预先划好30cm横线钎探孔排列方式 表1-6槽宽(cm)排 列 方 式 及 图 形间距(m)深度(m)小于80中心一排1.51.580~200两排错开1.51.5大于200梅花型1.52.0柱基梅花型 1.5~2.01.5,并不浅于短边 3 操作工艺 3.1 工艺流程: 放钎点线索 就位打钎 拔钎 灌砂  记录锤击数 检查孔深 3.2 按钎探孔位置平面布置图放线;孔位钉上小木桩或洒上白灰点。

3.3 就位打钎3.3.1 人工打钎:将钎尖对准孔位,一人扶正钢钎,一人站在操作凳子上,用大锤打钢钎的顶端;锤举高度一般为50~70cm,将钎垂直打入土层中 3.3.2 机械打钎:将触探杆尖对准孔位,再把穿心锤套在钎杆上,扶正钎杆,拉起穿心锤,使其自由下落,锤距为50cm,把触探杆垂直打入土层中 3.4 记录锤击数钎杆每打入土层30cm时,记录一次锤击数钎探深度如设计无规定时,一般按表1-6执行 3.5 拔钎:用麻绳或铅丝将钎杆绑好,留出活套,套内插入橇棍或铁管,利用杠杆原理,将钎拔出每拔出一段将绳套往下移一段,依此类推,直至完全拔出为止 3.6 移位:将钎杆或触探器搬到下一孔位,以便继续打钎3.7 灌砂:打完的钎孔,经过质量检查人员和有关工长检查孔深与记录无误后,即可进行灌砂灌砂时,每填入30cm左右可用木棍或钢筋棒捣实一次灌砂有两种形式,一种是每孔打完或几孔打完后及时灌砂;另一种是每天打完后,统一灌砂一次 3.8 整理记录:按钎孔顺序编号,将锤击数填入统一表格内字迹要清楚,再经过打钎人员和技术员签字后归档 3.9 冬、雨期施工: 3.9.1 基土受雨后,不得进行钎探。

3.9.2 基土在冬季钎探时,每打几孔后及时掀盖保温材料一次,不得大面积掀盖,以免基土受冻4 质量标准 4.1 保证项目: 钎探深度必须符合要求,锤击数记录准确,不得作假 4.2 基本项目 4.2.1 钎位基本准确,探孔不得遗漏 4.2.2 钎孔灌砂应密应5 成品保护 5.1 钎探完成后,应作好标记,保护好钎孔,未经质量检查人员和有关工长复验,不得堵塞或灌砂6 应注意的质量问题 6.1 遇钢钎打不下去时,应请示有关工长或技术员:取消钎孔或移位打钎不得不打、任意填写锤数 6.2 记录和平面布置图的探孔位置填错: 6.2.1 将钎孔平面布置图上的钎孔与记录表上的钎孔先行对照,有无错误发现错误及时修改或补打 6.2.2 在记录表上用色铅笔或符号将不同的钎孔(锤击数的大小)分开  6.2.3 在钎孔平面布置图上,注明过硬或过软的孔号的位置,把枯井或坟墓等尺寸画上,以便设计勘察人员或有关部门验槽时分析处理7 质量记录 本工艺标准应具备以下质量记录: 工程地质勘察报告。

下载提示
相似文档
正为您匹配相似的精品文档