文档详情

采购清单及配置参数及商务要求

xins****2008
实名认证
店铺
DOC
53.50KB
约4页
文档ID:105284324
采购清单及配置参数及商务要求_第1页
1/4

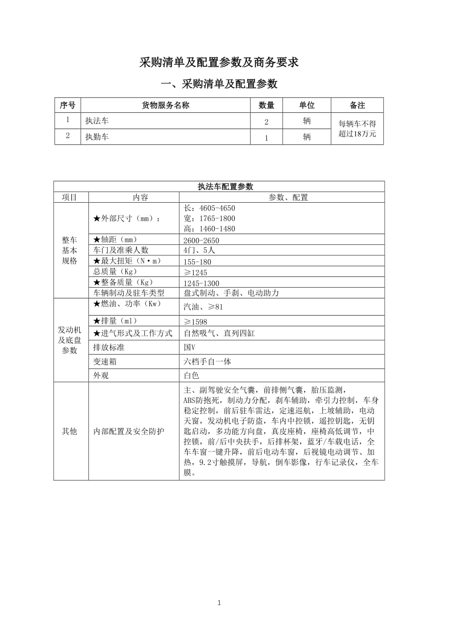
采购清单及配置参数及商务要求一、采购清单及配置参数序号货物服务名称数量单位备注1执法车2辆每辆车不得超过18万元2执勤车1辆执法车配置参数项目内容参数、配置整车基本规格★外部尺寸(mm):长:4605-4650宽:1765-1800高:1460-1480★轴距(mm)2600-2650车门及准乘人数4门、5人★最大扭矩(N·m)155-180总质量(Kg)≥1245★整备质量(Kg)1245-1300车辆制动及驻车类型盘式制动、手刹、电动助力发动机及底盘参数★燃油、功率(Kw)汽油、≥81★排量(ml)≥1598★进气形式及工作方式自然吸气、直列四缸排放标准国V变速箱六档手自一体外观白色其他内部配置及安全防护主、副驾驶安全气囊,前排侧气囊,胎压监测,ABS防抱死,制动力分配,刹车辅助,牵引力控制,车身稳定控制,前后驻车雷达,定速巡航,上坡辅助,电动天窗,发动机电子防盗,车内中控锁,遥控钥匙,无钥匙启动,多功能方向盘,真皮座椅,座椅高低调节,中控锁,前/后中央扶手,后排杯架,蓝牙/车载,全车车窗一键升降,前后电动车窗,后视镜电动调节、加热,9.2寸触摸屏,导航,倒车影像,行车记录仪,全车膜。

执勤车配置参数项目内容参数、配置整车基本规格★外部尺寸(mm):长:4860-4875宽:1832-1865高:1464-1490★轴距(mm)2800-2850车门及准乘人数4门、5人★最大扭矩(N·m)300-350总质量(Kg)>1950★整备质量(Kg)1530-1625车辆制动及驻车类型盘式制动、电子驻车、电动助力发动机及底盘参数★燃油、功率(Kw)汽油、≥132★排量(ml)>1790★进气形式及工作方式涡轮增压、直列四缸排放标准国V变速箱七档双离合外观黑色其他内部配置及安全防护主、副驾驶安全气囊,前排侧气囊,前后排头部气囊,胎压监测,ABS防抱死,制动力分配,刹车辅助,牵引力控制,车身动态电子稳定系统,定速巡航,发动机启停,上坡辅助,自动驻车,中控锁,遥控钥匙,无钥匙启动,9.2寸触摸屏,导航,倒车影像,行车记录仪,外后视镜集成LED转向灯,智能防盗,全车车窗一键升降,蓝牙,互联,前后驻车雷达,后视镜电动调节、加热,真皮座椅,座椅高低、腰部支撑调节,电动天窗,前后电动车窗,自动空调,氙气大灯,全车膜注:1、如果在技术参数或配置中标明了品牌或产地,则仅供参考,并非指定,供应商可以选用替代的方案,但这种替代整体上要优于或相当于询价通知书的相关要求。

2、为鼓励不同品牌的充分竞争,如某设备的某技术参数或要求属于个别品牌专有,则该技术参数及要求不具有限制性,供应商可对该参数或要求进行适当调整,并应当说明调整的理由,且该调整须经谈判小组审核认可3、用“★”标注的内容为不允许负偏离的实质性要求和条件4、对用“★”标注的技术参数须提供(如产品彩页或厂家官网截图或第三方检测报告或车辆生产企业及产品公告或汽车整车产品定型检验/试验报告或车辆一致性证书或产品使用说明书等)相关技术支持性文件证明,否则,谈判小组不接受5、相关技术证明文件中关于同一技术参数的表述不一致时,相关技术证明文件的效力顺序依次为车辆生产企业及产品公告、汽车整车产品定型检验/试验报告、第三方检测报告、产品使用说明书、厂家官网截图、产品彩页、车辆一致性证书二、商务要求1、所有货物(包括零部件)须为全新的、未使用过的原装正品提交货物(含软件及相关服务)的技术参数和配置应与询价通知书的要求及其谈判响应文件的技术响应表(如果被谈判小组接受的话)相一致若询价通知书及谈判响应文件中无相应说明,则以国家有关部门最新颁布的相应标准及规范为准2、车辆生产企业及其产品须在国家相关部门公布的《车辆生产企业及产品公告》目录内,须在谈判响应文件中提供证明材料。

3、车辆必须符合国家相关强制性要求及环保要求,能够取得正式合法牌照4、技术支持4.1成交供应商应向采购人提供全方位及时而有效的技术支持和服务4.2成交供应商负责将货物的有关技术文件(外文应提供中文翻译资料,下同)、验收报告等汇集成册交付采购人,涉及进口的部件配件等须提供中国海关进口货物报关单、完税证明及商检证明等材料5、质保及售后服务:5.1供应商至少提供3年的免费质保服务(自验收合格之日起计算)所有质保费用均已包含在总报价中质保期满后,应提供优先的有偿售后服务及按不高于谈判响应文件中零配件、易损件及备品备件清单所报价格供应原厂零配件等5.2成交供应商须设有维修服务,负责解答用户在设备使用中遇到的问题,及时提出解决问题的建议和操作方法5.3售后服务响应时间:成交供应商需设有专门的售后服务队伍,建立完备的故障响应机制如货物出现质量问题,响应无法解决,成交供应商必须在接报修24小时内到现场,12小时内予以排除,以确保正常运转6、交货期:自合同签订之日起15日内供货完毕7、交货及服务地点:采购人指定地点8、验收:8.1采购人和相关部门按照询价通知书和谈判响应文件承诺进行验收询价通知书没有规定和谈判响应文件没有相应承诺的,按照下列原则进行验收:有国家标准的按照国家标准验收,没有国家标准的按行业标准验收,无行业标准的按地方或企业标准验收,成交供应商予以配合。

涉及需要由质检或行业主管部门验收的项目,采购人须约请相关部门和专家参加项目验收所有需要质检部门进行检测才能使用的设备,总报价中必须包含首次检测费用8.2货物在验收时,供应商应提供发票、制造厂家出具的产品合格证书、装箱清单等, 涉及进口的部件须提供中国海关进口货物报关单、完税证明及商检证明等材料;提供有关货物的保养修理所需的各种随机工具及全部有关技术文件(外文应提供中文翻译资料,下同)、操作使用说明书、质保书、保修证明、维护手册及技术性指导资料以及根据中国相关法律规定制造、销售报价货物(包括主要部件和材料)所必备的各种证书 (如CCC强制性认证证书、产品质量检验报告、国家相关检测机构出具的检验报告、鉴定证书、计算机软件著作权登记证书等)等文件汇集成册交付采购人和应由供应商提供的必要文件8.3成交供应商应根据采购人使用单位的技术要求提供相应的软硬件产品由成交供应商所提供的设备部件间的连线和插接件均应视为设备内部器件,包含在相应的设备之中8.4采购人对货物进行全面的验收,对验收中暴露出来的问题,成交供应商应及时进行整改,最终验收合格后,采购人向成交供应商签发最终验收证明9、付款方式:货物验收合格后(车辆应验收合格入户并取得合格牌照)并收到成交供应商开具的发票后7个工作日内支付合同总价。

下载提示
相似文档
正为您匹配相似的精品文档