文档详情

富士达电梯工程模式详解(这份资料请勿外传)

re****.1
实名认证
店铺
DOC
49.50KB
约6页
文档ID:456175617
富士达电梯工程模式详解(这份资料请勿外传)_第1页
1/6

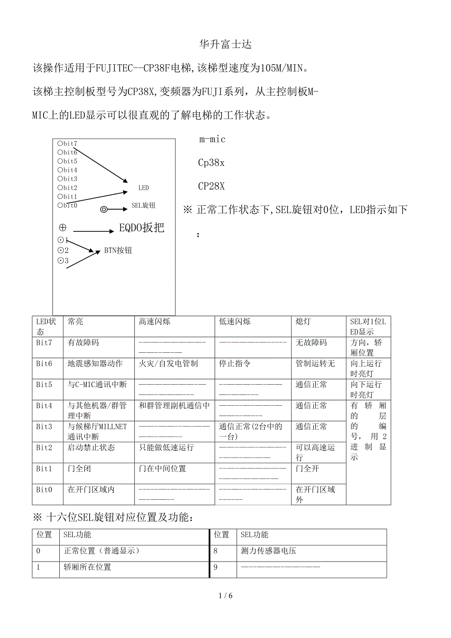
华升富士达该操作适用于FUJITEC--CP38F电梯,该梯型速度为105M/MIN○bit7○bit6○bit5○bit4○bit3○bit2 LED○bit1○bit0 SEL旋钮⊕ EQDO扳把⊙1⊙2 BTN按钮⊙3该梯主控制板型号为CP38X,变频器为FUJI系列,从主控制板M-MIC上的LED显示可以很直观的了解电梯的工作状态 m-mic Cp38x CP28X※ 正常工作状态下,SEL旋钮对0位,LED指示如下:LED状态常亮高速闪烁低速闪烁熄灯SEL对1位LED显示Bit7有故障码-——-—————-——--—-——-———-—-----无故障码方向,轿厢位置Bit6地震感知器动作火灾/自发电管制停止指令管制运转无向上运行时亮灯Bit5与C-MIC通讯中断———————-———-———-----———-—-———-——---通信正常向下运行时亮灯Bit4与其他机器/群管理中断和群管理副机通信中——--—-——-———--—---通信正常有 轿 厢 的 层 的 编 号, 用 2 进 制 显 示Bit3与候梯厅MILLNET通讯中断——-——--—-————-——--通信正常(2台中的一台)通信正常Bit2启动禁止状态只能做低速运行——-——-———--——-—-——可以高速运行Bit1门全闭门在中间位置--—-——————-——-———-—门全开Bit0在开门区域内-----—-—--—-—-—-——-----—---—-—-—-------在开门区域外※ 十六位SEL旋钮对应位置及功能:位置SEL功能位置SEL功能0正常位置(普通显示)8测力传感器电压1轿厢所在位置9—--———-——-——2运行模拟A呼叫电脑输入32IR输入B输入4输入C输出5输出D指定地址6速度阶段EPMC同步模拟7————--—--——F故障码※ SEL旋钮对F位,LED显示故障代码:LED十位个位Bit78Bit64Bit52Bit41Bit38Bit24Bit12Bit01该故障码为十六进制,采用的是BCD码,具体如下:例,显示bit7与bit1,读作82显示bit7,bit6与bit3,读作C8注:清除故障码的方法将SEL旋钮对F位,按住BTN3持续4秒以上,显示bit0-—--bit7闪烁即可。

※ 当SEL旋钮对F位,按BTN1显示故障码,每按一次显示一个故障代码,当按住BTN1时,则显示楼层数,此楼层数代表故障发生时电梯所在的楼层※ 机房之检修运行方法:1、 在按住BTN3(下)的同时,将EQDO的扳把向上,放松开BTN(下)2、 按住BTN1(上)时,电梯上升按住BTN3(下)时,电梯下降.3、 放下EQDO的扳把,完成操作LED显示:与SEL位置相对应的显示.※ 机房之呼叫登录(快车运行)方法:1、 在按住BTN2(中)的同时,将EQDO的扳把向上,放松开BTN2(中)2、 登录层之设定:按BTN1(上),则选定目前位置之上面一层,(连续按2秒,则选定最上层)按BTN3(下),则选定目前位置之下面一层,(连续按2秒,则选定最下层)3、 登录:按住BTN2(中).4、 放下EQDO的扳把,完成操作.LED显示登录层.※ FD运行方法(FD自学习模式):1、 在按住BTN2(中)的同时,将SEL旋钮放成(2)后,松开BTN2(中),LED闪烁期间再次按BTN2(中)2、 在按住BTN3(下)或BTN1(上),使门关闭时如果轿厢在高出平层的位置,则开始下降其它位置的话,向上运行.3、 将BTN2按住持续4秒以上,完成操作.LED显示:FD专用显示.※ 专用运行之方法:1、 在按住BTN2(中)的同时,将SEL旋钮放成(D)后,松开BTN2(中),LED闪烁期间再次按BTN2(中)。

2、 候梯厅按钮无效在停止层门打开,用轿厢目的层按钮登录呼叫,按住关门按钮,安全关上门后开始运行3、 将BTN2按住持续4秒以上,完成操作LED显示:与SEL位置相对应的显示※ 临时运行之方法:1、 在按住BTN2(中)的同时,将SEL旋钮放成(F)后,松开BTN2(中),LED闪烁期间再次按BTN2(中)2、候梯厅按钮无效在停止层门打开,用轿厢目的层按钮登录呼叫,按住关门按钮,安全关上门后开始运行3、 将BTN2按住持续4秒以上,完成操作LED显示:与SEL位置相对应的显示※ AJ运转之方法(AJ称重):空载:1、在按住BTN2(中)的同时,将SEL旋钮放成(3)后,松开BTN2(中),LED闪烁期间再次按BTN2(中)2、在按住BTN1(上)或BTN3(下),则自动运行开始.满载:1、在按住BTN2(中)的同时,将SEL旋钮放成(4)后,松开BTN2(中),LED闪烁期间再次按BTN2(中) 2、在按住BTN1(上)或BTN3(下),则自动运行开始中间负载:1、在按住BTN2(中)的同时,将SEL旋钮放成(5)后,松开BTN2(中),LED闪烁期间再次按BTN2(中)2、在按住BTN1(上)或BTN3(下),则自动运行开始.完成测试操作:将BTN2按住持续4秒以上.LED显示为AJ专用显示。

FUJITEC工程模式该工程模式适用于FUJITEC电梯该模式不适用于型号为CP16X主板,CPC1主板(即新时达电气代工).针对以下型号主板CP28X,CP38X操作方式:将轿内检修窗打开,由自动模式转为检修(手动)模式,按住开门按钮,然后按第二个数字钮,(由负至正数字钮第二个),按此数字钮,每按一次显示变化一次,(数字列显示完后则显示字母),当显示至4时松开显EQ,连续按第二个数字钮,显示变换为RS时停下,松开所以按钮,此时有数字钮闪烁,按住此闪烁钮确认即可完成操作以上模式为REST模式,即复位操作,可以断主板电源,针对死梯,乱程序,休止,有效连续按第二个数字钮,显示变换为FD时,松开所有按钮,即可进入FD专用模式除了以上两种模式外,还可以检查显示字符的完整性,以及AG模式,风扇运转模式等.第二个数字钮指的是操纵盘上由小至大的第二个按钮例:有一梯,共26层,地下两层,地上24层,则第二个数字键为—1又例:有一梯15层,无地下层,则第二个数字钮为2.注意:在操作过程中,连续按第二个数字钮有可能会错过所要选择的模式,这时可以按第一个数字钮进行递减,即在选择过程中,第二个数字钮充当加的作用,第一个数字钮充当减的作用,可以在所有模式中循环选择。

将轿内自动转为手动(检修)模式,按住开门按钮,同时按第一或第二个数字钮,点动按此数字钮,则显示开始变化,当数字变为4时,松开所有按钮,显示由数字变为字母,EQ或其他FD,AN,AF,AM,SA,AG,LC,FO,RS等此时显示的字母开始闪烁开门钮,以及第一,第二数字钮也同步闪烁.点按第一,或第二数字钮选择所想要的字母类型RS或其他,当显示此字母时,松开所有按钮,按住开门钮,约4秒松开,第一或第二数字钮开始闪烁,显示器显示想选择的功能字母,并停止闪烁此时按住闪烁的数字钮确认即可,按住时长4秒或更多,REST完成 FD模式,选择FD,按住开门钮确认,4秒松开,开门钮亮,显示器显示FD,无闪烁,也无按钮闪烁,将手动转为自动,按关门至门完全关上即自动行车,进入FD模式,行完全程或想完成时,将自动转为手动即可完成文中如有不足,请您指教! / 。

下载提示
相似文档
正为您匹配相似的精品文档