文档详情

图书馆设计解析

最****
实名认证
店铺
DOC
427.01KB
约13页
文档ID:117045682
图书馆设计解析_第1页
1/13

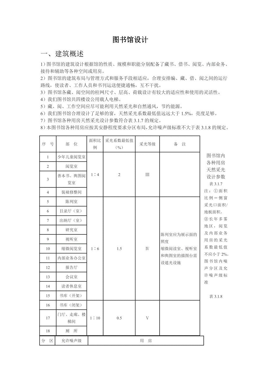
图书馆设计一、建筑概述1)图书馆的建筑设计根据馆的性质、规模和职能分别配备了藏书、借书、阅览、内部业务、接待和辅助等各种空间或用房2)图书馆的建筑布局与管理方式和服务手段相适应,合理安排编、藏、借、阅之间的运行路线,使读者、工作人员和书刊运送便捷通畅,互不干扰3)图书馆各藏、阅空间的柱网尺寸、层高、荷载设计有较大的适应性和使用的灵活性4)我们图书馆共四楼设公用载人电梯5)藏、阅、工作空间应尽可能利用天然采光和自然通风,节约能源6)我们图书馆合理设计了足够的窗,天然采光系数最低值远远大于1.5%,亮度足够7)图书馆各种用房天然采光设计参数符合表3.1.7的规定8)本图书馆各种用房应按其安静程度要求分区布局,允许噪声级标准不大于表3.1.8的规定序 号部 位面积比例采光系数最低值(%)采光等级备 注1少年儿童阅览室1∶42Ⅲ 2阅览室3善本书、舆图阅览室4装裱修整间5陈列室1∶61.5Ⅳ陈列室应为展示面的照度缩微阅读室、视听室和舆图室的描图台需设遮光设施6目录厅(室)7出纳厅(室)8研究室9视听室10缩微阅览室11内部业务办公室12报告厅13会议室14读者休息室15书库(开架)16书库(闭架)1∶100.5Ⅴ 17门厅、走廊、楼梯间18厕 所图书馆内各种用房天然采光设计参数表3.1.7注:①面积比例=侧窗采光口面积/地板面积。

②长年多雾地区,阅览及内部业务用房的采光系数最低值不应小于2%图书馆内噪声分区及允许噪声级标准表3.1.8分 区允许噪声级(dB—A)用 房静 区40研究室、专业阅览室、缩微、善本书阅览室、视听室、报告厅、普通阅览室较静区50报刊阅览室、儿童阅览室、陈列室、办公室注:①阅览室内宜有吸声、消声、隔噪措施;②产生噪声的设备应采取隔声、消声设施;③报告厅和演播室还应注意音质和语言清晰度要求二、 藏书部分1)图书馆的藏书空间设有基本书库、辅助书库和阅览室藏书3部分2)基本书库应和辅助书库及同层的阅览室保持便捷的联系3)基本书库的结构形式和柱网尺寸适应所采用的管理方式和选定书架的排列要求4)书库、开架阅览室应选用活动书架、积层书架为主;书库采用多层书架,每个藏书空间没有超过三个书架层5)书库的平面布局和书架排列有利于采光、通风和缩短提书距离;书库内书(报)架的连续排列档数不大于表3.2.5a的限量;书(报)架间及书(报)架与外墙之间的通道净宽尺寸不小于表3.2.5b的规定 书库书架连续排列最多挡数表3.1.8 条 件常用书库非常用书库开 架闭 架书架两端有走道时书架一端有走道时6挡3挡8挡4挡10挡5挡注:各类书刊、报纸、资料架(柜)的外型尺寸参见附录一表(1)书库、开架阅览室藏书区书架排列各部通道最小宽度 名 称代 号常用书库非常用书库(m)开架(m)闭架(m)主通道净宽次通道净宽挡头走道净宽(即靠墙走道)行道净宽aa1cb1.501.000.601.001.200.750.600.801.000.600.600.60注:①书架排列间隔代号名称标示见附图一。

②表中主通道宽度仅限于不设自动水平运输设备条件下采用③双面书架深度按450mm计算6)单面书架靠墙排列,书架与墙面之间留出的空隙不小于80mm;双面书架宜垂直于开窗的外墙书库采用竖向条形窗时应对正行道并允许书架档头靠墙,符合第3.2.5条表3.2.5a的规定7)缩微、视听等非书资料按使用方式确定了适合存放的位置文献资料设有特藏库收藏保管注:本图书馆参照了各类图书馆藏书空间的单位面积容书量设计计算指标参见附录二8)库区设工作人员卫生间和专用厕所,但没有设于库内,在距离库不远处9)书库、阅览室藏书区净高3m;采用积层书架的藏书空间净高5m;采用多层书架的藏书空间净高为5m10)书库内工作人员专用楼梯的梯段净宽为1.5m,踏步宽0.22m,踏步高0.20m,并采取了防滑措施11)本图书楼四层的书库提升设备两套三、 阅览部分1、图书馆分别设置普通(综合)阅览室,专业阅览室,教师、学生等特种阅览室2、阅览室光线充足,照度均匀,开窗位置尽量避免了直射光3、阅览室的开间、进深尺寸适应该馆大多数阅览室在开、闭架管理方式下家具设备合理布置的要求4、阅览室阅览桌、椅子的排列间隔尺寸符合表3.3.4的上限图书馆阅览室阅览桌、椅排列尺寸表3.3.4 条 件代 号最小间隔尺寸(m)备 注闭架阅览开架阅览单面阅览桌前后间隔净宽A0.650.6适用于单人桌、二人桌双面阅览桌前后间净宽A11.30~1.501.30~1.50四人桌不小于下限六人桌不小于上限阅览桌左右间隔净宽B0.60~0.900.60~0.90 主通道净宽C1.201.50 阅览桌后沿与端墙之间净宽靠墙无书架时D1.05-靠墙书架深度按0.25m计算靠墙有书架时D1-1.6阅览桌侧沿与端墙之间净宽靠墙无书架时E0.60~0.90- 靠墙有书架时E1-1.30同上阅览桌与出纳台外沿净宽单面桌前沿F1.851.85 单面桌后沿F12.502.50 双面桌前后沿F22.802.80 注:①间隔位置以代号表示见附图二。

②普通阅览室的阅览桌、椅尺寸参见附录一表(2)③专业阅览室的阅览桌、椅尺寸参见附录一表(3)④少年儿童阅览室的阅览桌、椅尺寸参见附录一表(2)5、开架阅览室采取凹室布置时,家具排列尺寸不应小于表3.3.5的规定;阅览室靠外墙一面不得采用高侧窗开架阅览室采用凹室布置家具排列尺寸表3.3.5 条件相对二书架中间净宽(m)备 注中间安放双面四人阅览桌时中间安放双面六人阅览桌时阅览桌内沿距侧墙内表面3.103.700.601阅览桌宽度按1.00m考虑;2书架排列长度以不超过3 挡为宜6、阅览室根据工作需要设出纳台,工作间的面积大于10㎡7、览室之间互不干扰,并有利于安全疏散8、集中使用的视听室包括演播室,有防止声、像相互干扰的隔绝措施一、演播室的建筑设计必须满足各种演播形式(包括播音、投影、放映幻灯、录像、电视、电影等)的使用要求及视觉与听觉效果,并设置必要的通风换气装置;二、演播室应根据要求做好音质处理,室内噪声标准应符合第3.1.8条表3.1.8的规定混响时间设计参数应符合表3.3.16的规定演播室混响时间设计参数表3.3.16 演播室体积()混响时间(s)音乐语言100200500100020000.60.70.80.91.00.40.50.60.70.8四 、业务和技术设备用房1、图书馆的业务用房由采编、典藏等部门组成;技术设备用房由电子计算机、缩微、照像、静电复印、声像控制、消毒等用房组成。

2、采编用房一、采编用房的位置和读者活动区分开,并与典藏室、书库、书刊入口有便捷联系;二、采编部的平面布置符合采购、交换、拆包、验收、登记、分类、编目、加工等工艺顺序;三、拆包间临近或专设书刊入口,进书量大的图书馆宜设卸车平台;四、采编用房的使用面积,每工作人员不小于10㎡3、典藏用房一、图书馆单独设置典藏部门时,典藏室设于书库入口附近;二、典藏工作间的使用面积,每工作人员不小于6㎡,最小房间不小于10㎡;4、电子计算机房图书馆设有电子计算机房,机房设置和室内环境要求适应选用的机型和相应的工艺要求并根据需要考虑在借、阅工作空间和采购室内采用微机或设终端的可能性5、缩微用房一、附设文献缩微中心的图书馆,缩微复制用房单独设置,建筑设计符合生产工艺顺序和设备操作要求;二、缩微复制用房防振动、防灰尘、防污染,配备电源和水源,设空气调节;室内温度、湿度采用机械通风,采取了净化措施;6、静电复制用房一、专用的静电复制用房有通风排气和绝缘设施二、小型复印设备分散设置在各借、阅工作空间,位置应便于工作人员监理五 、公共、行政和辅助用房1、图书馆设有门厅读者出入的门厅兼有验证、咨询、收发、寄存和监理等多种功能,应根据管理制度设置必要的岗位、房间和相应的设备。

2、图书馆有陈列空间3、报告厅一、图书馆设有300座的报告厅,报告厅与阅览区隔开;并满足防火疏散的要求;二、与阅览区毗连独立设置时应单设出入口便于闭馆期间单独使用,避免相互干扰;三、报告厅设专用厕所;四、报告厅满足幻灯、录像、电影放映和书写投影、扩声等功能要求;五、报告厅的厅堂使用面积每座1㎡;放映室的进深和面积适合采用的机型4、厕所图书馆分别设置公用和专用厕所卫生用具按使用人数设置,男女各半计算,并符合下列规定:一、成人男厕所按每60人设大便器1具,每30人设小便斗1具;二、成人女厕按每30人设大便器1具;三、儿童男厕按每50人设大便器1具,小便斗2具;四、儿童女厕按每25人设大便器1具;五、洗手盆每60人设1具;六、公用厕所内应设污水木池1个六、书刊资料防护1、书库周围排水通畅;库内无排水管道通过;设有防潮层;书库屋面采取有组织外排水落水管用耐腐蚀材料制做;顶层和屋面不设置供水设施七、防尘、防有害气体1、图书馆的环境绿化选择了吸尘能力较强的树种2、书库的楼、地面坚实耐磨;墙面和顶棚光滑不积灰尘3、书库的窗扇既应开启方便,又应采取防尘和密闭措施4、特藏书库采取了有效措施,防止二氧化硫、硫化氢等有害气体对藏书的危害。

六、防阳光直射和紫外线照射1、藏书区没有有阳光直射入内,窗玻璃用折光、散光或滤光材料2、特藏书库安装具有过滤紫外线的灯具七、防盗安全1、图书馆设有安全防盗装置2、陈列和贮藏珍贵书刊资料的房间能单独锁闭,并设自动报警装置3、采取开架管理的阅览室,另设有安全监测装置;八、防火和疏散一、耐火等级1、图书馆的建筑防火设计执行国家现行防火规范有关条文外,还符合实际2、书库与毗邻的其它部分之间的隔墙及内部防火分区隔墙为防火墙,耐火极限不低于4小时;其内部间隔墙耐火极限不低于 1小时 3、书库防火分区隔墙上的门,为甲级防火门;基本书库通向出纳台的防火门净宽1.4m,并没设置门槛;紧靠门口1.4m范围内没设置踏步或坡道,门应向外开启或靠墙的外侧推拉,并装设自动下滑防火门二、 安全疏散1、图书馆的安全出口多个。

下载提示
相似文档
正为您匹配相似的精品文档