文档详情

施工机械设备配备材料投入计划及来源修订

hs****ma
实名认证
店铺
DOC
195KB
约3页
文档ID:551373236
施工机械设备配备材料投入计划及来源修订_第1页
1/3

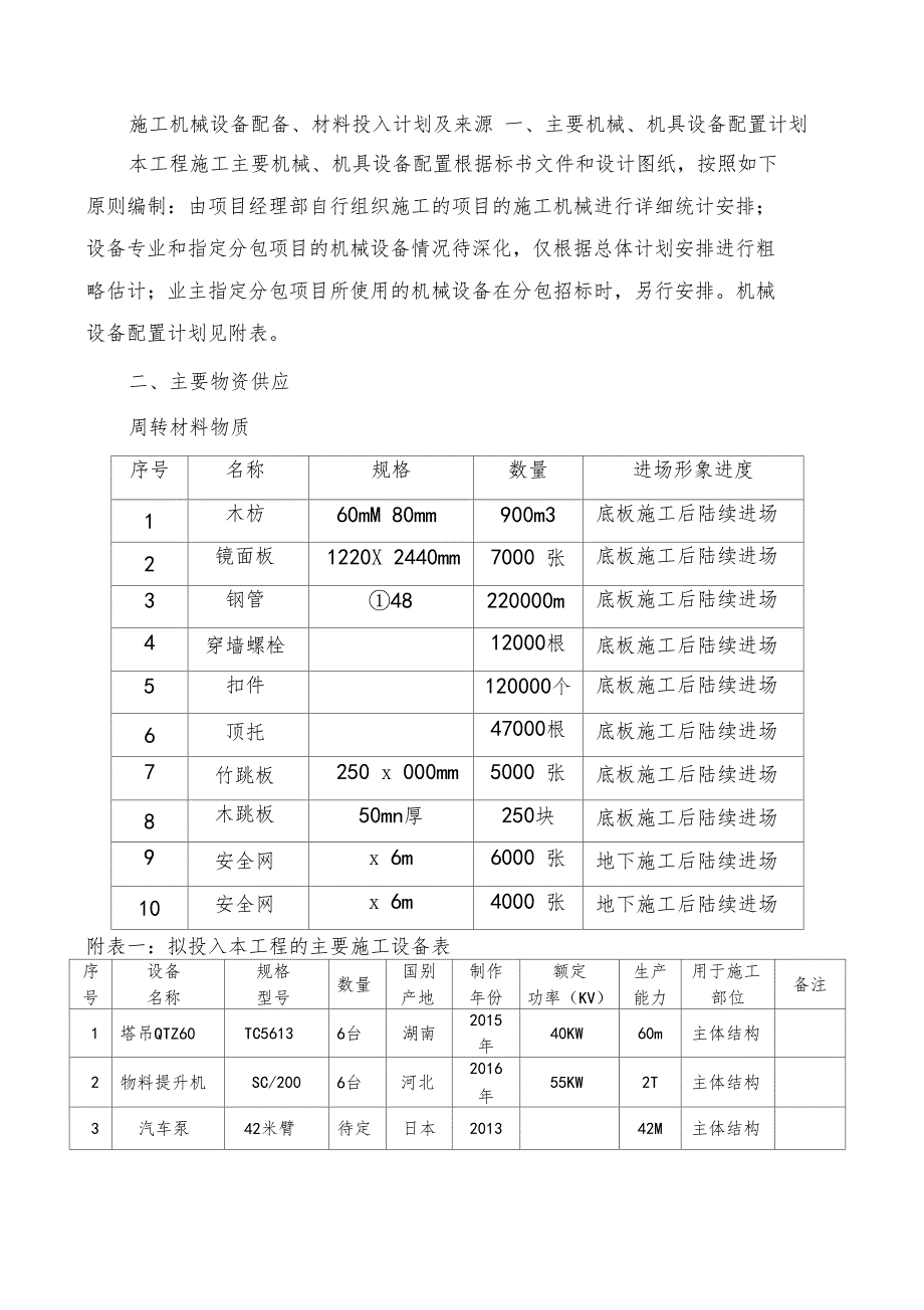
施工机械设备配备、材料投入计划及来源 一、主要机械、机具设备配置计划本工程施工主要机械、机具设备配置根据标书文件和设计图纸,按照如下 原则编制:由项目经理部自行组织施工的项目的施工机械进行详细统计安排; 设备专业和指定分包项目的机械设备情况待深化,仅根据总体计划安排进行粗 略估计;业主指定分包项目所使用的机械设备在分包招标时,另行安排机械 设备配置计划见附表二、主要物资供应周转材料物质序号名称规格数量进场形象进度1木枋60mM 80mm900m3底板施工后陆续进场2镜面板1220X 2440mm7000 张底板施工后陆续进场3钢管①48220000m底板施工后陆续进场4穿墙螺栓12000根底板施工后陆续进场5扣件120000个底板施工后陆续进场6顶托47000根底板施工后陆续进场7竹跳板250 x 000mm5000 张底板施工后陆续进场8木跳板50mn厚250块底板施工后陆续进场9安全网x 6m6000 张地下施工后陆续进场10安全网x 6m4000 张地下施工后陆续进场附表一:拟投入本工程的主要施工设备表序设备规格数量国别制作额定生产用于施工备注号名称型号产地年份功率(KV)能力部位1塔吊QTZ60TC56136台湖南2015年40KW60m主体结构2物料提升机SC/2006台河北2016年55KW2T主体结构3汽车泵42米臂待定日本201342M主体结构年4插入式振捣 器ZX3015个陕西2016年3KW好主体结构5插入式振捣 器ZN5015个陕西2016年3KW好主体结构6钢筋弯曲机WJ40-18台湖南2012年4KW好主体结构7电焊机BX1-3004台广西2013年10KW好主体结构8电焊机BX-5008台河南2012年12KW好安装9钢筋切断机GQ40A4台河南2014年好主体结构10钢筋调直机GT4-144台西安2010年4KW好主体结构11直螺纹丝扣 机TS14 324台西安2012年3KW好基础12直螺纹套丝 机GTS-502台四川2013年4KW好基础13木工电刨M1B-80/11台四川2014年好主体结构14电 刨BM5031台西安2013年2KW好主体结构15木工电锯MJ120053台2010年2KW好主体结构16蛙式打夯机WH-2016台山西2011年好基础/结 构17消防水泵IS50-32-25020台2015年1KW好基础/结 构附表二:拟配备本工程的试验和检测仪器设备表序号仪器设 备名称型号 规格数 量国别 产地制造 年份已使用 台时数用途备 注1钢卷尺50米6西安2017 年新购测量2塔尺5米6西安2017 年新购测量3经纬仪DJ6-0203西安2015 年60测量4全站仪1西安2016新购测量5水准仪DZS3-15西安2013 年50测量6激光铅垂仪JD95-A2山东2013 年40测量7砂浆试模**15山东2016 年80试验8混凝土试模100*100*10015西安2016 年70试验9抗渗试模185*175*1506西安2016 年30试验10电热管5河北2012 年50试验11温控仪20天津2013 年30试验12烘箱2上海2012 年80试验13振捣台2邯郸2016 年110试验14砂子筛3四川2014 年15试验15石子筛2四川2015 年20试验16天平案秤2湖北2015 年30试验17坍落度筒2河南2012 年120试验18环刀3山西2010 年60试验19靠尺3西安2016 年20验收。

下载提示
相似文档
正为您匹配相似的精品文档
相关文档