文档详情

博雅酒店客房部SOP

人***
实名认证
店铺
DOC
964.50KB
约87页
文档ID:485652038
博雅酒店客房部SOP_第1页
1/87

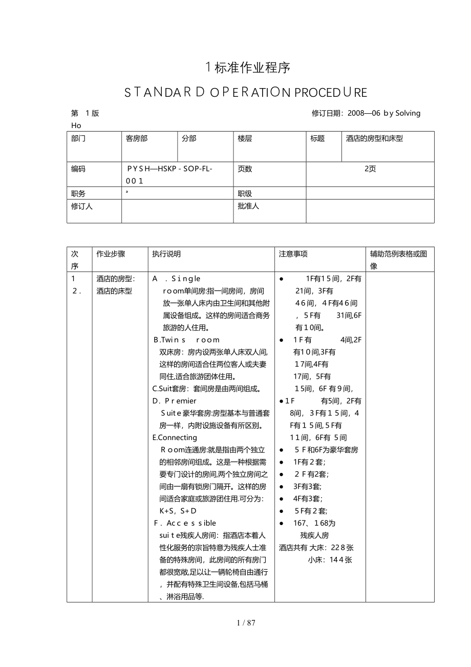
1标准作业程序STANDARD OPERATION PROCEDURE第 1 版                             修订日期:2008—06 by Solving Ho部门客房部分部楼层标题酒店的房型和床型编码PYSH—HSKP-SOP-FL-001页数2页职务ﻩ职级修订人批准人次序作业步骤执行说明注意事项辅助范例表格或图像12.酒店的房型:酒店的床型A .Single room单间房:指一间房间,房间放一张单人床内由卫生间和其他附属设备组成这样的房间适合商务旅游的人住用B.Twins room 双床房:房内设两张单人床双人间,这样的房间适合住两位客人或夫妻同住,适合旅游团体住用C.Suit套房:套间房是由两间组成D.Premier Suite豪华套房:房型基本与普通套房一样,内附设施设备有所区别E.Connecting Room连通房:就是指由两个独立的相邻房间组成这是一种根据需要专门设计的房间,两个独立房间之间由一扇有锁房门隔开这样的房间适合家庭或旅游团住用.可分为:K+S,S+DF.Accessible suite残疾人房间:指酒店本着人性化服务的宗旨特意为残疾人士准备的特殊房间,此房间的所有房门都很宽敞,足以让一辆轮椅自由通行,并配有特殊卫生间设备,包括马桶、淋浴用品等.2.1.大床的尺寸:1.8*2。

0米22小床的尺寸:1.2*2.0米●  1F有15间,2F有 21间,3F有 46间,4F有46间,5F有 31间,6F 有10间● 1F有 4间,2F 有10间,3F有 17间,4F有 17间,5F有 15间,6F 有9间,●1F 有5间,2F有 8间,3F有15间,4F有15间,5F有 11间,6F有 5间● 5F和6F为豪华套房● 1F有2套;● 2F有2套;● 3F有3套;● 4F有3套;● 5F有2套;● 167、168为残疾人房酒店共有 大床:228张    小床:144张标准作业程序STANDARD OPERATION PROCEDURE第 1 版                           修订日期:2008—06 by Solving Ho部门客房部分部楼层标题工具车、工具桶的配备标准编码PYSH—HSKP-SOP—FL-002页数2页职务ﻩ职级修订人批准人次序作业步骤执行说明注意事项辅助范例表格或图像123456.工具桶的配备标准工具桶放置 工具桶清洁工具车配备标准 工具车放置工具车清洁1。

1多功能清洁剂、“84”消毒液、洁而亮、马桶清洁剂、马桶刷、浴缸刷、百洁布等.1.2每个工具桶中所有工具都贴有标签,分类按规定位置摆放在相应的工具  桶中2.1.一进入房间,就把工具桶放在卫生间   地面,注意不得将工具桶放在地毯或   上,或房间其他地方3.1工具桶需时时保持清洁,干爽,及保持  原来摆放位置.下班前必须将工具桶  彻底清洁,补充 4.1 一次性用品(如洗发液、沐浴露、小   香皂、牙刷、梳子等),印刷品(如:信  信封  、信纸、便签纸等),布草(如浴 方巾、面 巾、方巾、地巾等4.2.工作车必须时刻保持整洁,布草袋不    得漫溢.超出车身必须倾倒每班次下班前必须按规定摆放位置  将所有备品备足,以备下一班接班后   能马上投入工作风琴包印刷品配备:按标准数量和位   位置配备.5.1为了客人行走方便和酒店财产安全,中午吃饭时,要将工作车放在工作间内,绝对不可以放在走廊6.1工作车和工具桶要随时保持清洁,例   如餐饮物品应让专职人员收走或放在   指定位置,而不能放在工作车上2下班前,要将工作车和工具桶清理干净,根据具体的配备数字标准,正确配备工作车和工具桶。

●在放置工具桶物品应注意马桶清洁用品与其他清洁用品分开放置●严禁乱拿别人工具若有标签掉,应及时更换.●清洗所有工具工具 桶  做到整洁,干爽●物品补充数量要准确,物品应摆放整齐● 清洁工作车要彻底,配备物品数字要准确标准作业程序STANDARD OPERATION PROCEDURE第 1 版                 修订日期:2008-06 by Solving Ho部门客房部分部楼层标题服务员工作单的正确填写编码PYSH-HSKP—SOP— FL —003页数2页职务职级修订人批准人次序作业步骤执行说明注意事项辅助范例表格或图像12.正确填写签名11.填写姓名,楼层,日期,班次1.2.做房时需以正确的做房顺序为原则特殊情况除外)   VC,OS,OOO保洁—-OD(速)- -VD/AR—OD—VD1.3.在房号一栏,填写服务员当天负责的所有房间房号1.4.第一格状态栏填写服务员进房之前的房态,第二格填写出来后房间的房态5.进房时间和出门的时间.需正确,认真填写,以备日后发生特殊事件时查看.1。

6.在布草一栏填写每间房间所消耗的数量,并在做完所有房间后算出当天所消耗的所有数量1.7.在借物、酒水栏填写特殊情况1.8.在工程维修栏填写需维修事宜9.在遗留物品一栏填写当日所发现的遗留物品,并记录好房间号码,物品名称及数量1.10.并把工作单下方的所有下项目按照实际情况填写完整,以备领班检查.21.领班,主管检查完房间后,在报表右上角签名● 填写需准确● 房态为准确实时房态● 相差不得超过两分钟● 在合计栏填写准确数字●妥善保管,及时交付文员标准作业程序STANDARD OPERATION PROCEDURE第 1 版                         修订日期:2008-06 by Solving Ho部门客房部分部楼层标题分房编码PYSH-HSKP-SOP- FL -004页数2页职务职级修订人批准人次序作业步骤执行说明注意事项辅助范例表格或图像12早班分房分房时应考虑以下因素:填写签名及时发现问题1.1早班领班负责在早上7:40之前给所有当班服务员分好房正常班主管每天在规定地点给所有当班楼层员工开晨会,说明一天工作的重点。

1.3早班主管通常按楼层给服务员分房,将分配给服务员房间尽量安排在同一楼层2.1.下午4:00结账离店的房间2.2.预离房在早晨打扫一遍,结账后再打扫一遍.●空的脏房●待修房●有预定的房间●套房 ●贵宾房2.3如果客人在离店当天要求打扫他/她的房间,主管在分,房给客房服务员时应注明这间房在客人离店后要再次整理好.2.4.延长住宿- 如有客人在应离店的当日选择延长住宿,前台应通知客房部联络员联络员应将此信息报告主管,再由主管通知客房服务员此房间住客要延长住宿,需要对此房间继续进行客房.3.1.在工程维修栏填写需维修事宜3.2.在遗留物品一栏填写当日所发现的遗留物品,并记录好房间号码,物品名称及数量3.3.并把工作单下方的所有下项目按照实际情况填写完整,以备领班检查.4.1.领班,主管检查完房间后,在报表右上角签名文员可以用对讲机,直接将信息传递给客房服务员以节省时间 通常在收拾房间时,客房服务员会发现实际情况与工作单不符之处.· 在已结账的房间里可能还有客人的行李· 在客房服务员工单上标明是干净的空房间,当早上服务员查房时发现客人已入住房间· 在客房服务员工作单上标明是待修的房间已有客人入住.· 电脑单上是住客房,但是房间没有人住,也没有行李。

5.2.对于早上7:00之前入住登记的房间当天会安排打扫;对于早上7:00之后入住登记的房间可根据客人的要求进行打扫●对于主管先前分配给客房服务员的房间因种种原因不需打扫情况下,主管将会再另外分配给服务员相应数量的房间作打扫如:客人在外过夜的房间或客人拒绝服务的房间●如员工工作量超出其一天的正常工作量,则由主管登记好,累计满13间房间,即做加班8小时l 应填写的数据要正确●如发生特殊情况应记录在工单上并通知楼层主管.若联系不上应立即报告客房部办公室.分房表标准作业程序STANDARD OPERATION PROCEDURE第 1 版                              修订日期:2008—06 by Solving Ho部门客房部分部楼层标题工作中注意事项编码PYSH—HSKP-SOP- FL —005页数1页职务ﻩ职级修订人批准人次序作业步骤执行说明注意事项辅助范例表格或图像123.正确使用各种机器正确使用各种清洁剂自我保护:1.1如果发现机器存在故障或潜在的危险,应立即上报1.2正确使用机器的操作按钮,以免触电(如吸尘器).1。

3当需要熨烫的布草已送入平烫机时,不要试图将其停止.2.1各种清洁剂的盖子用完后要盖好,瓶子上贴好标签1不要用箱子和移动的椅子来代替梯子进行工作,以免摔伤3.2一旦受伤要立即治理(戴口罩、手套).3.3在清洁玻璃器皿时,如不小心打碎,不要用手抓,避免划伤3.4保证消火栓里面设施齐全,状态良好,避免损坏,导致火灾发生时不能正常使用5.积极参加消防培训课程.●不要超负荷使用机器,以免电器爆炸,机器损坏或引发火灾●不要将强腐蚀性的清洁剂放置在高于自己头部的架子上,以免打翻,使自己受伤●保护自身的安全为前提标准作业程序STANDARD OPERATION PROCEDURE第 1 版                       修订日期:2008-06 by Solving Ho部门客房部分部楼层标题处理醉酒客人编码PYSH-HSKP—SOP- FL —006页数1页职务职级修订人批准人次序作业步骤执行说明注意事项辅助范例表格或图像12345处理制止询问信息协助客人记录l 如:遇到客人醉酒、乱敲门、在楼 层大吵大闹l 服务员应礼貌地阻止。

l 请求领班或保安人员协助l 了解客人要去的房间如果他不知道,可以根据他的证件和前台。

下载提示
相似文档
正为您匹配相似的精品文档