文档详情

常用的螺丝规格及使用方法

公****
实名认证
店铺
DOCX
325.38KB
约16页
文档ID:403661483
常用的螺丝规格及使用方法_第1页
1/16

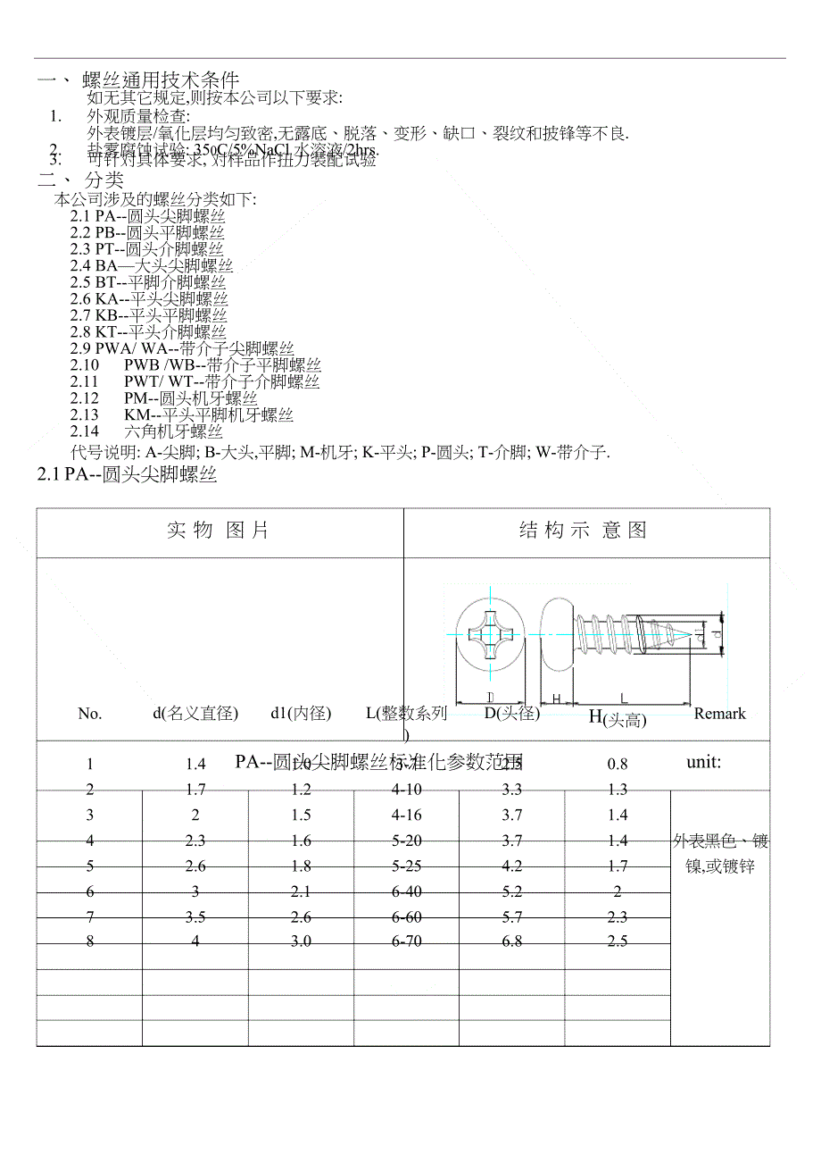
一、 螺丝通用技术条件如无其它规定,则按本公司以下要求:1. 外观质量检查:外表镀层/氧化层均匀致密,无露底、脱落、变形、缺口、裂纹和披锋等不良.2. 盐雾腐蚀试验: 350C/5%NaCl 水溶液/2hrs.3. 可针对具体要求, 对样品作扭力装配试验二、 分类本公司涉及的螺丝分类如下:2.1 PA--圆头尖脚螺丝2.2 PB--圆头平脚螺丝2.3 PT--圆头介脚螺丝2.4 BA—大头尖脚螺丝2.5 BT--平脚介脚螺丝2.6 KA--平头尖脚螺丝2.7 KB--平头平脚螺丝2.8 KT--平头介脚螺丝2.9 PWA/ WA--带介子尖脚螺丝2.10 PWB /WB--带介子平脚螺丝2.11 PWT/ WT--带介子介脚螺丝2.12 PM--圆头机牙螺丝2.13 KM--平头平脚机牙螺丝2.14 六角机牙螺丝代号说明: A-尖脚; B-大头,平脚; M-机牙; K-平头; P-圆头; T-介脚; W-带介子.实 物 图 片结 构 示 意 图PA--圆头尖脚螺丝标准化参数范围unit: mm2.1 PA--圆头尖脚螺丝No.d(名义直径)d1(内径)L(整数系列)D(头径)H(头高)Remark11.41.03-72.50.821.71.24-103.31.3321.54-163.71.442.31.65-203.71.4外表黑色、镀52.61.85-254.21.7镍,或镀锌632.16-405.2273.52.66-605.72.3843.06-706.82.510注:设计和使用中应优先选用下表中已有的螺丝规格; 如无,则应使选用的螺丝符合上表的规定参数.现有PA 圆头尖脚螺丝参数 unit: mmNo.dd1LDHP/NRemark1ψ1.4142.50.824-3064-9001/9005黑色/镀镍2ψ1.4162.50.824-0002-9001/9005黑色/镀镍3ψ1.4162.50.824-0094-9001黑色4ψ1.4172.50.824-3046-9001黑色5ψ1.4182.50.824-0019-9001牙长 4,黑色6ψ1.4182.50.824-0019-9005镀镍7ψ1.71.243.31.324-0041-9005镀镍8ψ21.543.81.524-0005-9001/9005黑色/镀镍9ψ21.553.31.224-0022-9001黑色10ψ21.573.21.224-3051-9001黑色11ψ21.583.61.424-3109-9001黑色12ψ21.593.81.424-3001-9005镀锌13ψ32.165.2224-0026-9005镀镍14ψ32.185.2224-0096-9005镀镍15ψ32.1165.32.224-3009-9005镀镍16ψ3.52.6185.7224-3007-9005镀白锌(镀镍)17ψ3.52.6972.324-0099-9005镀镍(白锌)18ψ42.4166.52.424-0083-9001/9005黑色/镀镍19ψ4256.52.424-0070-9001黑色20ψ43306.72.524-0081-9001黑色21ψ4306.52.424-0071-9001黑色22ψ42.5306.72.524-0081-9005镀镍2.2 PB--圆头平脚螺丝实 物 图 片结 构 示 意 图PB--圆头平脚螺丝标准化参数范围 unit: mmNo.d(名义直径)d1(内径)L(整数系列)D(头径)H(头高)11.41.02-62.50.821.71.23-103.31.3321.53-163.71.442.31.64-203.71.452.61.84-254.21.7632.14-405.2273.52.64-605.72.3843.04-706.72.5Remark外表黑色、镀镍,或镀锌注:设计和使用中应优先选用下表中已有的螺丝规格; 如无,则应使选用的螺丝符合上表的规定参数.现有PB 圆头尖脚螺丝参数 unit: mmNo.dd1LDHP/NRemark1ψ1.41.042.50.824-3045-9001黑色2ψ1.51.153124-3105-9001黑色3ψ1.71.343124-0038-9005镀镍4ψ1.71.353124-0032-9005镀镍5ψ1.71.353124-0032-9001黑色6ψ2ψ1.543.61.424-3097-9001黑色7ψ2ψ1.543.31.424-0004-9001黑色8ψ2ψ1.553.81.424-0006-9001/9005黑色/镀镍9ψ2ψ1.573.81.424-0062-9001黑色10ψ2ψ1.583.61.424-0072-9001黑色11ψ2ψ1.583.71.424-3072-9001/9005黑色/镀镍12ψ2ψ1.5103.71.424-3033-9001黑色13ψ2ψ1.5153.71.424-3038-9001黑色14ψ2.31.653.71.424-0008-9001黑色15ψ2.31.683.71.424-3075-9001黑色2.3 PT--圆头介脚螺丝实 物 图 片 结 构 示 意 图PT--圆头介脚螺丝标准化参数范围 unit: mmNo.d(名义直径)d1(内径)L(整数系列)D(头径)H(头高)Remark11.41.02-62.50.821.71.23-103.31.3321.53-163.71.442.31.64-203.71.4外表黑色、镀52.61.84-254.21.7镍,或镀锌632.14-405.2273.52.64-605.72.3843.04-706.82.5注:设计和使用中应优先选用下表中已有的螺丝规格; 如无,则应使选用的螺丝符合上表的规定参数.现有 PT--圆头介脚螺丝参数 unit: mmNo.dd1LHDP/NRemark1ψ2ψ1.561.3ψ3.724-3069-9005镀镍2ψ2ψ1.571.3ψ3.724-3078-9001黑色1.3ψ3.71.3ψ3.71.4ψ3.71.4ψ3.71.4ψ3.71.4ψ3.71.6ψ41.3ψ4.21.6ψ4.21.6ψ4.21.6ψ4.21.6ψ4.21.9ψ5.21.7ψ4.21.7ψ4.21.7ψ5.21.9ψ5.21.9ψ5.22ψ5.22ψ5.22ψ5.22ψ6.52ψ6.52ψ5.22ψ5.22ψ5.22ψ5.22.3ψ6.82.3ψ92.3ψ6.83ψ6.83ψ6.83ψ2ψ1.53ψ2ψ1.54ψ2.3ψ1.65ψ2.3ψ1.66ψ2.3ψ1.67ψ2.3ψ1.68ψ2.6ψ29ψ2.6ψ210ψ2.6ψ1.811ψ2.6ψ1.812ψ2.6ψ1.813ψ2.6ψ1.814ψ2.6ψ215ψ2.6ψ216ψ2.6ψ217ψ2.6ψ1.818ψ3ψ219ψ3ψ220ψ3ψ2.221ψ3ψ222ψ3ψ223ψ3ψ224ψ3ψ225ψ3ψ2.226ψ3ψ2.227ψ3ψ2.228ψ3ψ229ψ4ψ330ψ4ψ2.731ψ4ψ2.732ψ4ψ333ψ4ψ3885681145688610101210668101012121212151610121216202.4 BA—大头尖脚螺丝24-0049-900524-3049-900524-3070-900524-3084-900124-0079-900124-3082-900124-0054-900524-3071-900524-3083-900124-0009-900124-0009-900524-3083-900524-0061-900124-0010-900524-0011-900524-0034-900524-0047-。

下载提示
相似文档
正为您匹配相似的精品文档
相关文档