文档详情

M7.5浆砌片石技术交底书

亦***
实名认证
店铺
DOCX
40.54KB
约2页
文档ID:288421228
M7.5浆砌片石技术交底书_第1页
1/2

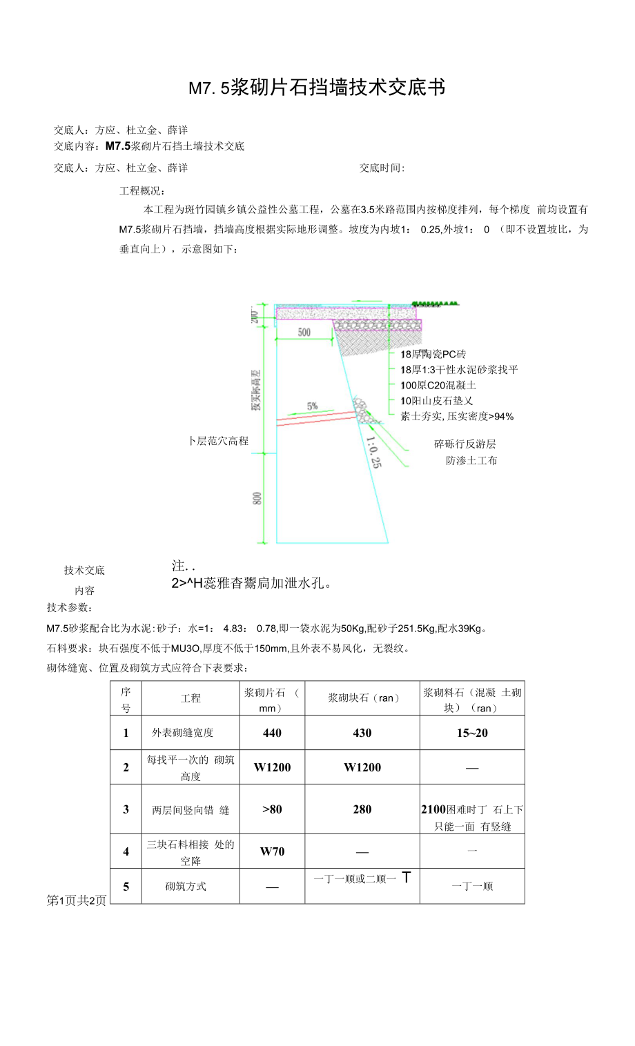
M7. 5浆砌片石挡墙技术交底书交底内容:M7.5浆砌片石挡土墙技术交底交底人:方应、杜立金、薛详交底人:方应、杜立金、薛详交底时间:工程概况:本工程为斑竹园镇乡镇公益性公墓工程,公墓在3.5米路范围内按梯度排列,每个梯度 前均设置有M7.5浆砌片石挡墙,挡墙高度根据实际地形调整坡度为内坡1: 0.25,外坡1: 0 (即不设置坡比,为垂直向上),示意图如下:技术交底内容18厚陶瓷PC砖18厚1:3干性水泥砂浆找平100原C20混凝土10阳山皮石垫乂素士夯实,压实密度>94%卜层范穴高程碎砾行反游层防渗土工布注..2>^H蕊雅杳鬻扃加泄水孔技术参数:M7.5砂浆配合比为水泥:砂子:水=1: 4.83: 0.78,即一袋水泥为50Kg,配砂子251.5Kg,配水39Kg石料要求:块石强度不低于MU3O,厚度不低于150mm,且外表不易风化,无裂纹砌体缝宽、位置及砌筑方式应符合下表要求:序号工程浆砌片石 (mm)浆砌块石(ran)浆砌料石(混凝 土砌块)(ran)1外表砌缝宽度44043015~202每找平一次的 砌筑高度W1200W1200—3两层间竖向错 缝>802802100困难时丁 石上下只能一面 有竖缝4三块石料相接 处的空降W70—一5砌筑方式—一丁一顺或二顺一 T一丁一顺笫1页共2页技术交底 内容技术交底条款:1、挡十•墙砌筑前必须先进行施工放样,砌筑时先两面立杆挂线或者样板挂线,尤其是 弧形段施工前,必须先让现场施工员进行整体线性核对\2、为保证坡比,外墙必须进行挂线以保证垂直度,内墙根据外堵高度进行坡比放样, 每米减少25厘米,进行逐级收坡,必须经常自查自检。

并H.在砌筑过程中,要经常检 查挂线是否垂直3,挡土墙每隔3米布置10公分圆形泄水孔,采用PVC管布置,如假设高度缺乏3米, 那么在离下层墓穴高度10-20cm布设,且泄水孔内侧必须设置碎砾石反滤层(20cm高, 10cm厚),反滤层采用防渗土工布包裹4、浆砌片石厚度不应小于150mm,即薄片石不允许用于挡土墙砌筑且砌体石料的 强度须质地坚硬,不易风化,无裂纹5、挡墙每10~15米设置一道沉降缝,沉降缝宽2cm6、本挡土墙上口往下200mm需进行砂浆抹面处理,抹面厚度为20mm7、挡土墙外露局部或转角石,应选用外表较平整和尺寸较大的块石,且错缝整体美观 性要好8、各砌层之间的块石应安放稳固,且块石均应坐浆在新拌的水泥砂浆上,块石之间必 须砂浆饱满、粘结牢固、无空间及宽缝、假缝施工的平安质量及进度保证措施:一、平安施工要求1、所有进入施工现场的施工人员必须佩戴平安帽等劳保用品2、作业人员不得穿拖鞋、高跟鞋、硬底易滑鞋进入施工现场3、夜间施工必须保证有充足的灯火照明4、禁止酒后作业5,所有进场施工的机械设备必须持有合格证,机械操作手必须持证上岗6、现场施工用电严格采用“三级配电、二级保护”,做到一机、一闸、一箱、一漏、 一保,每个用电设备必须由各自的专用开关箱。

二、施工质量要求1、参考技术交底条款逐项进行验收,验收不合格处,现场施工员提出整改要求,并进 行限期整改,所有产生整改班用由施工队伍自行承当2、启用自检体系,在班组仔细了解施工工艺及质量要求后,每个工序进行自检,自检 合格后上报施工员,由施工员验收,验收合格后方可进行上报三、施工进度要求(天)1、由于本工程工期比拟紧张,只有进入施工场地,必须紧绷线绳,加快生产进度在 满足平安、质量的前提下,猛抓生产进度2、在牛.产过程中,出现问题及时与现场施工员沟通,并协调处理尤其是在涉及机械、 材料等问题上,一定要提前沟通,以便施工员及时处理,不耽误现场生产3、我方有权根据现场施工进度要求班组增加人力、物力的投入,并且对于屡次劝解无 效的班组或者人员具有清退的权利接受交底人:笫2页共2页。

下载提示
相似文档
正为您匹配相似的精品文档