文档详情

大型储罐计算书

壹****1
实名认证
店铺
DOCX
325.49KB
约18页
文档ID:396205123
大型储罐计算书_第1页
1/18

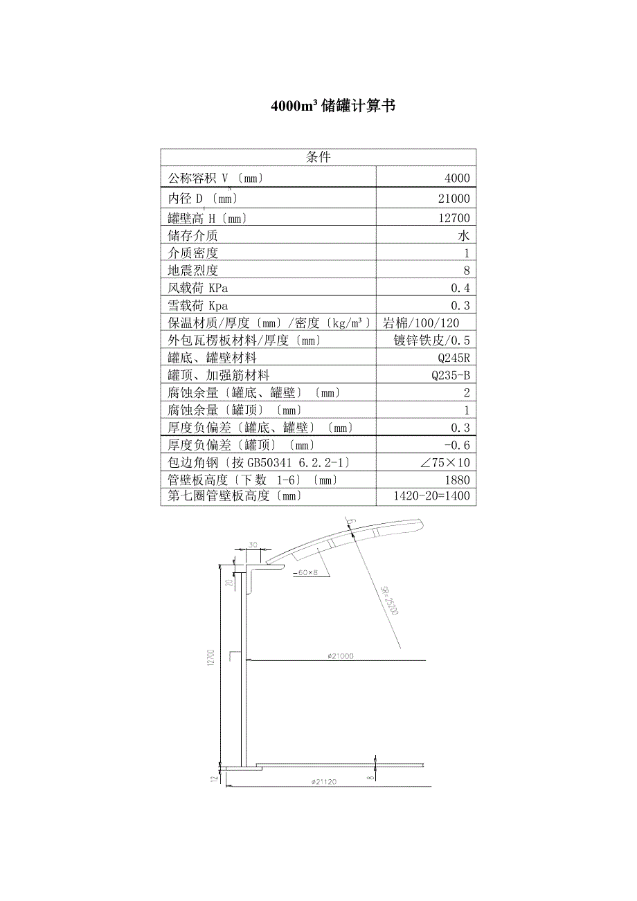
条件4000m³储罐计算书公称容积 V 〔mm〕4000N内径 D 〔mm〕21000i罐壁高 H〔mm〕12700储存介质水介质密度1地震烈度8风载荷 KPa0.4雪载荷 Kpa0.3保温材质/厚度〔mm〕/密度〔kg/m³〕岩棉/100/120外包瓦楞板材料/厚度〔mm〕镀锌铁皮/0.5罐底、罐壁材料Q245R罐顶、加强筋材料Q235-B腐蚀余量〔罐底、罐壁〕〔mm〕2腐蚀余量〔罐顶〕〔mm〕1厚度负偏差〔罐底、罐壁〕〔mm〕0.3厚度负偏差〔罐顶〕〔mm〕-0.6包边角钢〔按 GB50341 6.2.2-1〕∠75×10管壁板高度〔下数 1-6〕〔mm〕1880第七圈管壁板高度〔mm〕1420-20=140010一、 计算个圈壁板厚度1、计算罐壁板厚度,确定罐底板、罐顶板厚度: 用GB50341-2023 中公式〔6.3.1-1〕计算罐壁厚度t = 4.9D (H - 0.3)rd [s ] jd式中: td—储存介质条件下管壁板的计算厚度,mmD —油罐内径〔m〕〔21m〕H —计算液位高度〔m〕,从所计算的那圈管壁板底端到罐壁包边角钢顶部的高度,或到溢流口下沿〔有溢流口时〕的高度〔12.7m〕r —储液相对密度〔1.0〕[s ] —设计温度下钢板的许用应力,查表 4.2.2〔157MPa〕dj —焊接接头系数〔0.9〕第 1 圈: td= 4.9 ´ 21´ (12.7 - 0.3) ´1.0 = 8.7mm 163´ 0.9d =8.7+2.3=11mm 取 12mmn第 2 圈: td= 4.9 ´ 21´ (12.7 - 0.3 -1.88) ´1.0 = 7.38mm 163´ 0.9d =7.38+2.3=9.68mm 取 12mmn第 3 圈: td= 4.9 ´ 21´ (12.7 - 0.3 - 2 ´1.88) ´1.0 = 6.06mmd 163´ 0.9=6.06+2.3=8.36mm 取 10mmn第 4 圈: tddn= 4.9 ´ 21´ (12.7 - 0.3 - 3´1.88) ´1.0 = 4.74mm163´ 0.9=4.74+2.3=7.04mm 取 8mm依据表 6.4.4,罐壁最小厚度得最小厚度为 6+2=8mm,故第 5、6、7 圈取 8mm。

i 圈〔下数〕1234567壁厚1212108888二、罐底、罐顶厚度、表边角钢选择〔按 GB50341 规定〕 罐底板厚度:查表 5.1.1,不包括腐蚀余量的最小公称直径为 6mm,加上腐蚀余量 2mm,中幅板厚度为 8mm查表 5.1.2,不包括腐蚀余量的最小公称直径为11mm,加上腐蚀余量 2mm,取边缘板厚度为 14mm罐顶板厚度:查 7.1.3,罐顶板不包括腐蚀余量的公称厚度不小于 4.5mm, 加上 1mm 的腐蚀余量后取 6mm包边角钢:按 GB50341 表 6.2.2-1,选∠75×10罐顶加强筋:-60×8 三、罐顶板数据计算:①分片板中心角〔半角〕a 〔D / 2 - 30〕 〔21000 / 2 - 30〕= arcsin1i SR = arcsin 25200 = 24.55°②顶板开孔〔φ2200〕中心角〔半角〕a = arcsin2r 1100= arcsin = 2.5°SR 25200顶板开孔直径参照《球罐和大型储罐》中表 5-1 来选取工程容积 m³100-7001000-500010000中心顶板孔直径φ1500 φ2023 φ210030000φ3600注:中心顶板与拱顶扇形顶板的搭接宽度一般取50mm,考虑到分片板最小弧长不小于 180mm,故取φ2200mm③分片板开放半径R = SRtga1 1= 25200 ´ tg25.44° = 11511mmR = SRtga2 2= 25200 ´ tg2.5° = 1100mm④分片板开放弧长:A⌒D = 2pSR ´〔a-a 〕=2 ´p ´ 25200 ´〔24.55 - 2.5〕= 9698mm360 1 2 360⑤分片板大小头弧长:大头: ⌒p〔D - 2 ´ 30〕 p ´〔21000 - 60〕AB=i + D = + D = 1535mmn 44小头:C⌒D= 2pr+ D =2 ´p ´1100 + D = 197mmn 44⑥中心顶板开放弧长⌒L = 〔22p × SR ×a2 ´p ´ 25200 ´ 2.52 〕+ 2 ´ 50 = 〔2 〕+ 2 ´ 50 = 2299mm360 360四、拱顶高度计算h = SR -n内侧拱顶高:SR 2 - (D /2 - 30)2i外侧拱顶高:= 25200 -252023 - (21000/2 - 30)2h = 2278 + 6 = 2284mmw= 2278mm五、盘梯计算计算参数:H —罐壁高度,mm〔12700〕 R g i—罐内半径,mm〔10500〕SR —拱顶半径,mm〔25206〕 a —内侧板升角〔45°〕WR —内侧板半径,mm〔 Rn n=10500+12+150=10662mm〕B —盘梯宽度〔内外板中心距〕取 656mm,板宽 150mm,板厚 6mm1、 平台高度h = h +1 w- SRSR 2 - (R - L)2WiW252062 - (10500 -1000)2= 2284 +H = 12700 + 425 = 13125mm- 25206 = 425mm式中: h —平台支撑角钢上外表至包边角钢上外表的距离,mm1L—平台端部至罐内外表的距离,一般取 800-1000mm, 取L=1000mm2、内侧板开放长度L =〔H - Hn〕 2 = (13125-100)´3= 18420mm2式中: H3—盘梯下端至罐底上外表的距离,mm,≮50mm,取100mm3、外侧板开放长度L = 0.7071Lw n= 0.7071´18420 ´ 1 +〔1+ 〕2 •= 18995mm1+〔1 + R 〕2nB656106624、三角架个数n =〔H - x〕=L3(13125 -1225)1700= 7个式中:x—第一个三角架到罐底上外表的距离,mm 取 1225mmL —相邻三角架的垂直距离,mm 一般 1500-2023mm35、三角架在罐壁上的水平位置0Ra = h - b 2 Rn 〔 n 1 〕式中: bhn—内侧板及外侧板的宽度,mm,一般取 150mm1— 第n 个三角架平台外表的距离,n×1700mmnR —底圈壁板外半径,mm 〔10500+12=10512mm〕0R —内侧板半径mm 〔10662〕na1=〔1700 -1505122 10〕10662= 1467mma2=〔2 ´1700 -150a3=〔3´1700 -1505122 10〕106622 10〕51210662= 3143mm= 4819mma4=〔4 ´1700 -1505122 10〕10662= 6495mma5=〔5 ´1700 -1505122 10〕10662= 8171mma6=〔6 ´1700 -1505122 10〕10662= 9847mma7=〔7 ´1700 -1505122 10〕10662= 11523mm6、盘梯包角-H Ha = 3× 180= 13119 - 100 × 180= 69.96° ≈70°b R p 10662 pn六、带肋球壳稳定性验算t t 1[P] = 0.0001E〔 m 〕2 〔× n 〕2R ts m〔C.2.1-1〕式中: [P] —带肋求壳的许用外载荷,KPa E—设计温度下钢材的弹性模量,MPa 查表 4.1.6 得 192×103 MPaR —球壳的曲率半径,mm RS S=SR=25200mmt —罐顶板有效厚度,mm tn n=6-C=6-1-0.6=4.4mmt —带肋球壳的折算厚度,mmm3t 31m+ 2t 3 + t 3n 2m4=〔C.2.1-2〕tmt 3式中: =´[ hb〔 h 2+ h t+ t 2 〕+ t 3- n t e] 〔C.2.1-3〕121111m Lnnn21s3 2 4 121 n 11nnn2t 312= ´[ hb 〔 h 2 + h t+ t 2 〕+ t 3 - n t e] 〔C.2.1-4〕22222m L2s3 2 4 122 n 2n = 1 + h1 b1〔C.2.1-5〕1 t Ln 1Sn = 1 + h 2 b 2 〔C.2.1-6〕2 t Ln 2 S式中: t 31m—纬向肋与顶板组合截面的折算厚度,mmh —纬向肋宽度,mm 〔高度 60〕1b —纬向肋有效厚度mm〔8-〔2×1+0.8〕=5.2〕1L —纬向肋在径向的间距,mm〔1228〕1sn —纬向肋与顶板在径向的面积折算系数1n = 1 + h1b1。

下载提示
相似文档
正为您匹配相似的精品文档
相关文档