文档详情

弱电常用图形符号

枫**
实名认证
店铺
DOC
2.99MB
约11页
文档ID:531922231
弱电常用图形符号_第1页
1/11

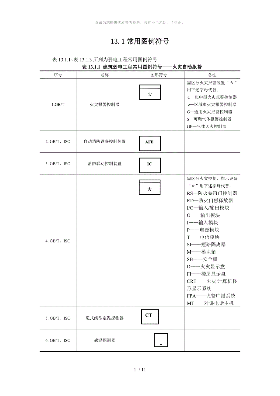
真诚为您提供优质参考资料,若有不当之处,请指正13.1常用图例符号表13.1.1~表13.1.3所列为弱电工程常用图例符号表13.1.1 建筑弱电工程常用图例符号——火灾自动报警序号名称图形符号备注1.GB/T火灾报警控制器*需区分火灾报警装置“*”用下述字母代替:C—集中型火灾报警控制器z—区域型火灾报警控制器G—通用火灾报警控制器S—可燃气体报警控制器GE—气体灭火控制盘2. GB/T、ISO自动消防设备控制装置AFE3. GB/T、ISO消防联动控制装置IC4. GB/T、ISO*需区分火灾控制、指示设备“*”用下述字母代替:RS—防火卷帘门控制器RD—防火门磁释放器I/O—输入/输出模块O——输出模块I——输入模块P——电源模块T——电信模块SI——短路隔离器M——模块箱SB——安全栅D——火灾显示盘FI——楼层显示盘CRT——火灾计算机图形显示系统FPA——火警广播系统MT——对讲主机5. GB/T、ISO缆式线型定温探测器CT6. GB/T、ISO感温探测器7. GB/T、ISO感温探测器(非地址码型)N8. GB/T、ISO感烟探测器9. GB/T、ISO感烟探测器(非地址码型)N10. GB/T、ISO感烟探测器(防爆型)EX11. GB/T、ISO感光火灾探测器12. GB/T、ISO气体火灾探测器(点式)13. GA/T复合式感烟感温火灾探测器14.GA/T复合式感光感烟火灾探测器15 GA/T点型复合式感光感温火灾探测器16. GA/T线型差定温火灾探测器17. ZBC、GA/T线型光束感烟火灾探测器(发射部分)18. ZBC、GA/T线型光束感烟火灾探测器(接收部分)19. GA/T线型光束感烟感温火灾探测器(发射部分)20. GA/T线型光束感烟感温火灾探测器(接收部分)21. GA/T线型可燃气体探测器22. GB/T手动火灾报警按钮23. GB/T消火栓起泵按钮24. GB/T、ISO火灾报警机(对讲机)25. ZBC、GB/T火灾插孔(对讲插孔) 26. GB/T、ISO带手动报警按钮的火灾插孔)27. GB/T、ISO火警电铃28. GB/T、ISO警报发声器29. GA/T火灾光警报器30. GA/T火灾声、光警报器31. GA/T火灾警报扬声器32. GA/T水流指示器 33. GB/T、ISO压力开关34. GB/T、ISO带监视信号的检修阀35.报警阀36.防火阀(需表示风管的平面图用)37.防火阀(70℃熔断关闭) 38.防烟防火阀(24V控制,70℃熔断关闭) 39.防火阀(280℃熔断关闭)40.防烟防火阀(24V控制,280℃熔断关闭)41.排烟防火阀42.增压送风口 43.排烟口44. GB/T、ISO应急疏散指示标志灯45. GB/T、ISO应急疏散指示标志灯(向右)46. GB/T、ISO应急疏散指示标志灯(向左)47. GB/T、ISO应急疏散照明灯48. GB/T、ISO消火栓49. GB/T、ISO配电箱(切断非消防电源用)50.电控箱(电梯迫降)51.电控箱注:K——空调机电控箱P一排烟或排风机电控箱J——正压送风机或进风机电控箱XFB——消防泵电控箱PLB——喷淋泵电控箱52.紧急启、停按钮53.启动钢瓶54.放气指示灯55.排风扇56.煤气管道阀门执行器表13.1.2 建筑弱电工程常用图例符号——公共广播序 号名 称图形符号备注1.GB天线2. GB/T、IEC调谐器、无线电接收机3.调幅调频收音机4.GB/T、IEC放音机、唱机5.GB/T、IEC带录音机6.双卡录放音机7.自动放音机8.自动录音机9.激光唱机10.GB/T、IEC光盘式播放机11.传声器一般符号12.呼叫站13.GB/T、IEC需指出放大器设备的种类在符号处就近“﹡”用下述字母替代标注:A——扩大机PRA——前置放大器AP——功率放大器14.需要注明扬声器的型式时在符号附近注“﹡”用下述文字标注:C——吸顶式安装型扬声器R——嵌入式安装型扬声器W——壁挂式安装型扬声器15.吊顶内扬声器箱16.GB/T、IEC扬声器箱、音箱、声柱17.GY/T高音号筒式扬声器18.客房床头控制柜19.GA/T火灾警报扬声器20.音频变压器21. GY/T电平控制器22.监听器23.分路广播控制盘24.带火灾事故广播的分路广播控制盘25.火灾事故广播切换器26.火灾事故广播联动控制信号源27.蓄电池28.直流配电盘29.直流稳压电源30.广播分线箱31.端子箱32.端子板33.继电器线圈34.匹配电阻、匹配负载35.保安器36.广播线路37.调频FM38.调幅AM表13.1.3建筑弱电工程常用图例符号——电视系统序 号名 称图形符号备注1. GB/T、IEC天线一般符号2.带矩形波导馈线的抛物面天线3. GB/T、IEC放大器一般符号中断器一般符号4. GB/T、IEC混合网络5. 二路分配器6.三路分配器7.四路分配器8.定向耦合器9.信号分支一般符号10.系统出现端11.均衡器12.可变均衡器13.衰减器14.可变衰减器15.高通滤波器16.低通滤波器17.带通滤波器18.带阻滤波器19.陷波器20.调制器、调节器或鉴别器一般符号21.匹配终端22.彩色电视接收机23.卫星电视接收机 24.线路供电器(示出交流型)25.供电阻断器(示在一条分配馈线上)26.有限电视接收天线27.高频避雷器28.视频通路(电视)29.光纤或光缆一般符号30.光发射机31.光接收机32.GB光电转换器33.GB电光转换器表13.1.4建筑弱电工程常用图例符号——通信系统序 号名 称图形符号备注1.建筑群配线架2.主配线架3.楼层配线架4.程控交换机5.集线器6.光缆配线设备7.信息插座8.综合布线接口9.架空交接箱A:编号B:容量10.落地交接箱A:编号B:容量11.壁龛交接箱A:编号B:容量12.挂墙交接箱A:编号B:容量13.电信插座一般符号14.出线盒15.机一般符号16.按键式机17.机一般符号 / 。

下载提示
相似文档
正为您匹配相似的精品文档