文档详情

3、风荷载取值.doc

汽***
实名认证
店铺
DOC
305KB
约6页
文档ID:550273519
3、风荷载取值.doc_第1页
1/6

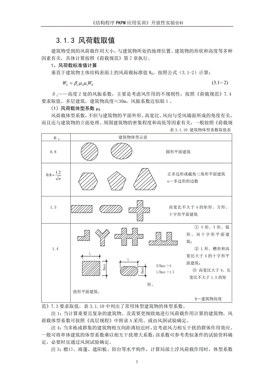
《结构程序PKPM应用实训》开放性实验资料3.1.3 风荷载取值建筑物受到的风荷载作用大小,与建筑物所处的地理位置、建筑物的形状和高度等多种因素有关,具体计算按照《荷载规范》第7章执行1、风荷载标准值计算垂直于建筑物主体结构表面上的风荷载标准值WK,按照公式(3.1-2)计算:βz——高度Z处的风振系数,主要是考虑风作用的不规则性,按照《荷载规范》7.4要求取值多层建筑,建筑物高度<30m,风振系数近似取11)风荷载体型系数µS风荷载体型系数,不但与建筑物的平面外形、高宽比、风向与受风墙面所成的角度有关,而且还与建筑物的立面处理、周围建筑物的密集程度和高低等因素有关,一般按照《荷载规表3.1.10 建筑物体型系数取值表μs建筑物体型示意0.8圆形平面建筑正多边形或截角三角形平面建筑n-多边形的边数1.3高宽比不大于4的矩形、方形、十字形平面建筑1.4① V形、Y形、弧形、双十字形平面建筑; ② L形、槽形和高宽比大于4的十字形平面建筑; ③ 高宽比大于4、长宽比不大于1.5的矩形、鼓形平面建筑H-建筑物高度范》7.3要求取值,表3.1.10中列出了常用体型建筑物的体型系数注1:当计算重要且复杂的建筑物、及需要更细致地进行风荷载作用计算的建筑物,风荷载体型系数可按照《高层规程》中附录A采用、或由风洞试验确定。

注4:当多栋或群集的建筑物相互间距离较近时,宜考虑风力相互干扰的群体作用效应一般可将单体建筑的体型系数乘以相互干扰增大系数,该系数可参考类似条件的试验资料确定,必要时宜通过风洞试验确定注3:檐口、雨蓬、遮阳板、阳台等水平构件,计算局部上浮风荷载作用时,体型系数不宜小于2.0注4:验算表面围护结构及其连接的强度时,应按照《荷载规范》7.3.3规定,采用局部风压力体型系数2)风压高度变化系数µz设置风压高度变化系数,主要是考虑建筑物随着高度的增加风荷载的增大作用对于位于平坦或稍有起伏地形上的建筑物,其风压高度变化系数应根据场地粗糙程度按《荷载规范》7.2要求选用,表3.1.11中列出了常用风压高度变化系数的取值要求表3.1.11 风压高度变化系数离地面或海平面高度(m)地面粗糙度类别ABCD51015201.171.381.521.631.001.001.141.250.740.740.740.840.620.620.620.62304050601.801.922.032.121.421.561.671.771.001.131.251.350.620.730.840.93附注:对位于山区的建筑物,按照本表确定的风压高度变化系数必须考虑地形条件的修正,详《荷载规范》7.2.2。

关于地面粗糙程度的分类:A类:近海海面、海岛、海岸、湖岸及沙漠地区;B类:田野、乡村、丛林、丘陵以及房屋比较稀疏的乡镇和城市郊区;C类:有密集建筑群的城市市区;D类:有密集建筑群和且房屋较高的城市市区3)基本风压值W0基本风压值W0,单位kN/m2,以当地比较空旷平坦场地上离地10m高、统计所得50年一遇10分钟平均最大风速为标准确定的风压值,各地的基本风压可按照《荷载规范》附录D中的全国基本风压分布图查用,表3.1.12为浙江省主要城镇基本风压取值参考表2、基本风压的取值年限《荷载规范》在附录D中分别给出了n=10年、n=50年、n=100年一遇的基本风压标准值,工程设计中根据建筑物的使用性质与功能要求,一般按照下列方法选用风压标准值的取值年限:① 临时性建筑物:取n=10年一遇的基本风压标准值;② 一般的工业与民用建筑物:取n=50年一遇的基本风压标准值;③ 特别重要的建筑物、或对风压作用比较敏感的建筑物(建筑物高度大于60m):取表3.1.12 浙江省主要城镇基本风压(kN/m2)取值参考表城镇名称海拔高度(m)基本风压(kN/m2)n=10年n=50年n=100年杭州市41.70.300.450.50临安县天目山1505.90.550.700.80平湖县乍浦5.40.350.450.50慈溪市7.10.300.450.50嵊泗79.60.851.301.55嵊泗县嵊山124.60.951.501.75舟山市35.70.500.851.00金华市62.60.250.350.40嵊县104.30.250.400.50宁波市4.20.300.500.60象山县石浦128.40.751.201.40衢洲市66.90.250.350.40丽水市60.80.200.300.35龙泉198.40.200.300.35临海市括苍山1383.40.600.901.05温州市6.00.350.600.70椒江市洪家1.30.350.550.65椒江市下大陈86.20.901.401.65玉环县坎门95.90.701.201.45瑞安市北麂42.30.951.601.90附注:表中未列城镇的基本风压按照《荷载规范》附录D中的全国基本风压分布图查用。

n=100年一遇的基本风压标准值;在没有100年一遇基本风压标准值的地区,可近似将50年一遇的基本风压值标准值乘以1.1(经验系数)以后采用3、关于风荷载作用的方向问题建筑物受到的风荷载作用来自各个方向,风荷载的主要作用方向与建筑物所在地的风玫瑰图方向一致(全国主要城市风玫瑰图,可以查相应的建筑设计资料)工程设计中,一般按照风荷载作用的最大值,来计算建筑物受到的风荷载作用效应对于抗侧力构件相互垂直布置的建筑物:一般按照两个相互垂直的主轴方向来考虑风荷载的作用效应,详图3.1.3a所示图3.1.3a 抗侧力构件垂直布置示意图 图3.1.3b 抗侧力构件多向布置示意图 对于抗侧力构件多向布置的建筑物:一般按照抗侧力构件布置方向,沿着相互垂直的主轴方向次依考虑风荷载的作用效应,详图3.1.3b所示注意:同一方向,左风荷载作用效应和右风荷载作用效应要分别进行计算 4、风洞试验《高层规程》3.2.8明确,对于特别重要的建筑物、特别不规则的建筑物,风荷载标准值计算公式(3.1-2)中的相关计算参数有必要通过风洞试验来确定,以便较精确地计算建筑物受到的风荷载作用效应,确保建筑结构的抗风能力。

一般建筑物高度大于200m、或建筑物高度大于150m但存在下列情况之一时,宜采用风洞试验来确定建筑物的风荷载作用参数① 平面形状不规则,立面形状复杂;② 立面开洞或连体建筑;③ 规范或规程中没有给出体型系数的建筑物;④ 周围地形或环境较复杂风洞试验通常由有试验能力和试验资质的高等院校、科研院所完成,按照一定比例制作的建筑物模型置于人工模拟的风环境中,模型上不同部位埋设一定数量的电子测压孔,通过压力传感器输出电流信号、通过数据采集仪自动扫描记录并转为相关的数字信号,再经过一系列的计算机数据处理、模拟分析,可以得到建筑物受到的平均风压力和波动风压力值,供设计采用多层建筑物,房屋高度小,风荷载作用影响较小,一般不做风洞试验5、梯度风基本风压与风速有关,一般风速由地面为零沿高度方向按照曲线逐渐增大,直至距离地面某一高度处达到最大值,上层风速度受地面影响较小,风速较为稳定不同的地表面粗糙度使风速沿高度增加的梯度(速率)不同,详图3.1.4所示,风速变化的这种规律,称为梯度风图3.1.4 风速随高度变化示意图 6、特殊情况下基本风压的取值① 当重现期为任意年限R时,相应风压值可按照公式(3.1-2a)进行近似计算:式中:XR——重现期为R年的风压值(kN/m2); X10——重现期为10年的风压值(kN/m2); X100——重现期为100年的风压值(kN/m2)。

② 当城市或建设地点的基本风压值在“全国基本风压分布图”上没有给出时,可根据附近地区规定的基本风压或长期观测资料,通过气象或地形条件的对比分析确定在分析当地的年最大风速时,往往会遇到其实测风速的条件不符合基本风压规定的标准条件,因而必须将实测的风速资料换算为标准条件的风速资料,然后再进行分析情形一:当实测风速的位置不是l0m高度时,标准条件风速的换算原则上应由气象台站根据不同高度风速的对比观测资料,并考虑风速大小的影响,给出非标准高度风速的换算系数,以确定标准条件高度的风速资料当缺乏相应的观测资料时,可近似按照公式(3.1-2b)进行换算:式中:ν——标准条件下l0m高度处、时距为10分钟的平均风速值(m/s);νz——非标准条件下z高度(m)处、时距为10分钟的平均风速值(m/s);α——实测风速高度换算系数,可根据设计手册,近似按表3.1.13取值表3.1.13 实测风速高度换算系数参考表实际风速高度(m)468101214161820α1.1581.0851.03610.9710.9480.9280.9100.895情形二:当最大风速资料不是时距10分钟的平均风速时,标准条件风速的换算虽然世界上不少国家采用基本风压标准值中的风速基本数据为10分钟时距的平均风速,但也有一些国家不是这样。

因此对某些国外工程需要按照我国规范设计时,或国内工程需要与国外某些设计资料进行对比时,会遇到非标准时距最大风速的换算问题实际上时距10分钟的平均风速与其它非标准时距的平均风速的比值是不确定的,表3.1.14给出了非标准时距平均风速与时距10分钟平均风速的换算系数,必要时可按照公式(3.1-2c)做近似换算:式中:ν——时距为10分钟的平均风速值(m/s);νt——时距为t分钟的平均风速值(m/s); β——换算系数,可根据设计手册,近似按表3.1.14取用表3.1.14 不同时距与10分钟时距风速换算系数参考表实际风速时距1小时10分钟5分钟2分钟1分钟0.5分钟20秒钟10秒钟5秒钟瞬时β0.9411.071.161.201.261.281.351.391.5情形三:当已知风速重现期为T年时,标准条件风压的换算当已知10分钟时距平均风速最大值的重现期为T年时,其基本风压与重现期为50年的基本风压的关系,可按照公式(3.1-2d)进行简单换算:式中:W0——重现期为50年的基本风压值(kN/m2); W——重现期为T年的基本风压值(kN/m2); γ——换算系数,可根据设计手册,近似按表3.1.15取用。

表3.1.15 不同重现期与重现期为50年的基本风压的换算系数参考表重现期为T年5年10年15年20年30年50年100年γ0.629。

下载提示
相似文档
正为您匹配相似的精品文档