文档详情

猪舍设计的环境参数

桔****
实名认证
店铺
DOC
69KB
约2页
文档ID:435513462
猪舍设计的环境参数_第1页
1/2

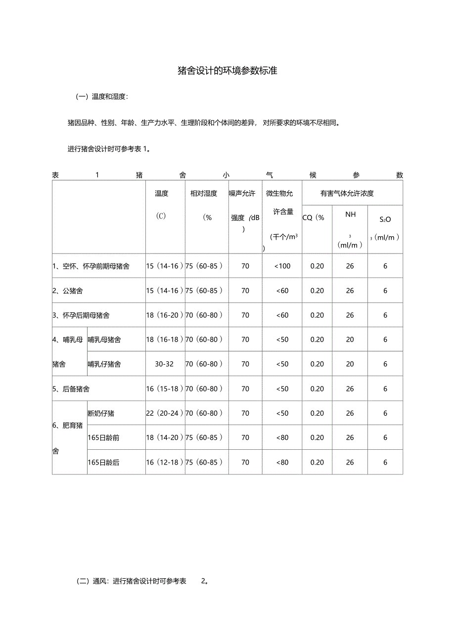
猪舍设计的环境参数标准(一)温度和湿度:猪因品种、性别、年龄、生产力水平、生理阶段和个体间的差异, 对所要求的环境不尽相同进行猪舍设计时可参考表 1表1猪舍小气候参数温度相对湿度噪声允许微生物允有害气体允许浓度(C)(%强度(dB)许含量(千个/m3)CQ (%NH3(ml/m )S2O3 (ml/m )1、空怀、怀孕前期母猪舍15 (14-16 )75 (60-85 )70<1000.202662、公猪舍15 (14-16 )75 (60-85 )70<600.202663、怀孕后期母猪舍18 (16-20 )70 (60-80 )70<600.202664、哺乳母哺乳母猪舍18 (16-18 )70 (60-80 )70<500.20206猪舍哺乳仔猪舍30-3270 (60-80 )70<500.202065、后备猪舍16 (15-18 )70 (60-80 )70<500.202666、肥育猪舍断奶仔猪22 (20-24 )70 (60-80 )70<500.20266165日龄前18 (14-20 )75 (60-85 )70<800.20266165日龄后16 (12-18 )75 (60-85 )70<800.20266表2猪舍通风量参数换气量(m/h.kg )气流速度(m/s)冬季过渡季夏季冬季过渡季夏季1、空怀、怀孕前期母猪舍0.350.450.600.30.3<1.02、公猪舍0.450.600.700.20.2<1.03、怀孕后期母猪舍0.350.450.600.20.2<1.04、哺乳母猪舍哺乳母猪舍0.350.450.600.150.15<0.4哺乳仔猪舍0.350.450.600.150.15<0.45、后备猪舍0.450.550.650.300.30<1.06、肥育猪舍断奶仔猪0.350.450.600.200.20<0.6165日龄前0.350.450.600.200.20<1.0165日龄后0.350.450.600.200.20<1.0(三)光照: 自然采光系数(窗地比)要达到如下标准:空怀母猪舍、妊娠母猪舍、公猪舍、产房、带仔母猪舍为 1 : 10-12,断奶至4月龄育成猪舍、后备猪舍 1: 10,育肥猪舍1:15-20。

二)通风:进行猪舍设计时可参考表 2。

下载提示
相似文档
正为您匹配相似的精品文档
相关文档