文档详情

7钢管混凝土及压型钢板施工专项方案

鲁**
实名认证
店铺
DOC
4.44MB
约12页
文档ID:530607837
7钢管混凝土及压型钢板施工专项方案_第1页
1/12

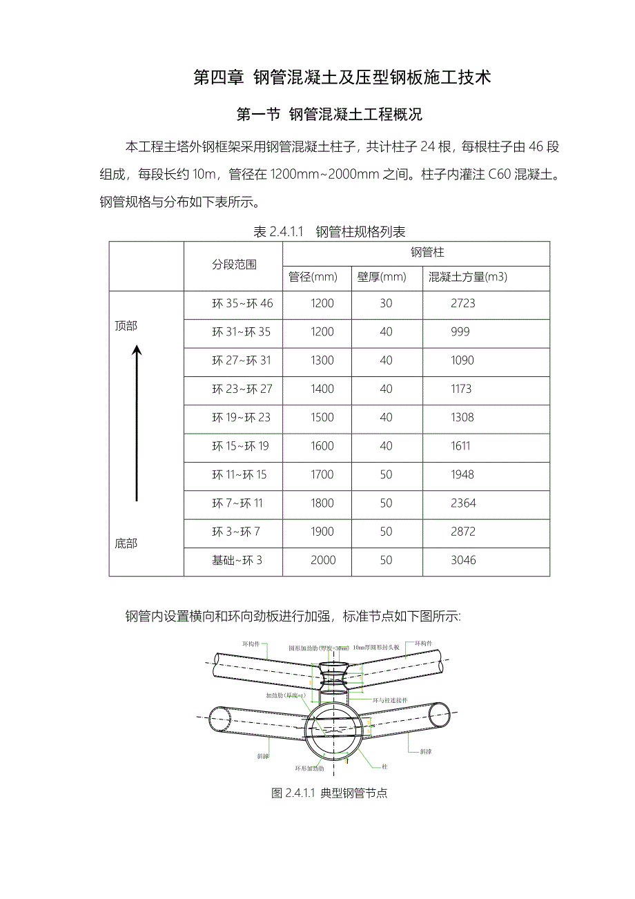
第四章 钢管混凝土及压型钢板施工技术第一节 钢管混凝土工程概况本工程主塔外钢框架采用钢管混凝土柱子,共计柱子24根,每根柱子由46段组成,每段长约10m,管径在1200mm~2000mm之间柱子内灌注C60混凝土钢管规格与分布如下表所示表2.4.1.1 钢管柱规格列表分段范围钢管柱管径(mm)壁厚(mm)混凝土方量(m3)顶部底部环35~环461200302723环31~环35120040999环27~环311300401090环23~环271400401173环19~环231500401308环15~环191600401611环11~环151700501948环7~环111800502364环3~环71900502872基础~环32000503046钢管内设置横向和环向劲板进行加强,标准节点如下图所示:图2.4.1.1 典型钢管节点表2.4.1.2 钢管混凝土方量统计表柱子编号柱尺寸2000×501900×501800×501700×501600×401500×401400×401300×401200×401200×30面积2.99 2.69 2.41 2.14 1.91 1.67 1.45 1.25 1.06 0.90 01 长度(m)32.00 45.60 42.20 37.70 36.00 33.40 34.60 37.40 40.50 129.50 方量(m3)95.57 122.57 101.50 80.61 68.81 55.92 50.26 46.63 42.80 116.45 02 长度(m)32.90 45.80 42.70 39.10 36.10 33.50 34.70 37.50 40.60 129.90 方量(m3)98.26 123.11 102.71 83.61 69.00 56.08 50.41 46.76 42.91 116.81 03 长度(m)34.10 45.80 42.30 39.10 36.10 33.50 34.70 37.60 40.60 129.90 方量(m3)101.84 123.11 101.74 83.61 69.00 56.08 50.41 46.88 42.91 116.81 04 长度(m)35.80 45.70 42.20 39.00 36.00 33.40 34.60 37.50 40.60 129.60 方量(m3)106.92 122.84 101.50 83.39 68.81 55.92 50.26 46.76 42.91 116.54 05 长度(m)38.00 45.50 42.00 38.80 35.90 33.30 34.50 37.30 40.40 129.10 方量(m3)113.49 122.31 101.02 82.96 68.62 55.75 50.12 46.51 42.70 116.09 06 长度(m)40.50 45.20 41.80 38.60 35.70 33.10 34.30 37.10 39.20 129.40 方量(m3)120.95 121.50 100.54 82.54 68.24 55.41 49.83 46.26 41.43 116.36 07 长度(m)43.20 44.90 41.50 38.30 37.00 32.90 34.10 36.90 39.90 128.90 方量(m3)129.02 120.69 99.82 81.89 70.72 55.08 49.54 46.01 42.17 115.91 08 长度(m)45.70 44.60 41.20 38.10 36.50 32.30 33.80 36.60 39.60 126.50 方量(m3)136.48 119.89 99.10 81.47 69.76 54.08 49.10 45.64 41.85 113.75 09 长度(m)48.00 44.20 40.90 37.80 34.90 33.00 33.50 36.30 39.30 126.80 方量(m3)143.35 118.81 98.38 80.83 66.71 55.25 48.66 45.26 41.53 114.02 10 长度(m)50.00 45.50 40.60 37.50 34.60 33.40 33.30 36.00 39.00 124.60 方量(m3)149.32 122.31 97.65 80.18 66.13 55.92 48.37 44.89 41.22 112.04 11长度(m)51.40 44.10 39.80 37.20 34.40 31.90 33.00 35.80 38.70 123.80 方量(m3)153.50 118.54 95.73 79.54 65.75 53.41 47.94 44.64 40.90 111.32 12 长度(m)52.20 43.40 40.10 38.50 33.70 31.80 32.90 35.60 38.50 123.20 方量(m3)155.89 116.66 96.45 82.32 64.41 53.24 47.79 44.39 40.69 110.78 13 长度(m)52.40 43.20 39.00 36.90 34.10 31.70 32.80 35.50 38.40 122.70 方量(m3)156.49 116.12 93.81 78.90 65.18 53.07 47.65 44.26 40.58 110.33 14 长度(m)51.90 43.80 39.20 36.80 34.10 31.50 32.70 35.40 38.30 122.40 方量(m3)155.00 117.74 94.29 78.69 65.18 52.74 47.50 44.14 40.48 110.06 15 长度(m)50.80 43.20 39.90 36.80 34.00 31.60 32.70 35.50 38.30 122.50 方量(m3)151.71 116.12 95.97 78.69 64.99 52.90 47.50 44.26 40.48 110.15 16 长度(m)49.20 43.20 39.90 36.80 34.10 31.60 32.80 35.50 38.40 122.70 方量(m3)146.93 116.12 95.97 78.69 65.18 52.90 47.65 44.26 40.58 110.33 17 长度(m)47.00 43.40 40.00 37.00 34.20 31.70 32.90 35.60 38.50 123.10 方量(m3)140.36 116.66 96.21 79.12 65.37 53.07 47.79 44.39 40.69 110.69 18 长度(m)44.70 43.60 40.30 37.20 34.40 31.90 33.00 35.70 38.70 123.60 方量(m3)133.50 117.20 96.93 79.54 65.75 53.41 47.94 44.51 40.90 111.14 19 长度(m)42.10 43.80 40.50 37.40 34.60 32.10 33.20 35.70 39.20 124.40 方量(m3)125.73 117.74 97.41 79.97 66.13 53.74 48.23 44.51 41.43 111.86 20 长度(m)39.60 44.20 40.80 38.90 34.80 32.30 33.50 36.20 39.30 125.30 方量(m3)118.26 118.81 98.14 83.18 66.51 54.08 48.66 45.14 41.53 112.67 21 长度(m)37.20 44.50 41.10 37.90 35.00 32.60 33.70 36.90 39.50 126.20 方量(m3)111.10 119.62 98.86 81.04 66.90 54.58 48.96 46.01 41.74 113.48 22 长度(m)35.10 44.80 41.40 38.30 35.30 32.80 33.90 36.80 39.80 127.20 方量(m3)104.83 120.42 99.58 81.89 67.47 54.91 49.25 45.89 42.06 114.38 23 长度(m)33.60 45.10 41.70 38.50 35.60 33.00 34.20 36.80 40.30 128.10 方量(m3)100.35 121.23 100.30 82.32 68.04 55.25 49.68 45.89 42.59 115.19 24 长度(m)32.70 45.40 42.00 38.80 35.80 33.20 。

下载提示
相似文档
正为您匹配相似的精品文档