文档详情

[课程设计]柱下钢筋混凝土桩基础设计.doc

M****1
实名认证
店铺
DOC
777.54KB
约14页
文档ID:551312908
[课程设计]柱下钢筋混凝土桩基础设计.doc_第1页
1/14

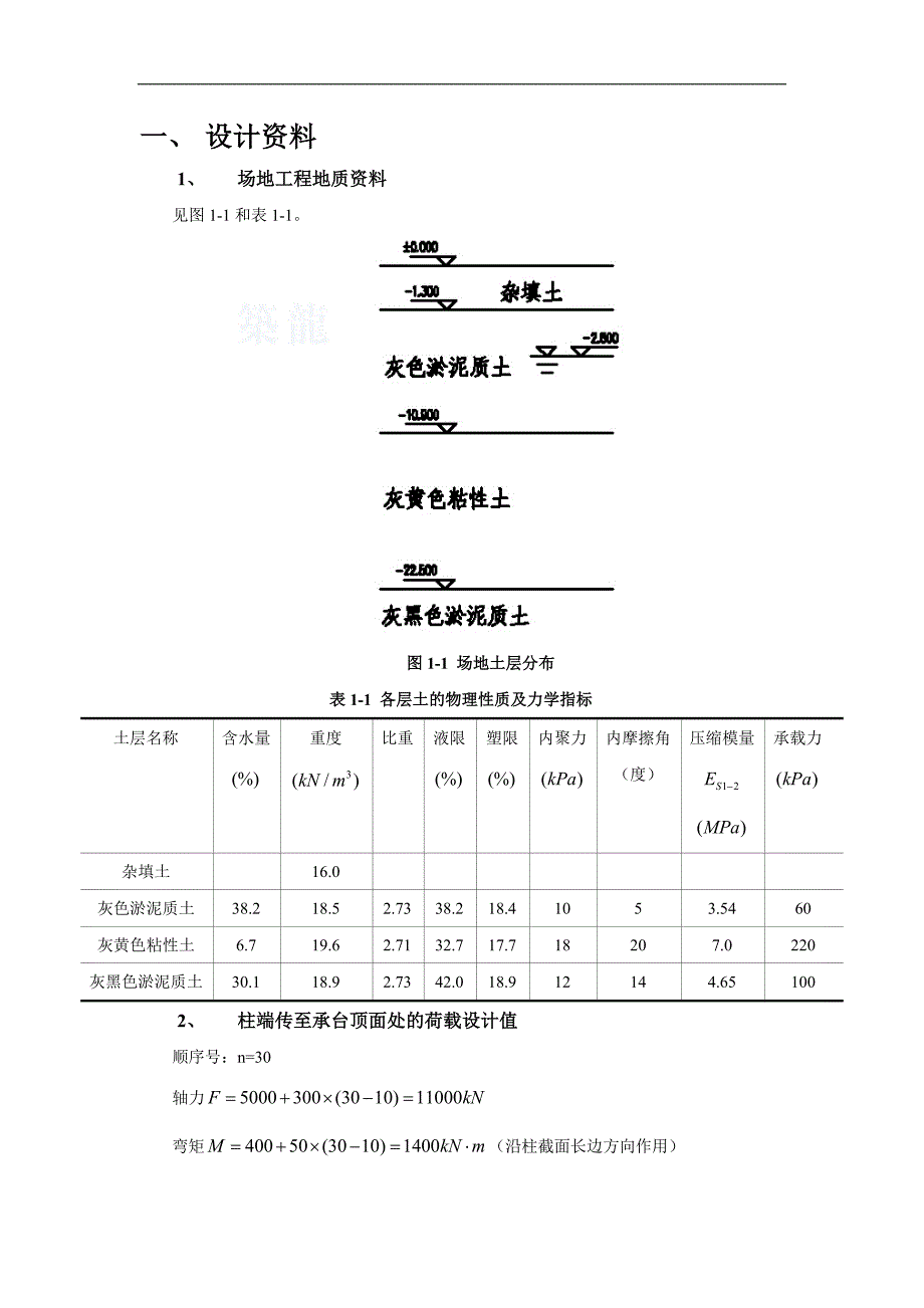
一、 设计资料1、 场地工程地质资料见图1-1和表1-1图1-1 场地土层分布表1-1 各层土的物理性质及力学指标土层名称含水量重度比重液限塑限内聚力内摩擦角(度)压缩模量承载力杂填土16.0灰色淤泥质土38.218.52.7338.218.41053.5460灰黄色粘性土6.719.62.7132.717.718207.0220灰黑色淤泥质土30.118.92.7342.018.912144.651002、 柱端传至承台顶面处的荷载设计值顺序号:n=30轴力弯矩(沿柱截面长边方向作用)剪力(沿柱截面长边方向作用)3、 柱底面标高 -0.5m4、 柱截面尺寸F=11000kN>10000kN柱截面尺寸取为5、 桩基安全等级 二级二、 设计过程1、 初选方案选用C40()的混凝土预制桩(动力打桩),配置HRB335级()钢筋;承台混凝土强度等级取C40(),配置HRB335级()钢筋桩截面尺寸为,长度为11m,承台底面标高为-1.900m承台与桩的大致尺寸如下:图2-1 单桩及承台尺寸示意图2、 确定单桩竖向承载力设计值桩长11m,桩顶伸入承台0.05m,则打穿了厚度的淤泥质土,进入粘性土的长度。

⑴确定单桩竖向极限承载力标准值桩基安全等级为二级,当根据土的物理指标与承载力参数之间的经验关系确定单桩竖向极限承载力标准值时,宜按下式计算:式中 ——桩侧第i层土的极限侧阻力标准值,按《建筑桩基技术规范》查表取值; ——极限端阻力标准值,按《建筑桩基技术规范》查表取值根据设计资料计算土的液性指数:灰黄色粘性土:查表取桩的极限侧阻力标准值时,对于预制桩,应根据土层埋深h,将乘以修正系数,见表2-1表2-1 预制桩极限侧阻力的土层埋深修正系数土层埋深h(m)5102030修正系数0.81.01.11.2桩的极限侧阻力标准值取值为:灰色淤泥质土:=25kPa灰黄色粘性土:=100kPa()(对于以生活垃圾为主的杂填土,不计算其侧阻力桩的极限端阻力标准值取值为:,预制桩入土深度,故查表取=5100kPa初步估算单桩竖向承载力设计值,不考虑群桩效应,则对于预制桩,水平荷载/竖向荷载=,故不需计算水平承载力⑵初步确定桩数,,,由于柱偏心受压,规范建议考虑一定的系数(1.1~1.2),取1.1,则:,考虑到13根桩不好布置,暂取桩的中心距取,桩的平面布置及承台尺寸见图2-13、 确定复合桩基承载力设计值此桩基为桩数超过3根的非端承桩复合桩基,宜考虑桩群、土、承台的相互作用效应,其复合基桩竖向承载力设计值为:式中,、、、根据规范查表取值。

图2-1 桩基平面布置图(式中,为承台宽度,为桩的入土长度查表,得:=0.85,=1.52,=1.70式中,承台净面积 承台内区净面积 承台外区净面积查表,得:,承台底部B/2=3.6/2=1.8m内地基土为灰色淤泥质土,,故4、 桩顶作用验算取承台及其上方土的平均重度,则: 恒载分项系数为1.2,故取设计值作用于承台底面竖向力设计值为:F+G=11000+820.8=11820.8kN;作用于承台底面形心处的弯矩设计值为:桩基安全等级为二级,故,竖向承载力验算如下:故设计满足要求5、 桩尖平面处地基承载力验算地下水位(-2.800m)以下灰色淤泥质土及灰黄色粘性土的浮重度分别为:灰色淤泥质土: 灰黄色粘性土: 桩长范围内各土层重度的厚度加权平均值为: 地基承载力修正值为:式中, ,满足要求6、 桩基软弱下卧层承载力验算由于持力层(灰黄色粘性土)下为软弱下卧层(灰黑色淤泥质土),且桩基平面尺寸较大,故应进行软弱下卧层承载力验算根据《JGJ94-2008建筑桩基技术规范》,验算如下:桩距=3.5d<6d,故应按下列公式验算:式中 ——作用于软弱下卧层顶面的附加应力; ——软弱层顶面以上各土层重度(地下水位以下取浮重度)的厚度加权平均值; ——硬持力层厚度; ——软弱下卧层经深度z修正的地基承载力特征值;、——桩群外缘矩形面积的长、短边长; ——桩端硬持力层压力扩散角,由于t=22.5-10.9-1.8=9.8m>0.5=0.5(3.6-0.4)=1.6m,同时,故查表取。

软弱层顶面以上各层土的重度平均值为: ,满足要求7、 桩基沉降验算桩端平面处土的自重应力为: 桩端平面下桩基中心点处土的自重应力及附加应力计算如下:其中,表2-1 土的自重应力及附加应力计算z(m)z/b000.250140.00.720.40.243329.6148.41.440.80.212287.5156.72.161.20.171231.9165.02.881.60.133180.4173.43.62.00.103139.7181.74.322.40.081109.9190.05.042.80.06588.2198.45.763.20.05371.9206.86.483.60.04358.3215.27.204.00.03648.8223.57.924.40.03142.0231.9由表2-1的计算可知,当z=7.92m时,,故计算深度取7.92m计算矩形桩基变形时,矩形基础中点沉降为:式中,由于桩端无良好持力层且桩长小于25m,故取1.7,按下式简化计算:,,n、、分别为矩形承台的长、宽及总桩数查表,取,,桩基中心点沉降计算列表如下:表2-2 桩基中心点沉降计算z(m)z/b平均附加应力系数(mm)000.2500070001.440.80.2387343.73343.73700030.92.881.60.2049590.11246.38700022.24.322.40.1715740.88150.77700013.65.763.20.1450835.2094.3270008.57.204.00.1248898.5663.3670005.77.924.40.1164921.8923.3370002.1桩基最终沉降量为(由于桩身在轴力作用下压缩量很小,故忽略不计),满足要求。

8、 桩身结构设计计算桩长11m,起吊时采用单点吊,合理吊点的位置距桩头应为起吊时桩身最大弯矩为,其中,q为桩的自重,为桩长考虑到预制桩吊运时可能受到冲击和振动的影响,规范规定,计算吊运弯矩时,宜将桩身重力乘以1.3的动力系数另外,桩自重尚应乘以恒载分项系数,取1.35桩身混凝土保护层厚度取40mm,考虑钢筋的直径,取配216,,因此整个截面的主筋为416,由于R(单桩竖向承载力设计值)>,故应按轴心受压构件考虑配筋,根据进行计算查规范得,故按受弯配筋可以满足桩身强度要求故在每边中间配一根14的钢筋,则钢筋总面积满足要求具体配筋及构造配筋见施工图9、 承台设计承台平面尺寸为,高度为1400mm,设计为两阶,如下图所示图2-2 承台尺寸(1)承台受冲切承载力验算①柱边冲切根据《建筑桩基技术规范JGJ94-94》,承台受冲切应满足下式:图2-3 承台受冲切示意图式中 ——作用于冲切破坏锥体上的冲切力设计值; ——承台混凝土抗拉强度设计值; ——冲切破坏锥体一半有效高度处的周长; ——承台冲切破坏锥体的有效高度; ——冲切系数; ——冲跨比,,满足0.2~1.0; ——作用于柱底的竖向荷载设计值。

——冲切破坏锥体范围内各基桩的净反力(不计承台和承台上土自重)设计值之和桩嵌入承台深度为50mm,取保护层厚度70mm,考虑承台底部配筋,故取=1400-80=1320mm,验算承台长边方向时(长边为不利方向,若长边满足受冲切的要求,则短边一定满足受冲切的要求),,故>1,取=1,则 C40的混凝土,;,故:,满足要求②变阶处冲切,满足要求③角桩冲切此桩基为十二桩,故承台受角桩冲切的承载力应按下式计算:,,,,,取=0.2满足要求⑵承台受剪切承载力验算①柱边截面处受剪验算斜截面受剪承载力应按下列公式进行计算:对于1-1截面,,故由于承台共有两阶,故计算宽度取V=3=31135.1=3405.3,满足要求 对于2-2截面,,故取V=4=41135.1=4540.4满足要求①变阶处受剪验算对于1-1截面,,故V=3=31135.1=3405.3,满足要求对于2-2截面,<0.3,取0.3,故V=4=41135.1=4540.4,满足要求⑶承台受弯承载力计算承台1-1截面处最大弯矩选16/18@100,承台2-2截面处最大弯矩选14@200,具体配筋及构造配筋见施工图三、 参考文献。

下载提示
相似文档
正为您匹配相似的精品文档