文档详情

uc3842升压电路的制作.doc

F****n
实名认证
店铺
DOC
327KB
约5页
文档ID:98092719
uc3842升压电路的制作.doc_第1页
1/5

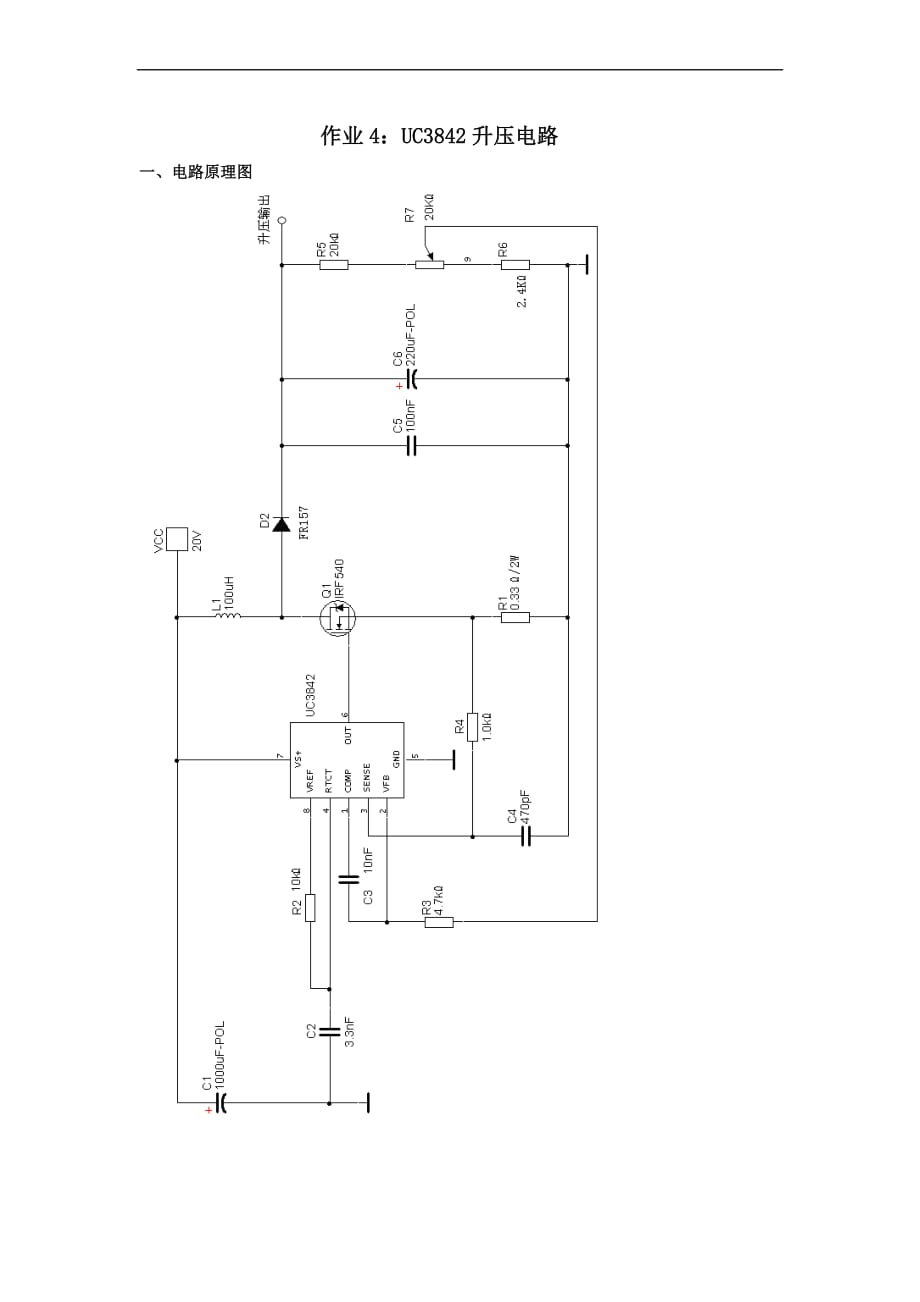
作业4:UC3842升压电路一、电路原理图二、元器件清单元件名称型号数量电源控制芯片UC38421插槽8脚1场效应管IRF5401快恢复二极管FR1571电感100uH1电解电容470uF/25V1220 uF/50V1瓷片电容3.3nF (标识332)10.01 uF (标识103)10.1 uF (标识104)470pF (标识471)1功率电阻0.33Ω/2W1碳膜电阻1.2KΩ14.7 KΩ12.5 KΩ110 KΩ120 KΩ1电位器20 KΩ1三、主要器件简介1、UC3842 电流型PWM集成控制器UC3842 内部原理框图 图1图1 示出了UC3842 内部框图和引脚图,UC3842 采用固定工作频率脉冲宽度可控调制方式,共有8 个引脚,各脚功能如下:①脚是误差放大器的输出端,外接阻容元件用于改善误差放大器的增益和频率特性;②脚是反馈电压输入端,此脚电压与误差放大器同相端的2.5V 基准电压进行比较,产生误差电压,从而控制脉冲宽度;③脚为电流检测输入端, 当检测电压超过1V时缩小脉冲宽度使电源处于间歇工作状态;④脚为定时端,内部振荡器的工作频率由外接的阻容时间常数决定,f=1.8/(RT×CT);⑤脚为公共地端;⑥脚为推挽输出端,内部为图腾柱式,上升、下降时间仅为50ns 驱动能力为±1A ;⑦脚是直流电源供电端,具有欠、过压锁定功能,芯片功耗为15mW;⑧脚为5V 基准电压输出端,有50mA 的负载能力。

 2、IRF540 3、FR157FR15X系列快恢复二极管基本参数表:UC3842升压电路的调试1、根据电路原理图,检查所焊接的电路,确保连线正确2、调节电位器R7,使可调端与R6之间的电阻达到最大值20KΩ左右3、调节直流稳压电源(实验室仪器),使之输出20V电压(以万用表读数为准),将电源关闭,进行直流稳压电源与电路板的连接4、接通电源,观察电路板是否有发烫、冒烟等现象,若有,及时关闭电源,检查故障原因,等故障排除后方可进行下一步骤5、用万用表直流电压档测量芯片UC3842的7脚对地电压为 V, UC3842的8脚对地电压为 V 正常情况下,芯片7、8脚的对地电压应该为20V和5V,若不是,请检查故障原因,等故障排除后方可进行下一步骤6、校准示波器7、用校准好的示波器观察芯片UC3842的4脚信号是否为锯齿波信号,请记录波形,标识出周期、峰峰值8、用万用表直流电压档观测芯片UC3842的2脚对地电压,看是否为2.5V,若不是,请缓缓调节电位器R7,直至芯片的2脚对地电压为2.5V若调节过程中出现电路元件烧毁损坏等异常情况,请检查故障原因,等故障排除后方可进行下一步骤。

9、用万用表直流电压档观测电路的升压输出端对地电位 V 10、用示波器观察芯片的6脚信号,看是否为脉冲信号 11、调节R7,用万用表直流电压档测量升压输出端的电压调节范围: V到 V12、(选做)用示波器观察升压输出端的交流成分,记录电压峰峰值解决党委自身和基层党支部存在的的突出问题,发挥各村、社区、机关单位党支部在当前城市征迁、园区建设、招商引资、服务群众、维护稳定的作用,我镇党委高度重视,制定了切合临淮实际的活动实施方案,按照中央规定的活动步骤和要求扎实有效的开展了基层组织建设年活动 5 -。

下载提示
相似文档
正为您匹配相似的精品文档
相关文档