文档详情

如何搭接卷材防水

简****9
实名认证
店铺
DOC
33.02KB
约1页
文档ID:98627181
如何搭接卷材防水_第1页
1/1

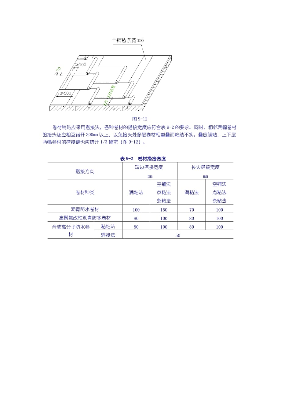
图9-12卷材铺贴应采用搭接法,各种卷材的搭接宽度应符合表9-2的要求同时,相邻两幅卷材的接头还应相互错开300mm以上,以免接头处多层卷材相重叠而粘结不实叠层铺贴,上下层两幅卷材的搭接缝也应错开1/3幅宽(图9-12)  表9-2  卷材搭接宽度  搭接方向 短边搭接宽度  mm 长边搭接宽度 mm 卷材种类 满粘法 空铺法 点粘法 条粘法 满粘法 空铺法 点粘法 条粘法 沥青防水卷材 100 150 70 100 高聚物改性沥青防水卷材 80 100 80 100 合成高分子防水卷材 粘结法 80 100 80 100 焊接法 50 。

下载提示
相似文档
正为您匹配相似的精品文档