文档详情

mx620b芯片手册中文版

简****9
实名认证
店铺
PDF
642.55KB
约10页
文档ID:100426319
mx620b芯片手册中文版_第1页
1/10

概述 该产品为电池供电的玩具、低压或者电池供电的运动控制应用提供了一种集成的有刷直流马达驱动解决方案电路内部集成了采用 N 沟和 P 沟 功率 MOSFET 设计的 H 桥驱动电路,适合于驱动有刷直流马达或者驱动步进马达的一个绕组该电路具备较宽的工作电压范围(从 2V 到 9.6V), 最大持续输出电流达到 2A,最大峰值输出电流达到 3.5A 该驱动电路内置过热保护电路通过驱动电路的负载电流远大于电路的最大持续电流时,受封装散热能力限制,电路内部芯片的结温将会迅速升 高,一旦超过设定值 (典型值 150℃),内部电路将立即关断输出功率管,切断负载电流,避免温度持续升高造成塑料封装冒烟、起火等安全隐患内置 的温度迟滞电路,确保电路恢复到安全温度后,才允许重新对电路进行控制 该驱动电路内置限流保护电路当流过功率管的电流超过设定值时,内部电路限流保护电路启动,功率管最大输出电流将被限制在设定值该功 能可确保电路输出端口与地短路、输出端口之间短路时,电路不烧毁 特性 ● 低待机电流 (小于 0.1uA); ● 低静态工作电流; ● 集成的 H 桥驱动电路; ● 内置防共态导通电路; ● 低导通内阻的功率 MOSFET 管; ● 内置带迟滞效应的过热保护电路 (TSD); ● 内置限流保护电路,输出对地短路,输出与输出短路,不烧电路; ● 抗静电等级:3KV (HBM)。

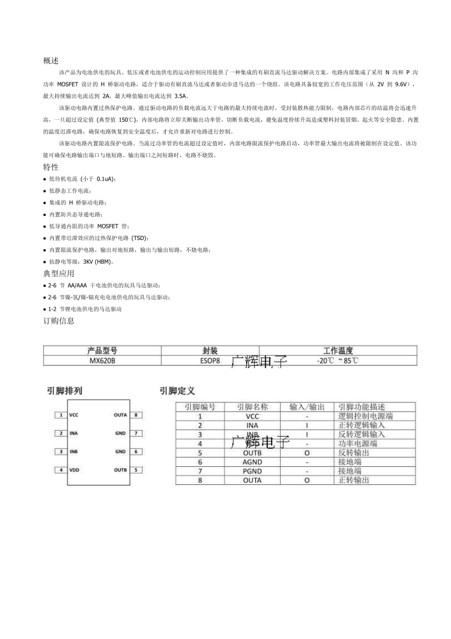
典型应用 ● 2-6 节 AA/AAA 干电池供电的玩具马达驱动; ● 2-6 节镍-氢/镍-镉充电电池供电的玩具马达驱动; ● 1-2 节锂电池供电的马达驱动 订购信息 应用说明 1 、 基本 工作模式 a) 待机模式 在待机模式下,INA=INB=L包括驱动功率管在内的所有内部电路都处于关断状态电路消耗极低极低的电流此时马达输出端 OUTA 和 OUTB 都为高阻状态 b) 正转模式 正转模式的定义为:INA=H,INB=L,此时马达驱动端 OUTA 输出高电平,马达驱动端 OUTB 输出低电平时,马达驱动电流从 OUTA 流入马达, 从 OUTB 流到地端,此时马达的转动定义为正转模式 c) 反转模式 反转模式的定义为:INA=L,INB=H,此时马达驱动端 OUTB 输出高电平,马达驱动端 OUTA 输出低电平时,马达驱动电流从 OUTB 流入马达, 从 OUTA 流到地端,此时马达的转动定义为反转模式 d) 刹车模式 刹车模式的定义为:INA=H,INB=H,此时马达驱动端 OUTA 以及 OUTB 都输出低电平,马达内存储的能量将通过 OUTA 端 NMOS 管或者 OUTB 端 NMOS 快速释放,马达在短时间内就会停止转动。

注意在刹车模式下电路将消耗静态功耗 e)PWM模式 A 当输入信号 INA 为 PWM 信号,INB=0 或者 INA=0,INB 为 PWM 信号时,马达的转动速度将受 PWM 信号占空比的控制在这个模式下, 马达驱动电路是在导通和待机模式之间切换,在待机模式下,所有功率管都处于关断状态,马达内部储存的能量只能通过功率 MOSFET 的体二极管缓 慢释放 注意:在 PWM 模式 A 下,当输入信号从高电平跳变为低电平时,按照逻辑要求 H 桥的 4 个功率管必须全部进入关断的状态MX620B 内部设计了 关断延迟电路,当输入信号从高电平跳变到低电平时,H 桥的 NMOS 功率管立即关断,而高边的 PMOS 管仍然会维持 30us 的导通时间,在此期间电 机电流通路如下所示 f)PWM模式 B 当输入信号 INA 为 PWM 信号,INB=1 或者 INA=1,INB 为 PWM 信号时,马达的转动速度将受到 PWM 信号占空比的控制在这个模式下, 马达驱动电路输出在导通和刹车模式之间,在刹车模式下马达存储的能量通过低边的 NMOS 管快速释放 2 、 防共态导通电路 在全桥驱动电路中,将半桥内的高边 PMOS 功率管和低边 NMOS 功率管同时导通的状态称为共态导通状态。

共态导通将出现一个电源至地的瞬 态大电流,该电流会引起额外的功耗损失,极端情况下会烧毁电路通过内置死区时间,可避免共态导通典型的死区时间为 300ns 3 、 过热保护电路 当驱动电路结温超过预设温度(典型值为 150℃)时,TSD 电路开始工作,此时控制电路强制关断所有输出功率管,驱动电路输出进入高阻状态 TSD 电路中设计了热迟滞,只有当电路的结温下降到预设温度(典型值 130℃)时,电路返回正常工作状态 4 、限流保护电路 电路内部的比较电路能够实时检测 PMOS 功率管的导通压降,当导通压降超过内部设定值时,功率管驱动电路将驱动功率 PMOS 进入线性恒流 模式,其最大输出电流由内部电路限制结温为 27 摄氏度时,最大输出电流限制在 8A结温为 140 度时,最大输出电流限制在 4A当输出与地短 路或者输出与输出短路时,内部限流保护电路将保护电路不会立即烧毁由于短路时所有的功耗都消耗在电路上,因此电路温度急剧上升,电路将立即 进入过热关断保护状态虽然,在短路状态下电路不会立即烧毁,但如果芯片长期处于短路状态,内部结温过高,将会对芯片的寿命造成一定影响 5 、驱动电路最大持续功耗 该系列马达驱动电路内部均设计有过热保护电路,因此当驱动电路消耗的功耗过大时,电路将进入热关断模式,热关断状态下马达将无法正常工 作。

驱动电路最大持续功耗的计算公式为: P M =(150℃-T A )/θ JA 其中 150℃为热关断电路预设温度点,T A 为电路工作的环境温度(℃),θ JA 为电路的结到环境的热阻(单位℃/W)注意:驱动电路的最大持续 功耗与环境温度、封装形式以及散热设计等因素有关,与电路导通内阻并无直接关系 6 、驱动电路功耗 马达驱动电路内部功率 MOSFET 的导通内阻是影响驱动电路功耗的主要因素驱动电路功耗的计算公式为:P D =I L 2 *R ON 其中 I L 表示马 达驱动电路的输出电流,R ON 表示功率 MOSFET 的导通内阻 注意:功率 MOSFET 的导通内阻随着温度的升高而升高,在计算电路的最大持续输出电流以及功耗时必须考虑导通内阻的温度特性 7 、 驱动电路最大持续输出电流 根据驱动电路的最大持续功耗以及驱动电路功耗可计算出驱动电路的最大持续输出电流,计算公式为: 其中的 R ONT 为考虑温度特性后的功率 MOSFET 导通内阻 注意:驱动电路的最大持续输出电流与环境温度、封装形式、散热设计以及功率 MOSFET 的导通内阻等因素有关 8 、、 马达内阻选择马达内阻选择 上述分析表明,马达驱动电路的最大持续功耗有限。

如果马达驱动电路所驱动马达内阻极小,其堵转电流超过马达驱动电路所能承受的最大持续 输出电流太多,则很容易导致马达驱动电路进入过热关断状态,玩具车在跑动或者反复前进、后退时将出现抖动的现象在马达驱动电路选型时,必须 考虑马达的内阻. 特别注意事项 1、电源与地反接、电源与地反接 将电路的电源与地线反接,将导致电路损坏,严重时会导致塑料封装冒烟可考虑在电路的电源端串联一个功率肖特基二极管至电池的正端,可 防止由于电池接反引起的电路损坏功率肖特基二极管的最大持续电流能力必须大于马达堵转的持续电流,否则肖特基二极管会因为过热而损坏功率 肖特基二极管的反向击穿电压必须大于最高电源电压,如果反向击穿电压过小,当电池反接时,会击穿肖特基二极管造成烧毁 2、功率电源 VDD 对地去耦电容(C1) 驱动电路要求添加的功率电源 VDD 对地去耦电容 C1(参考应用线路图 1)主要有两个作用:1)、吸收马达向电源释放的能量,稳定电源电压,避 免电路因为过压而击穿;2)、在马达起动或者快速正转、反转切换的瞬间,马达需要瞬间大电流才能迅速启动由于电池的响应速度以及连接引线较长, 往往不能立即输出瞬态大电流,此时需要依赖靠近马达驱动电路附近的储能电容释放出瞬态大电流。

根据电容的储能特性,电容容值越大,相同时间内的电压波动越小,因此在高压、大电流的应用条件下建议电容 C1 取值 100uF,建议根据具体 的应用选择电容值,但是该电容 C1 取值至少需要 4.7uF 3、静电防护 电路的输入/输出端口采用了 CMOS 器件,对静电放电敏感虽然设计有静电防护电路,但在运输、包装、加工、储存过程中应该采取防静电措 施,尤其是在加工过程中应重点考虑防静电 4、输出对地短路、输出端短路 电路内部设计有限流保护电路,可以保护电路在遇到短路等异常状况时不会立即损坏但切不可将电路长期工作在短路状态下,会对芯片的寿命 造成影响 5、输出对电源短路 在正常工作时,当电路的低电平输出端与电源发生短路时,电路将会被立即损坏 6、最大峰值电流 电路内部设计了限流电路,在芯片结温较高时,峰值电流较小,此时可能会引起电机正、反切换不能及时响应的情况,在方案评估阶段需要特别 注意合理选择电机的最大峰值电流 封装外形尺寸图 。

下载提示
相似文档
正为您匹配相似的精品文档