文档详情

电子技术实验指导书-更新

世***
实名认证
店铺
DOC
314.50KB
约8页
文档ID:173737522
电子技术实验指导书-更新_第1页
1/8

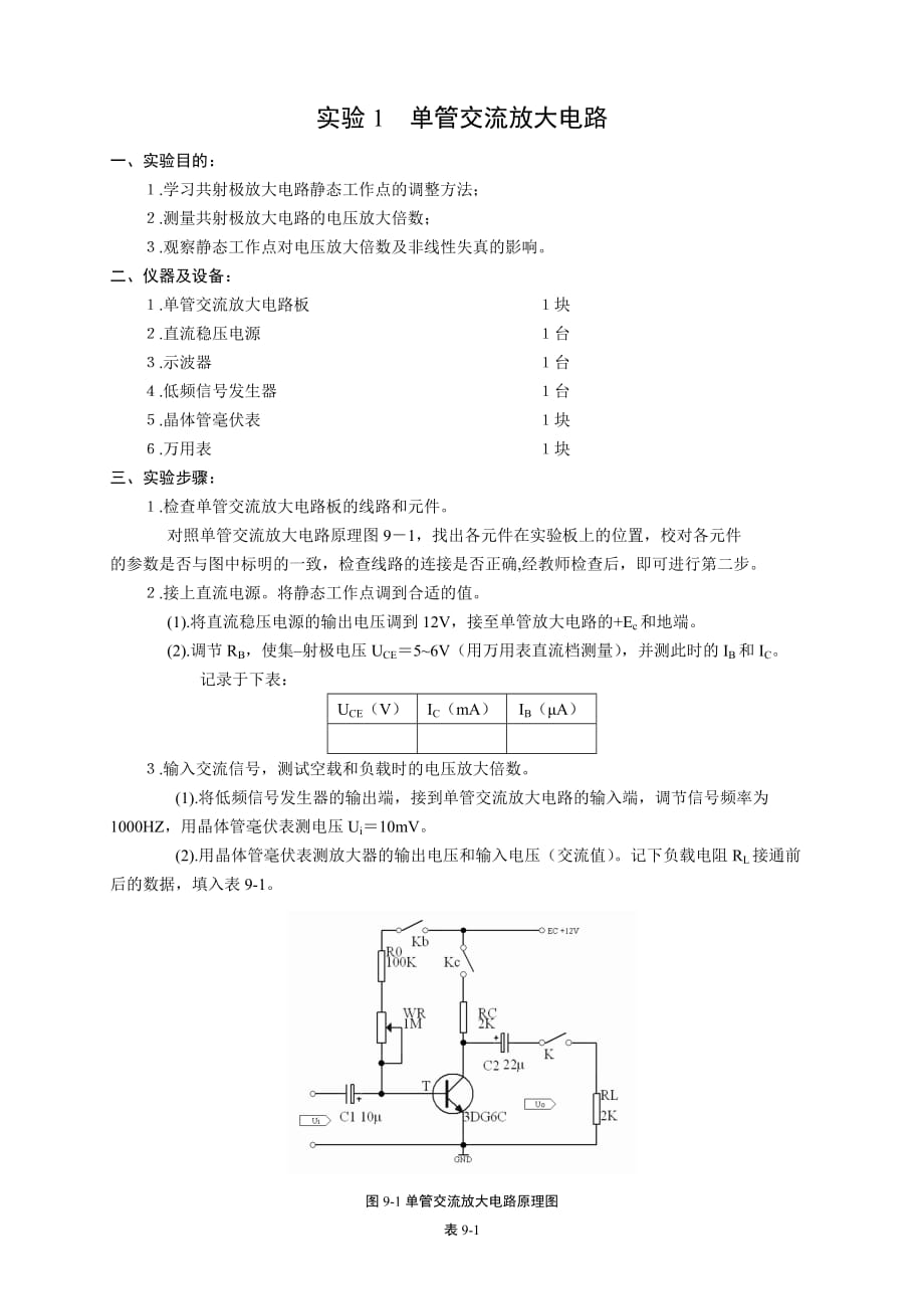
实验1 单管交流放大电路一、实验目的: 1.学习共射极放大电路静态工作点的调整方法; 2.测量共射极放大电路的电压放大倍数; 3.观察静态工作点对电压放大倍数及非线性失真的影响二、仪器及设备: 1.单管交流放大电路板 1块 2.直流稳压电源 1台 3.示波器 1台 4.低频信号发生器 1台 5.晶体管毫伏表 1块 6.万用表 1块三、实验步骤: 1.检查单管交流放大电路板的线路和元件 对照单管交流放大电路原理图9-1,找出各元件在实验板上的位置,校对各元件的参数是否与图中标明的一致,检查线路的连接是否正确,经教师检查后,即可进行第二步。

2.接上直流电源将静态工作点调到合适的值 (1).将直流稳压电源的输出电压调到12V,接至单管放大电路的+Ec和地端 (2).调节RB,使集–射极电压UCE=5~6V(用万用表直流档测量),并测此时的IB和IC 记录于下表:UCE(V)IC(mA)IB(μA) 3.输入交流信号,测试空载和负载时的电压放大倍数 (1).将低频信号发生器的输出端,接到单管交流放大电路的输入端,调节信号频率为1000HZ,用晶体管毫伏表测电压Ui=10mV (2).用晶体管毫伏表测放大器的输出电压和输入电压(交流值)记下负载电阻RL接通前后的数据,填入表9-1图9-1单管交流放大电路原理图表9-1负载情况输入电压Ui(mV)输出电压U0(mV)电压放倍数空载RL=2.7 4.观察电压放大倍数随静态工作点的改变而改变的情况 继续保持Ui=10mV,负载电阻RL断开,调节RB,改变静态工作点,用示波器观察U0的变化情况,可以看到,随着静态工作点的改变,U0也随之改变也就是电压放大倍数随静态工作点的改变而改变。

5.用示波器观察静态工作点对输出电压波形的影响 继续保持Ui=10mV,调节RB,使IB逐渐增大,一直到从示波器中看到输出电压出现饱和失真调节RB,使IB逐渐减小,一直到从示波器中看到电压波形出现截止失真四、分析与讨论 1.解释负载电阻RL接通前后电压放大倍数不同的原因 2.解释电压放大倍数随静态工作点的改变而改变的原因 3.将实验得到的电压放大倍数和按公式计算的结果比较 实验2 集成运算放大器的应用一、实验目的: 掌握运算放大器的使用方法 学习运算放大器作为比例放大器和电压比较器的应用二、仪器及设备: 低频信号发生器 1台 示波器 1台 万用表 1块 稳压电源 1台 运算放大器实验板 1块 晶体管毫伏表 1块三、实验步骤:1.运算放大器的静态点校正(本实验的集成运放也可以接双电源,如-5V 和+5V) 按图11-1将运放接成反相比例放大器电路形式(即开关K1、K2闭合),输入端ui与地短接(即ui=0),电源电压接+16V,用万用表直流电压50V或10V档位,监测输出电压uO,然后调整RP,使uO=9~10V左右(直流偏置量),则运算放大器的静态点校正好。

图11-1 2.反相比例放大实验按图11-1接线,将图中ui与地断开(不得调动RP),接入1kHz、20mV的信号电压,用晶体管毫伏表测量uO,并计算放大倍数Af () 3.电压比较器实验 断开电路板中的开关K1和K2,其它连接与步骤2相同;将运放接成过零电压比较器电路形式;输入信号电压ui为1kHz、50mV以上的正弦波电压,用示波器观测、并记录输出端uO的波形观测时应适当调整示波器的垂直幅度衰减旋钮,以便示波器屏幕完整显示被测波形 四、分析与讨论:1.计算比例运算时的放大倍数,并与实验结果比较,说明原因;2.电压比较器观测到的方波信号与理论分析应得到的方波信号有什么不同?为什么?3.在电压比较器实验过程中,是否顺利观测到方波信号?如不顺利,采用了哪些方法?4.如果希望方波信号电压为5V,对图11-1电路应如何改进? 实验3 组合逻辑电路一、实验目的: 1.熟悉TTL与非门外形和引脚引线排列 2.了解TTL与非门电路的性能及使用方法3.加深理解组合逻辑电路的分析和设计方法。

二、实验原理:用小规模集成电路设计组合逻辑电路其步骤是: 根据设计任务的要求建立输入、输出变量,并列出真值表然后写逻辑函数表达式并用逻辑代数化简,选用逻辑门实现逻辑电路三、实验设备: 数字逻辑实验仪 1台 74LS00与非门 2块74LS10与非门 1块其它门电路 若干 图12—1 74LS0与非门引线排列图 图12—2 74LS10与非门引线排列图 四、实验内容: 1.根据与非门的逻辑功能检查与非门是否良好与非门的输入端接电平开关,输出端接发光二极管)2、设计一个半加器,用“与非门”实现适合“与非门”的半加器表达式为:① 画出设计的电路,并按电路图接线 ② 在输入端输入逻辑变量数据,在输出端读取逻辑状态数据,列出逻辑真值表12-1表12-1 半加器真值表被加数加数进位数半加和数ABCS00000101100111103.设计一个用于三人表决的表决器,(表决器原理见教科书),用与非门实现。

① 画出设计的电路,并按电路图接线 ② 在输入端输入逻辑变量数据,在输出端读取逻辑状态数据,列出逻辑真值表12-2表12-2三人表决器真值表输 入输 出ABCF000000100100100001111011110111114、设计一个一位全加器五、分析与讨论: 1.写出设计组合逻辑电路的步骤 2.写出三人表决器的逻辑函数表达式,以及一位全加器的逻辑函数表达式3 . TTL与非门的输入端在不用时应如何接?为什么?六、实验报告:1、 列写实验任务的设计过程,画出设计的电路图2、 对所设计的实验电路进行实验测试,记录测试结果3、 组合逻辑电路设计体会实验4 十进制计数器一、实验目的: 1.学习用同步加法计数器组成二位8421码十进制计数器的方法 2.观察一种七段显示译码电路的工作过程二、实验原理:计数器是数字电路和计算机中广泛应用的一种逻辑部件,可累计输入脉冲的个数,可用于定时、分频、时序控制等目前有品种齐全的中规模集成计数器本实验采用集成电路BCD码十进制计数器,组成不同进制的加计数器计数器按不同进制的规律累计输入时钟脉冲个数,三、仪器及设备: 1.数字逻辑实验仪 1台 2.CC4518或74LS290集成计数器 2只 3. 若干门电路图14-1 CC4518引线排列图四、实验内容:1. 用半导体指示灯检查上述计数器的工作是否正常。

2. 用二只CC4518计数器组成二位BCD码十进制计数器3. 用译码显示电路(数码管)观察计数器的工作情况五、实验步骤: 1.按图14-2的原理图接线,组成二位BCD码十进制计数器 2.用半导体指示灯检查上述计数器的工作是否正常(1) 将计数器的Q3、Q2、Q1、Q0按图14-2接到数字电路实验仪的四个半导体指示灯(发光二极管)的阳极,即标有L1、L2……L12插孔2) 送电: 插上电源插头,将仪器上的电源开关搬向“开”位置,(正常时,电源指示灯应发亮)3) 清零: 将计数器的“R”端与实验仪板面上的“高”电平输出插孔碰一下,则此时四个半导体指示灯应全部熄灭,即显示00004) 将单次方波信号送到计数器的CP端,观察半导体指示灯的发亮情况,确定计数器的工作是否正常用导线将单次方波信号输出插孔与计数器的CP端连起来一次一次地按“单次”按钮,观察半导体指示灯的发亮情况,如果与表14-1相符,说明计数器工作正常,否则应进行检查图14-2 二位BCD码十进制计数器表14-1次序L4L3L2L101V2V3VV4V5VV6VV7VVV8V9VV10 V:亮 :不亮3.用译码显示电路(数码管)观察计数器的工作情况。

图14-3 用译码显示电路观察计数器工作情况的接线图将计数器的Q端按图14-2所示,分别连接到译码显示电路的输入端A、B、C、D(或8、4、2、1)端然后仍按步骤2中的(2)、(3)、(4)操作,如果不发生错误,便可在数码管中观察到计数器工作情况。

下载提示
相似文档
正为您匹配相似的精品文档
相关文档