文档详情

4.安钢产品说明

小**
实名认证
店铺
DOC
408.50KB
约9页
文档ID:59158265
4.安钢产品说明_第1页
1/9

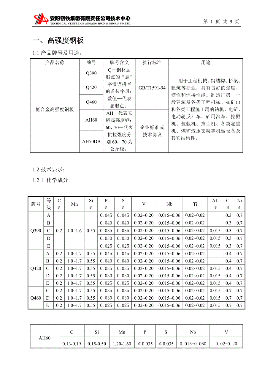
第 9 页 共 9 页一、高强度钢板1.1产品牌号及用途产品名称牌号牌号含义执行标准用途低合金高强度钢板Q390Q—钢材屈服点的“屈”字汉语拼音的首位字母;数值—代表屈服点;GB/T1591-94用于工程机械、钢结构、桥梁、建筑等行业,具有良好的强度、韧性和焊接性能制造厂房、一般建筑及各类工程机械、如矿山和各类工程施工用的钻机、电铲、电动轮反斗车、矿用汽车、挖掘机、装载机、推土机、各类起重机、煤矿液压支架等机械设备及其它结构件Q420Q460AH60AH—代表安钢高强度钢;60,70—代表抗拉强度分别60,70为公斤级企业标准或技术协议AH70DB1.2技术要求:1.2.1 化学成分牌号等级C≤MnSi≤P≤S≤VNbTiAL≥Cr≤Ni≤Q390A0.21.0~1.60.550.0450.0450.02~0.200.015~0.060.02~0.020.30.7B0.0400.0400.02~0.200.015~0.060.02~0.020.30.7C0.0350.0350.02~0.200.015~0.060.02~0.020.0150.30.7D0.0300.0300.02~0.200.015~0.060.02~0.020.0150.30.7E0.0250.0250.02~0.200.015~0.060.02~0.020.0150.30.7Q420A0.21.0~1.70.550.0450.0450.02~0.200.015~0.060.02~0.020.40.7B0.21.0~1.70.550.0400.0400.02~0.200.015~0.060.02~0.020.40.7C0.21.0~1.70.550.0350.0350.02~0.200.015~0.060.02~0.020.0150.40.7D0.21.0~1.70.550.0300.0300.02~0.200.015~0.060.02~0.020.0150.40.7E0.21.0~1.70.550.0250.0250.02~0.200.015~0.060.02~0.020.0150.40.7Q460C0.21.0~1.70.550.0350.0350.02~0.200.015~0.060.02~0.020.0150.70.7D0.21.0~1.70.550.0300.0300.02~0.200.015~0.060.02~0.020.0150.70.7E0.21.0~1.70.550.0250.0250.02~0.200.015~0.060.02~0.020.0150.70.7AH60CSiMnPSNbV0.13-0.190.15-0.501.20-1.60≤0.035≤0.0350.015-0.0600.02-0.20AH70DBCSiMnPSNbVTiAl、Cr、Ni、Cu、Mo、B≤0.120.12-0.501.20-1.85≤0.025≤0.0250.015-0.100≤0.20≤0.030适量1.2.2 力学性能牌号等级屈服点σs,MPa抗拉强度σbMPa伸长率δ5%纵向冲击功,AkV,J(℃)180°弯曲试验d=弯心直径a=试样厚度≤16>16-35>35-50200-20-40不小于不小于≤16>16Q390A390370350490-650182a3aB390370350490-65018342a3aC390370350490-65019342a3aD390370350490-65019342a3aE390370350490-65019272a3aQ420A420400380520-680172a3aB420400380520-68017342a3aC420400380520-68018342a3aD420400380520-68018342a3aE420400380520-68018272a3aQ460C460440420550-72016342a3aD460440420550-72016342a3aE460440420550-72016272a3aAH60A460440420≥570162a3aB460440420≥57016342a3aC460440420≥57016342a3aD460440420≥57016342a3aAH70DB550≥67016473a 二、桥梁板2.1产品牌号及用途产品名称牌号牌号含义执行标准用途桥梁钢Q345qQ—钢材屈服点的“屈”字汉语拼音的首位字母;数值—代表屈服点;q—桥的汉语拼音的首位字母GB/T714-2000用于制作铆接及栓焊结构的公路桥梁及铁路桥梁(包括跨海大桥)。

Q370qQ420q2.2 技术要求:2.2.1 牌号及熔炼成分2.2.1.1牌号及熔炼成分表1牌 号质量等级CSiMnPSAltQ235qC≤0.20≤0.300.40~0.70≤0.035≤0.035Q235qD≤0.18≤0.300.50~0.80≤0.025≤0.025≥0.020Q345qC≤0.20≤0.601.00~1.60≤0.035≤0.035Q345qD≤0.18≤0.601.10~1.60≤0.025≤0.025≥0.020Q345qE≤0.17≤0.501.20~1.60≤0.020≤0.015≥0.020Q370qC≤0.18≤0.501.20~1.60≤0.035≤0.035Q370qD≤0.17≤0.501.20~1.60≤0.025≤0.025≥0.020Q370qE≤0.17≤0.501.20~1.60≤0.020≤0.015≥0.020Q420qC≤0.18≤0.501.20~1.60≤0.035≤0.035Q420qD≤0.17≤0.601.30~1.70≤0.025≤0.025≥0.020Q420qE≤0.17≤0.601.30~1.70≤0.020≤0.015≥0.0202.2.1.2为改善钢材性能,可以加入钒、铌、钛、氮等微量元素,其含量应符合表2的规定,并应在质量证明书中注明。

表2 %VNbTiN≤0.08≤0.045≤0.02≤0.0182.2.1.3残余元素铬、镍、铜含量应各不大于0.30%2.2.1.4桥梁钢各牌号的碳当量应符合表3的规定 表3牌号Q345qQ370qQ420qCeq0.43%0.44%0.45%碳当量按下列公式计算: 2.2.2.力学性能见表4表4牌号质量等级厚度mm屈服点MPa抗拉强度MPa伸长率%V型冲击功(纵向)V型时效冲击功,J180°弯曲试验钢材厚度mm温度℃J不 小 于≤16>16Q235qC≤16>16~35>35~50>50~10023522521520539038037537526027-d=1.5ad=2.5aD-202727Q345qC≤16>16~35>35~50>50~10034532531530551049047047021202020034-d=2ad=3aD-203434E-4034Q370qC≤16>16~35>35~50>50~10037035533033053051049049021202020041-D-204141E-4041Q420qC≤16>16~35>35~50>50~10042041040039057055054053020191919047-D-204747E-40协议 三、建筑结构用钢板3.1产品牌号及用途产品名称牌号牌号含义执行标准用途建筑结构用钢板Q235GJQ—钢材屈服点的“屈”字汉语拼音的首位字母;数值—代表屈服点;GJ—高建汉语拼音的首位字母GB/T19879—2005 适用于高层建筑结构、大跨度结构及其他重要建筑结构用钢板。

用于制作工业和民用建筑物的支柱和承重梁等钢结构Q345GJQ390GJQ420GJQ460GJ3.2 技术要求:3.2.1 牌号及熔炼成分牌号质量等级厚度mm化学成分/%CSiMnP≤S≤NbTiCr≤Cu≤V≤Ni≤Alt≥Q235GJB6~60≤0.20≤0。

下载提示
相似文档
正为您匹配相似的精品文档