文档详情

木枕的标准

橙**
实名认证
店铺
PDF
91.48KB
约3页
文档ID:333346710
木枕的标准_第1页
1/3

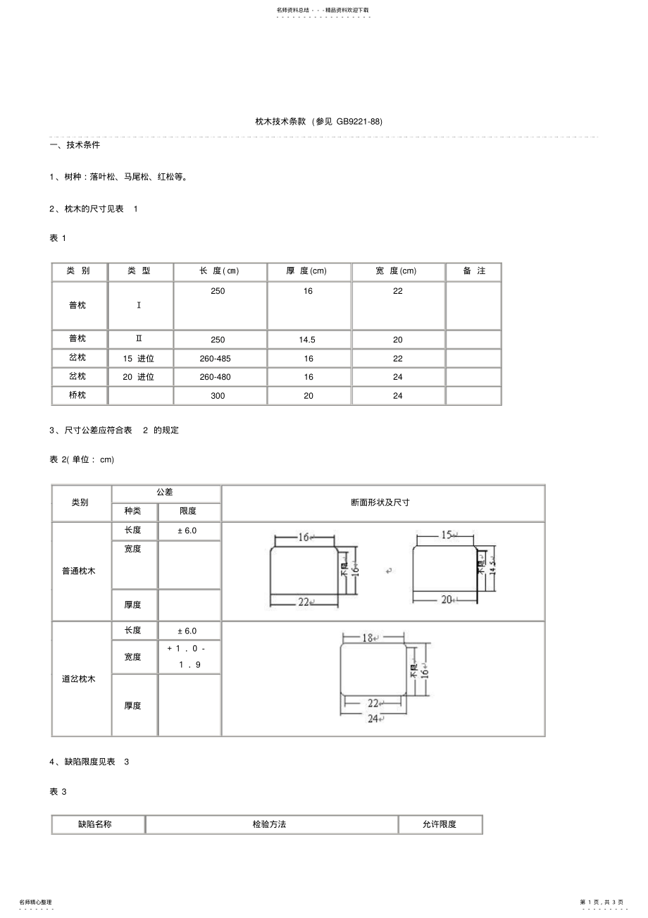
枕木技术条款(参见 GB9221-88)一、技术条件1、树种:落叶松、马尾松、红松等2、枕木的尺寸见表1 表 1 类 别类 型长 度()厚 度(cm)宽 度(cm)备 注普枕250 16 22 普枕250 14.5 20 岔枕15 进位260-485 16 22 岔枕20 进位260-480 16 24 桥枕300 20 24 3、尺寸公差应符合表2 的规定表 2(单位:cm)类别公差断面形状及尺寸种类限度普通枕木长度6.0 宽度厚度道岔枕木长度6.0 宽度 9 厚度4、缺陷限度见表3 表 3 缺陷名称检验方法允许限度名师资料总结-精品资料欢迎下载-名师精心整理-第 1 页,共 3 页 -活节、死节枕面铺轨范围内最大尺寸不得超过8cm 裂纹、夹皮纵裂、外夹皮长度不得超过60cm 轮裂、内夹皮弦长不得超过15cm 弯曲顺弯、横弯不允许虫害枕面铺轨范围内个数不得超过5 个腐朽任何部位不允许木枕刻痕:马尾松、落叶松均进行刻痕加工铺设范围枕面上的刀痕长度10mm,刀痕缺漏总数不得超过5%,刀痕连续缺漏不得超过 3 个二、木枕用防腐剂油质防腐剂:采用木材防腐油(或脱晶蒽油)和煤焦油的混合油浸注木枕,其中,木材防腐油(或脱晶蒽油)的比例不得低于50%(重量)。

防腐木枕的浸注质量应符合表3 要求表 4 标准项目单位马尾松落叶松合格质量水平AQL 边材浸注深度mm 普枕75 或全透13 或全透6.5 岔枕75 或全透13 或全透心材浸注深度mm 普枕1310岔枕 13 10内层含油量Kg/m3 普枕64/岔枕64/说明:生产过程抽样按GB2828进行三、测试方法和检验规则防腐木枕的外形尺寸、防腐措施、刻痕质量等用钢卷尺、游标卡尺等工具测定和目测,防腐剂的浸注深度和浸注浓度的测定、防腐木枕的检验规则根据标准具体规定执行四、标识与证明每根木枕在防腐处理前,应在枕面中央位置钉上标有年分,生产厂代号的镀锌年号钉,我厂代号为“W”,每批防腐木枕应附产品质量合格证,并应注明厂名,木枕类别、防腐剂种类、生产日期,检验印章五、交货期名师资料总结-精品资料欢迎下载-名师精心整理-第 2 页,共 3 页 -具体交货期将根据合同要求进行,工厂将及时与施工单位联系,根据需要及进度确保供应到位六、包装按有关标准执行名师资料总结-精品资料欢迎下载-名师精心整理-第 3 页,共 3 页 -。

下载提示
相似文档
正为您匹配相似的精品文档
相关文档