文档详情

岩金矿及其伴生组分工业指标参考

简****9
实名认证
店铺
PDF
211.34KB
约8页
文档ID:94642844
岩金矿及其伴生组分工业指标参考_第1页
1/8

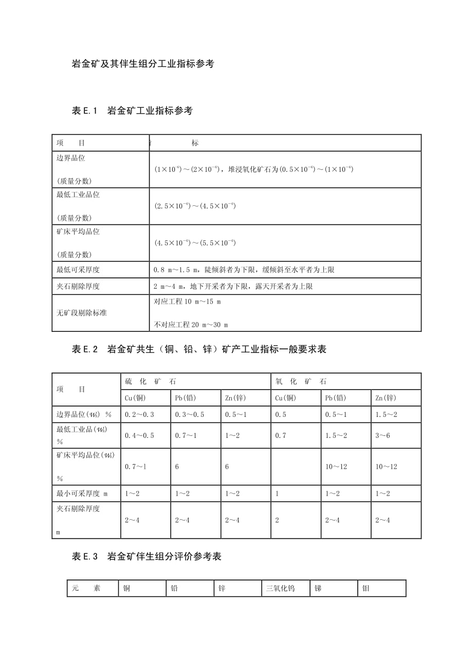
岩金矿及其伴生组分工业指标参考 表 E.1 岩金矿工业指标参考 项 目 指 标 边界品位 (质量分数) (1×10 -6)~(2×10—6),堆浸氧化矿石为(0.5×10-6)~(1×10-6) 最低工业品位 (质量分数) (2.5×10 -6)~(4.5×10-6) 矿床平均品位 (质量分数) (4.5×10 -6)~(5.5×10-6) 最低可采厚度 0.8 m~1.5 m,陡倾斜者为下限,缓倾斜至水平者为上限 夹石剔除厚度 2 m~4 m,地下开采者为下限,露天开采者为上限 无矿段剔除标准 对应工程 10 m~15 m 不对应工程 20 m~30 m 表 E.2 岩金矿共生(铜、铅、锌)矿产工业指标一般要求表 硫 化 矿 石 氧 化 矿 石 项 目 Cu(铜) Pb(铅) Zn(锌) Cu(铜) Pb(铅) Zn(锌) 边界品位(WB) % 0.2~0.3 0.3~0.5 0.5~1 0.5 0.5~1 1.5~2 最低工业品(WB) % 0.4~0.5 0.7~1 1~2 0.7 1.5~2 3~6 矿床平均品位(WB) % 0.7~l 6 6 10~12 10~12 最小可采厚度 m 1~2 1~2 1~2 1 1~2 1~2 夹石剔除厚度 m 2~4 2~4 2~4 2 2~4 2~4 表 E.3 岩金矿伴生组分评价参考表 元 素 铜 铅 锌 三氧化钨 锑 钼 Cu Pb Zn WO3 Sb Mo 质量分数 0.1% 0.2% 0.4% 0.05% 0.4% 0.01% 砷 碳 硫 钴 银 元 素 As C S Co Ag 质量分数 0.2% 2% 0.01% 2(g/t) 附 录 F(资料性附录) 岩金矿矿物 表 F.1 岩金矿矿物表 矿 物 名 称 化学分子式 金的质量分数 % 备 注 一、自然元素、天然合金和金属硫化物 1.自然金 Gold Au >80 常与银、 铂、 钯、 铑、 铜、 铋等成合金 2.银金矿 Electrum (Au,Ag) 80~50 3.黑铋金矿 Maldonite Au2Bi 65.3 4.斜方铜金矿 Auricupride Cu3Au 50.6 5.围山矿 Weishanite (Au,Ag)3,Hg2 56.91 1983 年 4 月国际矿物 学会正式承认 二、硫化物 6.硫金银矿 Uytenbogaardtite Ag3AuS2 32.6 三、碲化物 7.碲金矿 Calaverite AuTe2 44.03 有时含少量银 8.斜方碲金矿 Krennerite AuTe2 43.5 9.亮碲金矿 Montlbrayite (Au,Sb)2Te3 50.6 10.碲金银矿 Petzite Ag3AuTe2 25.4 11.板碲金银矿 Muthmannite (Ag,Au)Te 22.9~35.2 12.针碲金银矿 Sylvanite (Au,Ag)Te4 24.1 13.针碲金铜矿 Kostovite CuAuTe4 25.5 14.叶碲金矿 Nagyagite Pb5Au(Te,Sb)4S5-8 7.41~10.16 成分不定 15.碲铜金矿 Bessmertnovite Au4Cu(Te,Pb) 68.0~75.0 16.碲铁铜金矿 Bogdanovite Au5(Cu,Fe)3(Te,Pb)2 57.6~63.6 17.碲铅铜金矿 Bilibinskite Au3Cu2PbTe2 40.7~50.5 四、锑化物 18.方锑金矿 Aurostibite AuSb2 44.7 五、硒化物 19.硒金银矿 Fischesserite Ag2AuSe2 29.0 附 录 G(资料性附录) 中国金矿床成因类型划分 表 G.1 中国金矿床成因类型划分表 成 因 类 型 类型 地质特征 亚 类 建 造 典型矿床 1.重熔岩浆热液金矿床 硫化物—金建造 河北峪耳崖 2.混合岩化—重熔岩浆热 液金矿床 硫化物—金建造 山东玲珑、焦家 铅—锌—金建造 湖南水口山 (一)岩浆热 液金矿床 系指与重熔的中酸性侵入体 或与混合岩化花岗岩在成因和 时空分布上有关的热液型金矿 床,可分三个亚类。

3.接触交代—热液金矿床 铜—金建造 辽宁华铜, 山东沂南 1.火山热液金矿床 银—金建造 台湾金瓜石, 吉林刺 猬沟 (二)火山及 次火山-热 液金矿床 系指在成因和时、空分布上 与火山及次火山活动有关的热 液型金矿床,可分两个亚类 2.次火山—热液金矿床 硫化物—金建造 黑龙江团结沟 (三)沉积- 变质金矿床 系指在沉积层中的成矿物 质,在区域变质中进一步富集 而形成的金矿床,其热液作用 特征不显著 钴—金建造 黑龙江东风山 1.古老绿色岩中的金矿床 硫化物—金建造 吉林夹皮沟, 河北金 厂峪,河南小秦岭 硫化物—金建造 辽宁四道沟 铝—锌—银—金建造 河南银洞坡 钨—锑—金建造 湖南沃溪 (四)变质- 热液金矿 床 系指(富)含金的沉积层或火 山—沉积岩石组合,在区域变 质形成的热液作用下,形成与 沉积变质岩系在成因和时,空 分布上有关的热液型金矿床, 可分两个亚类 2.含炭质(火山)碎屑岩系 中的金矿床 砷—金建造 吉林二道甸子 石英—铁白云石—金 建造 陕西二台子 方解石—金建造 广西叫曼 1.碳酸盐系中的金矿床 菱铁矿—金建造 四川西昌 (五)地下 (卤)水溶滤 金矿床 系指主要在沉积岩地区。

由 地下热(卤)水溶滤作用而形成 的金矿床,可分两个亚类 2.碎屑岩系中的金矿床 砷—锑—汞—金建造 贵州板其、丫他 1.残余(铁帽)金矿床 褐铁矿—金建造 四川木里耳泽 2.淋积金矿床 铜—银—金建造 甘肃白银厂 (六)风化 壳金矿床 系指在地台和近地表含金地 质体,经风化淋滤形成,并主 要在风化壳带产出的金矿床, 可分三个亚类 3.残(坡)积金矿床 碎屑—金建造 内蒙古金盆 河床—河谷—河漫滩 砂金建造 黑龙江兴隆沟 (七)沉积 金矿床 系指含金地质体的风化产 物,经表生流水等介质搬运沉 积而形成的砂金矿床,并包括 1.冲积砂金矿床 阶地砂金建造 黑龙江桦南 2.洪积砂金矿床 内蒙古金盆 3.岩溶砂金矿床 湖南隆回、岩口 4.冰碛(水)砂金矿床 青海大场, 四川漳腊 部分已固结的古砂(砾)金矿 床,可分五个亚类 5.砾岩金矿床 吉林老头沟 注:据中国地质学会矿床专业委员会贵金属组,1985 年 附 录 H(资料性附录) 金矿物的粒度及形状分类 表 H.1 金矿物的粒度及形状分类 粒 级 粒 径 mm 延 展 率 边界圆滑 边界平整 棱角明显 边界不平整, 有尖角、枝杈 巨粒金 >0.295 1~1.5 浑圆粒状 麦粒状 尖角粒状 粗粒金 0.295~> 0.074 1.5~3 角粒状 长角粒状 中粒金 0.074~> 0.037 3~5 叶片状 板片状 细粒金 0.037~> 0.0l 微粒金 ≤0.01 2>5 针 状 枝杈状 注 1:金的粒度在很大程度上决定磨矿细度和所选用的选别方法。

按对选矿工艺产生的影响,将 粒度划分为五级在矿石磨碎过程中,巨粒金和粗粒金几乎全部可以分离成单体,并有利于重选法回 收,但浮选、浸出效果不佳中粒金在磨矿过程中大都能单体解离,少部分呈暴露连生体或被硫化物 包裹中细粒金用浮选法、氰化法都有好的效果单体的金矿物无论大小均易被汞吸附 注 2:自然金的不同形状在不同的选矿方法中效果不一样,如粒状的用重选法易回收,表面面积 大的在溶剂中溶解较快,片状的易浮选 附 录 I (资料性附录) 岩金矿床工业类型 表 I.1 岩金矿床工业类型 矿物共生组合 矿床工业类型 成矿地质特征 金属矿物 脉石矿物 破碎带蚀变岩型 (焦家式) 形成于变质基底隆起区, 区内以中 酸性岩浆岩、 混合岩、 变质岩为主 焦家式金矿受再生花岗质岩体与 胶东群接触带控制, 矿化发育在主 断裂带下盘的角砾岩、碎裂岩、碎 裂状花岗岩当中 黄铁矿为主,次为黄铜矿、方铅 矿、闪锌矿、磁黄铁矿,少量的 银金矿、自然金、自然银、白铁 矿、斑铜矿、辉铜矿、黝铜矿、 斜方辉钻铋矿、锆石、铁矿 石英、绢云母、长石, 少量绿泥石、白云石、 绿帘石、石榴子石 石英单脉 型 单脉以五龙金矿为代表, 赋存在吕 梁期黑云母花岗片麻岩发育区,含 金石英脉与构造控矿关系密切,处 于两组构造的复合处 黄铁矿、白钨矿、毒砂、磁黄铁 矿、辉铋矿、自然金、黄铜矿、 闪锌矿、胶状黄铁矿 石英、钾长石、萤石、 方解石 石英网脉 及复脉带 型 复脉带以金厂峪金矿为典型矿床, 产于太古宙遵化群中,赋矿围岩为 斜长角闪岩经韧性剪切作用形成 的蚀变片糜岩控制 黄铁矿, 少量的黄铜矿、 方铜矿、 闪锌矿、磁黄铁矿、磁铁矿、辉 钼矿、辉铋矿、辉银矿等,以及 褐铁矿、孔雀石、铜蓝 石英、方解石、白云石、 钠长石、白云母,少量 绢云母、绿泥石、磷灰 石、金红石、榍石、锆 石 含 金 石 英 脉 型 石英硅化 钾化蚀变 岩型(东坪 式) 产于中、高级变质岩地区,岩性为 斜长角闪岩、片麻岩、麻粒岩、变 粒岩区域性深断裂及派生的次级 断裂控制含矿地质体的分布, 具体 产于偏碱性性杂岩体及其外接触 带,由石英脉和硅化、钾化、蚀变 岩组成 黄铁矿,次为方铅矿、磁铁矿、 黄铜矿,少量的闪锌矿、碲铅矿 以及褐铁矿、赤铁矿、斑铜矿、 辉铜矿、铜蓝、铅矾氧化矿物 石英、长石、高岭石、 绢云母,少量绿帘石、 白云母、石榴子石、绿 泥石 斑岩型(团结沟式) 与中酸性、 酸性及碱性次火山岩有 关。

金矿体产于花岗闪长斑岩体顶 部及接触带附近 黄铁矿、白铁矿、辉锑矿、自然 金、黄铜矿、辰砂、雄黄、雌黄 玉髓状石英、方解石、 冰洲石、铁白云石、蛋 白石、长石、高岭土 矽卡岩型 中酸性小侵入体与不纯灰岩、 火山 凝灰岩的接触带围岩多为含石榴 子石、钙铁辉石、绿帘石矽卡岩 磁铁矿、黄铜矿、黄铁矿、赤铁 矿、斑铜矿、银金矿 钙铝榴石、透辉石、绿 帘石、石英、方解石 角砾岩型 角砾岩体多产于太古宙和元古宙 的变质岩中,原岩为中基性火山 岩岩体成群成带分布且受构造控 制,岩性为多铁的硅铝质岩石金 矿化分布在岩体内的角砾周边及 裂隙发育地段, 与胶结物密切相关 黄铁矿,次为黄铜矿、方铅矿、 自然金,少量闪锌矿、辉铋矿、 铜蓝、斑铜矿、辉钼矿 石英、绿泥石、绿帘石, 次为方解石、钾长石、 绢云母、钠长石及少量 黑云母、斜长石、次闪 石、阳起石、萤石 硅质岩层中的 含金铁建造型 (东风山式) 位于地台隆起的边缘拗陷区 含矿 地质体产于太古宙到元古宙的条 带状含铁硅质岩层中 磁铁矿、磁黄铁矿、黄铁矿、毒 砂、钛铁矿,少量自然金、辉钴 矿、黄铜矿、方铅矿、闪锌矿 铁闪石、石英、镁铁闪 石、碳酸盐矿物 表 I.1(续) 矿物共生组合 矿床工业类型 成矿地质特征 金属矿物 脉石矿物 含金火山岩型 主要产于中新生代火山带及火山 盆地。

矿体由含金方解石石英脉组 成,充填于火山口附近的环形放射 状裂隙中,或火山管道、火山口相 喷出岩中 黄铁矿、黄铜矿、黝铜矿、闪锌 矿、辉银矿、银金矿、金银矿、 金碲矿 玉髓、蛋白石、冰长石、 石英、碳酸盐矿物 微细粒浸染型 分布于显生宙准地台及地槽区,地 层为上古生界到中生界, 主要含金 层位为中三叠统,由碎屑岩构成的 沉积岩系 金及硫化物呈浸染状分 布其中 黄铁矿、白铁矿、毒砂、含砷黄 铁矿、辉锑矿、自然金、雄黄 水云母、重晶石、萤石、 石膏 矿床工业类型 围岩蚀变 矿体形状 规模及品位 共伴生元 素 矿床实例 破碎带蚀变岩 型(焦家式) 钾化、硅化、黄铁绢英岩化 脉带形 小到特大型 Ag 焦家、 新城、 三山岛 石英单脉型 硅化、绢云母化,次为绿泥 石化、黄铁矿化 脉状、扁豆状、 细脉状 小到大型 金质量分 数平均为 10.14×10 —6 五龙 石英网脉及 复脉带型 绢云母化、 黄铁矿化、 硅化、 绿泥石化、碳酸盐化 脉状、 不规则脉 状和透镜状。

下载提示
相似文档
正为您匹配相似的精品文档