文档详情

六角螺栓及螺母尺寸表(共8页)

文库****9
实名认证
店铺
DOC
336KB
约8页
文档ID:211645501
六角螺栓及螺母尺寸表(共8页)_第1页
1/8

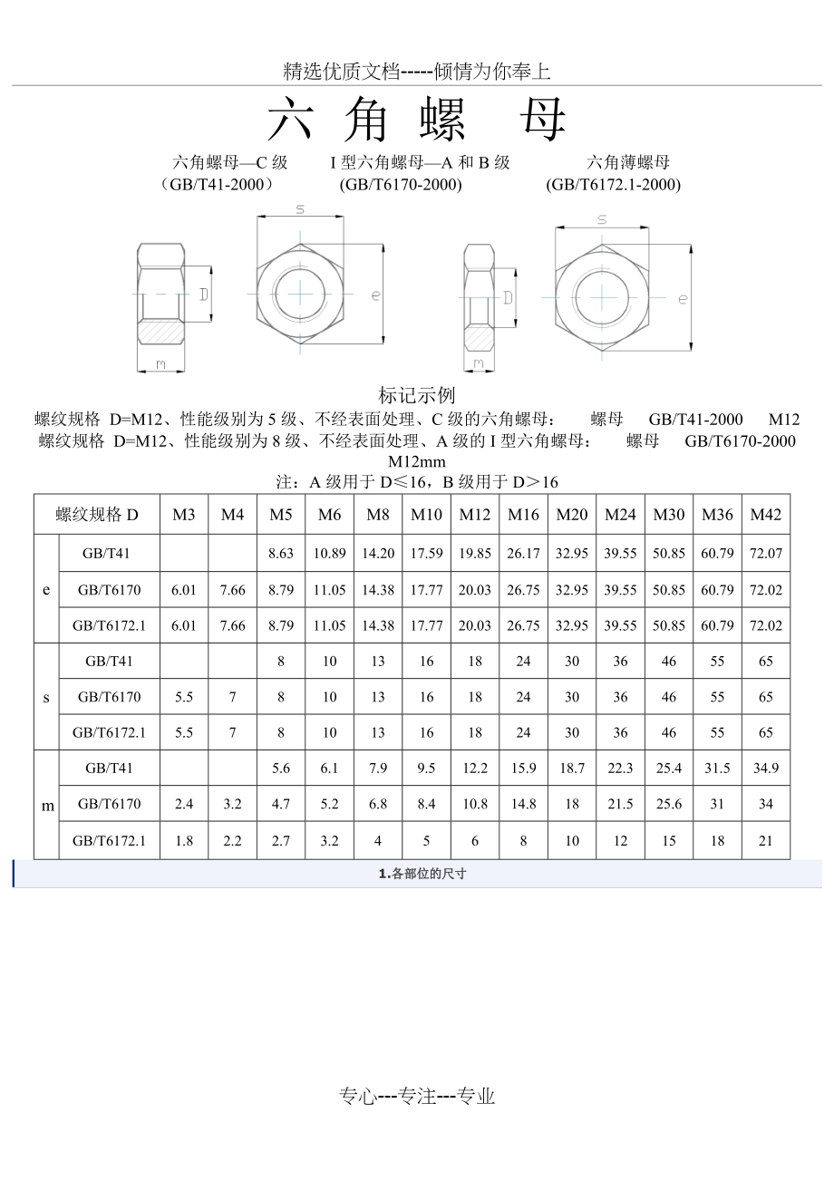
精选优质文档-----倾情为你奉上六 角 螺 母六角螺母—C级 I型六角螺母—A和B级 六角薄螺母(GB/T41-2000) (GB/T6170-2000) (GB/T6172.1-2000) 标记示例螺纹规格 D=M12、性能级别为5级、不经表面处理、C级的六角螺母: 螺母 GB/T41-2000 M12螺纹规格 D=M12、性能级别为8级、不经表面处理、A级的I型六角螺母: 螺母 GB/T6170-2000 M12mm螺纹规格DM3M4M5M6M8M10M12M16M20M24M30M36M42e GB/T41 8.6310.8914.2017.5919.8526.1732.9539.5550.8560.7972.07GB/T61706.017.668.7911.0514.3817.7720.0326.7532.9539.5550.8560.7972.02GB/T6172.16.017.668.7911.0514.3817.7720.0326.7532.9539.5550.8560.7972.02sGB/T41810131618243036465565GB/T61705.57810131618243036465565GB/T6172.15.57810131618243036465565mGB/T415.66.17.99.512.215.918.722.325.431.534.9GB/T61702.43.24.75.26.88.410.814.81821.525.63134GB/T6172.11.82.22.73.245681012151821注:A级用于D≤16,B级用于D>161.各部位的尺寸 单位:mm 螺纹的公称直径(d)(2)M3 M4 M5 M6M8M10M12 (M14) 螺栓的螺距(P)0.50.70.811.251.51.752b参考1820222428323640dk最大(基准尺寸)*5.578.51013161821最大**5.687.228.7210.2213.2716.2718.2721.33最小5.326.788.289.7812.7315.7317.7320.67da最大3.64.75.76.89.211.213.715.7ds最大(基准尺寸)34568101214最小2.863.824.825.827.789.7811.7313.73e最小2.873.444.585.726.869.1511.4313.72f最大0.510.600.600.681.021.021.451.45k最大(基准尺寸)34568101214最小2.863.824.825.707.649.6411.5713.57r最小0.10.20.20.250.40.40.60.6s公称(基准尺寸)2.5345681012最小2.523.024.025.026.028.02510.02512.032最大(1)1栏2.5803.0804.0955.1406.1408.17510.17512.2122栏2.5603.0804.0955.0956.0958.11510.11512.142t最小1.322.534567v最大0.30.40.50.60.811.21.4dw最小5.076.538.039.3812.3315.3317.2320.17w最小1.151.41.92.33.344.85.8螺纹的公称直径(d)(2)M16 (M18) M20 (M22) M24 (M27) M30 螺栓的螺距(P)22.52.52.5333.5b参考44485256606672dk最大(基准尺寸)*24273033364045最大**24.3327.3330.3333.3936.3940.3945.39最小23.6726.6729.6732.6135.6139.6144.61da最大17.720.222.424.426.430.433.4ds最大(基准尺寸)16182022242730最小15.7317.7319.6721.6723.6726.6729.67e最小16.0016.0019.4419.4421.7321.7325.15f最大1.451.872.042.042.042.892.89k最大(基准尺寸)16182022242730最小15.5717.5719.4821.4823.4826.4829.48r最小0.60.60.80.80.811s公称(基准尺寸)14141717191922最小14.03214.03217.05017.05019.06519.06522.065最大(1)1栏14.21214.21217.23017.23019.27519.27522.2752栏14.14214.142t最小8910111213.515.5v最大1.61.822.22.42.73dw最小23.1725.8728.8731.8134.8138.6143.61w最小6.87.78.69.510.412.113.1注(1):s(最大)的1栏适用于强度8.8及10.9及性状A2-50、A2-70的内容,2栏适用于强度12.9的内容。

但根据双方当事人之间协议,强度12.9的内容也可以适用1栏螺纹的公称直径M20以上的s(最大)适用于所有的强度及性状内容注(2):螺纹的公称直径中带括号的尽量不要使用 备注:1.头部的侧面带有直纹或网纹[参照JIS B 0951(滚花)]此时,dk(最大)为该表中的带**的数值 此外,需要没有滚花的货时,订货人必须指定但该dk(最大)为该表中带*的数值 2.对于螺纹的公称直径建议使用的公称长度(ℓ)为粗线框内的内容 如果ℓ比虚线位置短的为全螺纹,杆部的不完全螺纹长度约为3P3.公称长度(ℓ)比虚线位置长的话,ℓg(最大)及ℓs(最小)根据下式决定 ℓg(最大)=公称长度(ℓ)-bℓs(最小)=ℓg(最大)-5P 2.内六角螺栓的L和ℓs及ℓg 单位:mm 螺纹的公称直径(d)M3M4M5M6M8Lℓs min.及ℓg max.公称长度minmaxℓsminℓgmaxℓsminℓgmaxℓsminℓgmaxℓsminℓgmaxℓsminℓgmax54.765.24          65.766.24          87.718.29          109.7110.29          1211.6512.35          1615.6516.35          2019.5820.42          2524.5825.424.57        3029.5830.429.5126.51048    3534.535.5  11.515913611  4039.540.5  16.520141811165.75124544.545.5    1923162110.75175049.550.5    2428212615.75225554.455.6      263120.75276059.460.6      313625.75326564.465.6        30.75377069.470.6        35.75428079.480.6        45.75529089.390.7          10099.3100.7          110109.3110.7          120119.3120.7          130129.2130.8。

下载提示
相似文档
正为您匹配相似的精品文档
相关文档