文档详情

建筑给水排水图例与符号

小**
实名认证
店铺
DOC
3.30MB
约20页
文档ID:55216462
建筑给水排水图例与符号_第1页
1/20

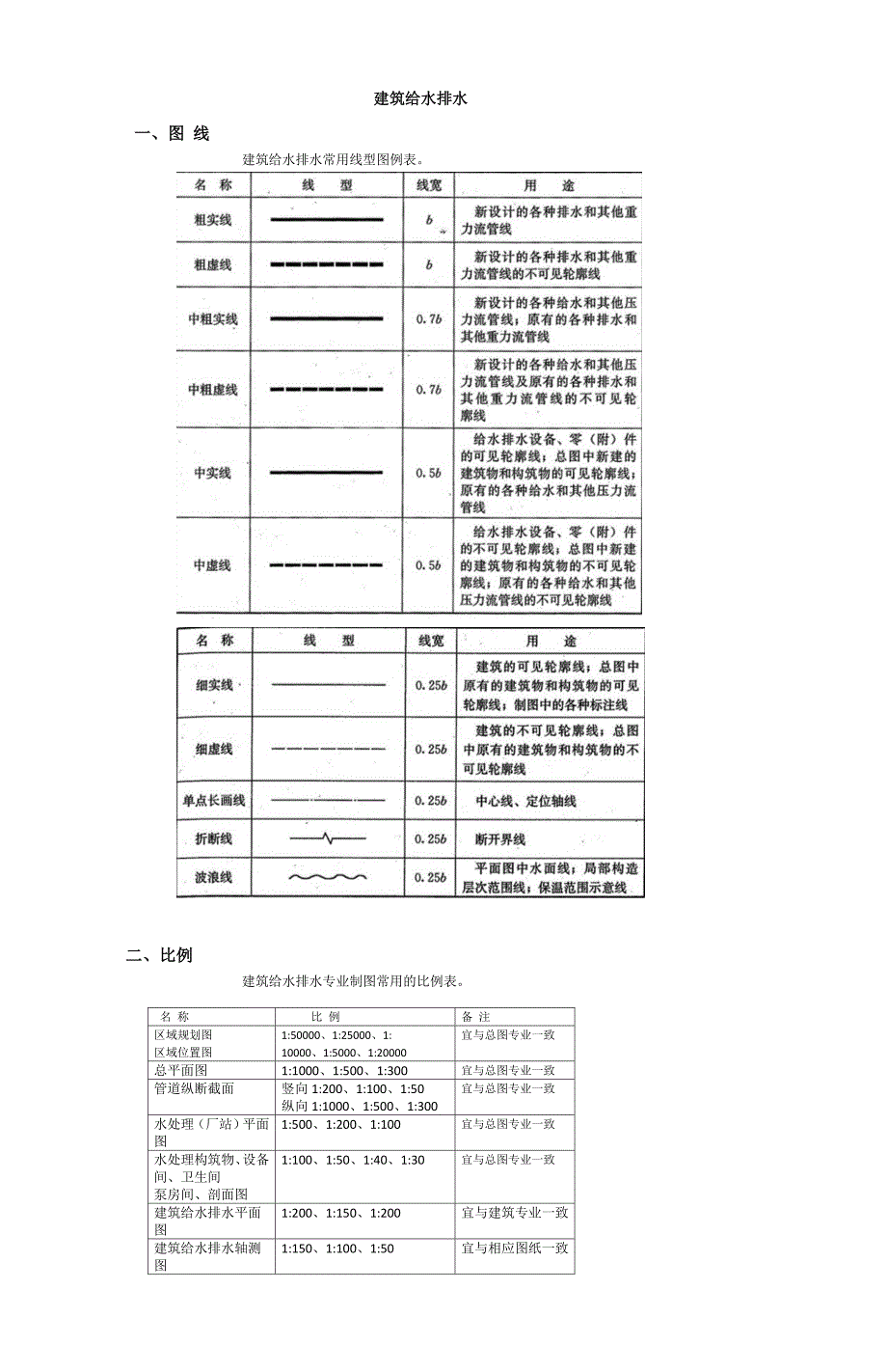
建筑给水排水建筑给水排水一、图一、图 线线建筑给水排水常用线型图例表二、比例二、比例建筑给水排水专业制图常用的比例表名 称比 例备 注区域规划图 区域位置图1:50000、1:25000、1: 10000、1:5000、1:20000宜与总图专业一致总平面图1:1000、1:500、1:300宜与总图专业一致 管道纵断截面竖向 1:200、1:100、1:50 纵向 1:1000、1:500、1:300宜与总图专业一致水处理(厂站)平 面图1:500、1:200、1:100宜与总图专业一致水处理构筑物、设 备间、卫生间 泵房间、剖面图1:100、1:50、1:40、1:30宜与总图专业一致建筑给水排水平面 图1:200、1:150、1:200宜与建筑专业一致建筑给水排水轴测 图1:150、1:100、1:50宜与相应图纸一致详图1:50、1:30、1:20、1:10 、1:5、1:2、1:1、2:1 三、标高的标注三、标高的标注1、室内工程应标注相对标高;室外工程宜标注绝对标高,当无绝对标高资料时,可标注相对标高,但应总图专 业一致 2、压力管道应标注中心标高;重力流管道和沟渠宜标注管(沟)内底标高。

标高单位以 m 计时,可注写到小数 点后第二位 3、标高的标注方法应符合下列规定: (1)平面图中,管道标高应按下图中的方式标注;平面图中管道标高标注法 (2)平面图中,沟渠标高应按下图的方式标注平面图中沟渠标高标注法 ( (3)剖面图中,管道及水位标高应按下图的方式标注剖面图中管道及水位标高标注法(4) 、轴测图中,管道标高应按图 2.3.5-4 的方式标注轴测图中管道标高标注法(5)建筑物内的管道也可以按本层建筑地面的标高加管道安装高度的方式标注管道标高,标注方法应为H+X,XX,H 表示本层建筑地面标高四、管径四、管径1 、管径的单位应为 mm 2、管径的表达方式应符合下列规定: (1) 水煤气输送钢管(镀锌或非镀锌) 、铸铁管等管材,管径宜以工程直径 DX 壁厚表示; (2) 无缝钢管、焊接钢管(直缝或螺旋缝)等管材,管径宜以外径 DX 壁厚表示; (3) 钢管、薄壁不锈钢管等管材,管径宜以公称 Dw 表示; (4)建筑给水排水塑料管材,管径宜以外径 dn 表示; (5)钢筋混凝土(或混凝土)管,管径宜以内径 d 表示; (6)复合管、结构壁塑料管等管材,管径应按产品标准的方法表示; (7)当设计中均采用公称直径 DN 表示管径时,应有公称直径 DN 与相应产品规格对照表。

3、管径的标注方法应符合下列规定: (1) 单根管道时,管径应按下图的方式标注;单管管径表示方法(2) 多根管道时,管径应按下图的方式标注多管管径表示方法 (3)当建筑物的给水引出入管或排水排出管的数量超过一根时,应进行编号,编号宜按图的方法表示给水引入(排水排出)管编号编号表示法 (4)建筑物内穿越楼层的立管,其数量超过一根时,应进行编号,编号宜按图的方法表示立管编号表示法 4、在总图中,当同种给水排水附属构筑物的数量超过一个时,应进行编号,并符合下列规定: (1) 编号方法应采用构筑物代号加编号表示; (2) 给水构筑物的编号顺序宜为从上水源到干管,再从干管到支管,最后到用户; (3) 排水构筑物的编号顺序宜为从上游到下游,先干管后支管 5、当给水排水工程的机电设备数量超过一台时,宜进行编号,并应有设备编号与设备名称对照表五、管道图例五、管道图例管道类别应以汉语拼音字母表示,管道图例宜符合表的要求六、管道附件图例六、管道附件图例管道附件的图例宜符合表的要求七、七、 阀门图例阀门图例阀门的图例宜符合表的要求 八、给水配件图例八、给水配件图例给水配件的图例宜符合下表的要求九、九、 消防设施图例消防设施图例消防设施的图例宜符合下表的要求十、卫生设备及水池图例十、卫生设备及水池图例卫生设备及水池的图例宜符合表的要求十一、十一、 小型给水排水构筑物图例小型给水排水构筑物图例小型给水排水构筑物的图例宜符合表的要求十二、给水排水设备图例十二、给水排水设备图例给水排水设备的图例宜符合下表要求十三、仪表图例十三、仪表图例给水排水专业所用仪表的图例宜符合表的要求。

下载提示
相似文档
正为您匹配相似的精品文档