文档详情

附录二-基本定额(共22页)

des****85
实名认证
店铺
DOCX
55.06KB
约22页
文档ID:227772942
附录二-基本定额(共22页)_第1页
1/22

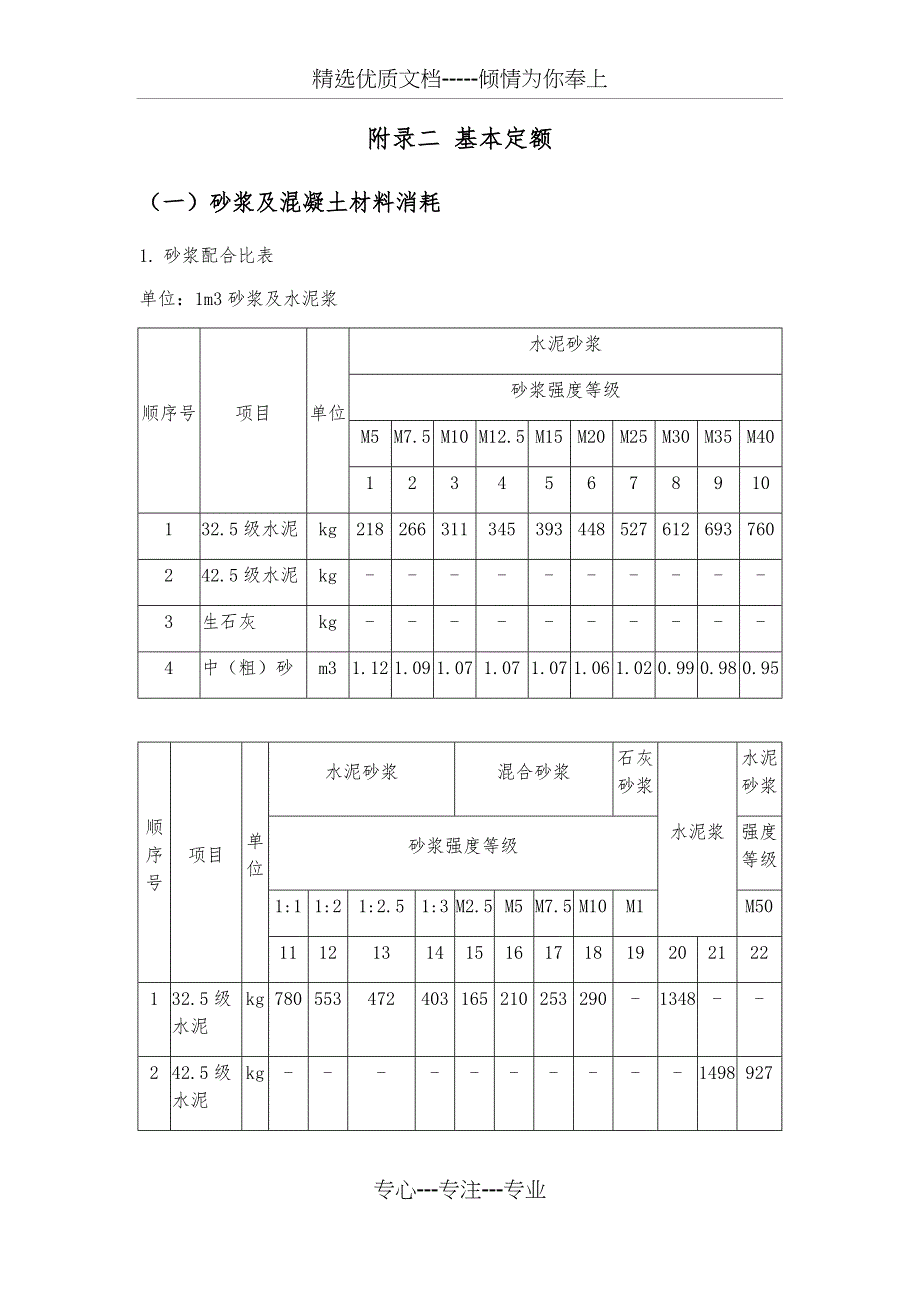
精选优质文档-----倾情为你奉上附录二 基本定额(1) 砂浆及混凝土材料消耗1. 砂浆配合比表单位:1m3砂浆及水泥浆顺序号项目单位水泥砂浆砂浆强度等级M5M7.5M10M12.5M15M20M25M30M35M4012345678910132.5级水泥kg218266311345393448527612693760242.5级水泥kg----------3生石灰kg----------4中(粗)砂m31.121.091.071.071.071.061.020.990.980.95顺序号项目单位水泥砂浆混合砂浆石灰砂浆水泥浆水泥砂浆砂浆强度等级强度等级1:11:21:2.51:3M2.5M5M7.5M10M1M50111213141516171819202122132.5级水泥kg780553472403165210253290-1348--242.5级水泥kg----------14989273生石灰kg----127946129207---4中(粗)砂m30.670.951.011.041.041.041.041.041.1--1注:表列用量已包括场内运输及操作损耗专心---专注---专业2. 混凝土配合比表单位:1m3混凝土顺序号项目单位普通混凝土碎(砾)石最大粒径(mm)20混凝土强度等级C10C15C20C25C30C35C40C45C50水泥强度等级32.532.532.532.532.542.532.542.532.542.552.542.552.542.552.51234567891011121314151水泥kg2382863153684063884504054884433994824395244792中(粗)砂m30.510.510.490.480.460.480.450.470.430.450.470.450.450.440.423碎(砾)石m30.850.820.820.80.790.790.780.790.780.790.790.770.790.750.794片石m3---------------顺序号项目单位普通混凝土碎(砾)石最大粒径(mm)2040混凝土强度等级C55C60C10C15C20C25C30C35C40C4552.552.532.532.532.532.532.542.532.542.532.542.552.542.552.51617181920212223242526272829301水泥kg5165392252672983353773554183724614153594403992中(粗)砂m30.420.410.510.50.490.480.460.460.450.460.430.440.460.440.443碎(砾)石m30.740.710.870.850.840.830.830.840.820.830.810.830.840.810.844片石m3---------------顺序号项目单位普通混凝土泵送混凝土碎(砾)石最大粒径(mm)408020混凝土强度等级C50C55C10C15C20C15C20C25C30C35C40C45水泥强度等级42.552.552.532.532.532.532.532.532.532.532.542.532.542.542.53132333435363738394041424344451水泥kg4874304512122532823213544074434914315384715122中(粗)砂m30.430.410.410.580.550.540.590.570.560.550.540.560.520.540.543碎(砾)石m30.790.840.830.830.830.820.750.750.710.70.690.70.670.690.674片石m3---------------顺序号项目单位泵送混凝土碎(砾)石最大粒径(mm)2040混凝土强度等级C50C55C60C10C15C20C25C30C35C40C45C50C55水泥强度等级42.552.552.532.532.532.532.532.532.542.532.542.542.542.552.54647484950515253545556575859601水泥kg5545465702363023253724204614035054404785054982中(粗)砂m30.530.510.50.660.590.590.580.560.540.570.520.550.560.550.553碎(砾)石m30.660.650.620.730.770.750.730.730.720.720.70.710.680.670.654片石m3---------------顺序号项目单位水下混凝土防水混凝土喷射混凝土片石混凝土碎(砾)石最大粒径(mm)402080混凝土强度等级C20C25C30C35C25C30C35C40C15C20C25C30C10C15C20水泥强度等级32.532.532.532.532.532.542.542.532.532.532.532.532.532.532.56162636465666768697071727374751水泥kg3684274605053683983854344354454695101802152402中(粗)砂m30.520.510.510.490.490.460.470.460.610.610.60.590.490.470.463碎(砾)石m30.710.690.670.660.80.840.830.810.580.570.570.560.710.710.74片石m3------------0.2150.2150.215注:1.采用细砂配制混凝土时,每m3混凝土的水泥用量增加4%; 2.表列各种强度混凝土的水泥用量,系按机械捣固计算的,如采用人工捣固时,每m3混凝土增加水泥用量25kg;3.表列用量已包括场内运输及操作损耗; 4.公路下构造物每m3混凝土水泥用量:机器捣固不应少于240kg,人工捣固不应少于265kg; 5.混凝土拌和与养生用水为:项目单位用水量(m3)项目单位用水量(m3)泵送混凝土其他混凝土泵送混凝土其他混凝土现浇基础、下部构造10m31812预制10m32216上部构造21153. 砌筑工程石料及砂浆消耗单位:1m3砌体及100m2勾缝抹面面积顺序号项目单位浆砌工程干砌工程片石卵石块石粗料石细料石青(红)砖片石、卵石块石1m3砌体123456781片石、卵石m31.151.15----1.25-2块石m3--1.05----1.153粗料石m3---0.9----4细料石m3----0.92---5青(红)砖千块-----0.531--6砂浆m30.350.380.270.20.130.24--顺序号项目单位水泥砂浆勾缝平、立面仰面平凹缝凸缝平凹缝片石块石料石青(红)砖片石块石料石青(红)砖片石块石料石青(红)砖100m2勾缝面积910111213141516171819201砂浆m30.870.520.350.221.22。

下载提示
相似文档
正为您匹配相似的精品文档
相关文档