文档详情

江苏省继电保护专业技能比武RCS902(1-5)(裁判用)

汽***
实名认证
店铺
DOC
183KB
约10页
文档ID:491979442
江苏省继电保护专业技能比武RCS902(1-5)(裁判用)_第1页
1/10

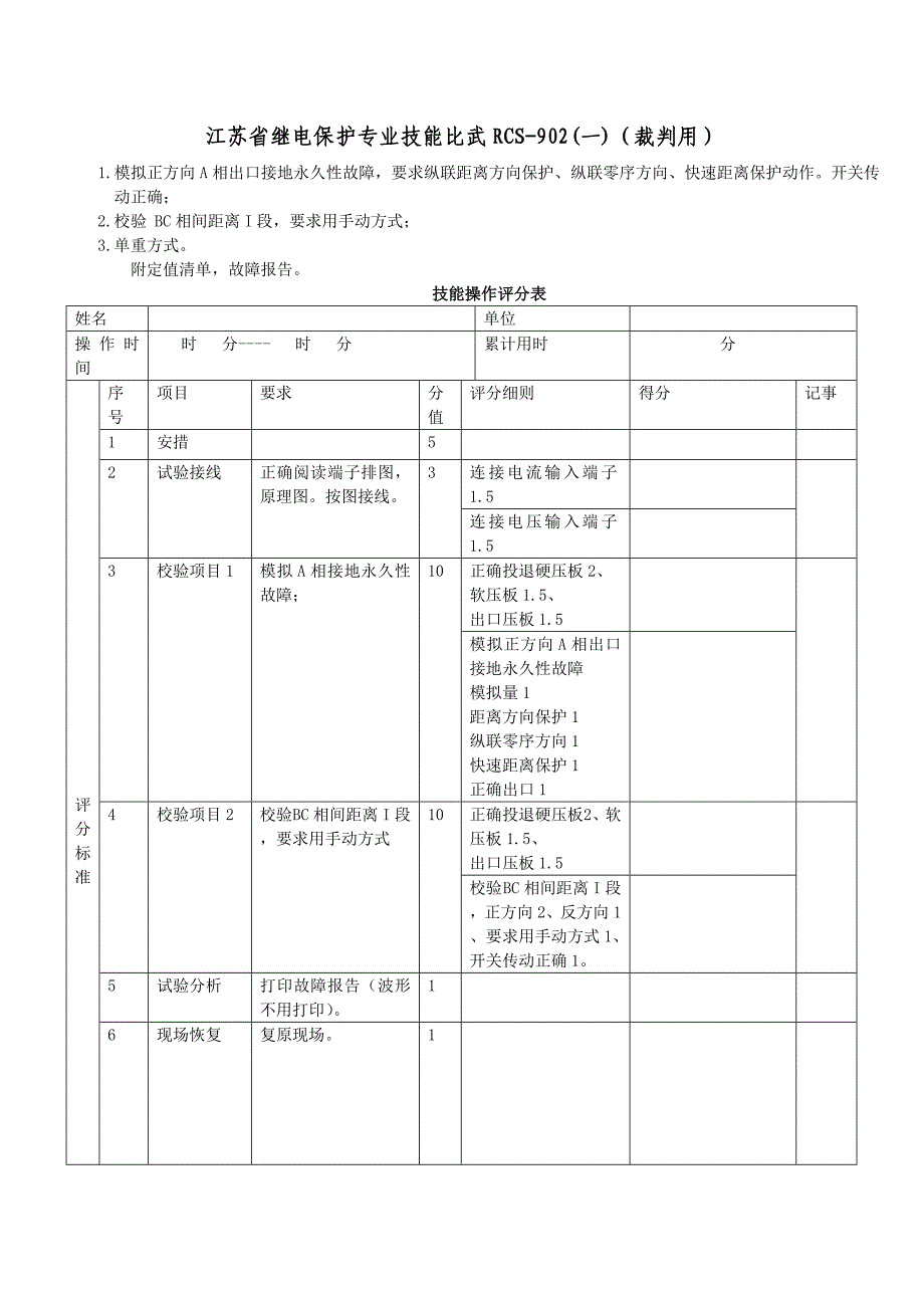
江苏省继电保护专业技能比武RCS-902(一)(裁判用)1.模拟正方向A相出口接地永久性故障,要求纵联距离方向保护、纵联零序方向、快速距离保护动作开关传动正确; 2.校验 BC相间距离I段,要求用手动方式;3.单重方式附定值清单,故障报告技能操作评分表姓名单位操作时间 时 分---- 时 分累计用时分评分标准 序号项目要求分值评分细则得分记事1安措52试验接线正确阅读端子排图,原理图按图接线3连接电流输入端子1.5连接电压输入端子1.53校验项目1模拟A相接地永久性故障;10正确投退硬压板2、软压板1.5、出口压板1.5模拟正方向A相出口接地永久性故障模拟量1距离方向保护1纵联零序方向1快速距离保护1正确出口14校验项目2校验 BC相间距离I段,要求用手动方式10正确投退硬压板 2、软压板1.5、出口压板1.5校验 BC相间距离I段,正方向2、反方向1、要求用手动方式1、开关传动正确15试验分析打印故障报告(波形不用打印)16现场恢复复原现场17故障故障设置方法故障现象故障分析故障排除故障点1保护定值中把“接地距离Ⅰ段定值”整定的比“接地距离Ⅱ段定值”大2运行灯灭,出现报文“定值出错”。

故障点2把保护定值中“内重合把手有效”置1,再把“投三重方式”置12外部把手无效,模拟任何故障都三跳三重故障点3虚接LFX-912上的n104收发信机不能起讯高频保护无法做出故障点4虚接11D36上的11QK2-224无收讯输入高频保护无法做出故障点5虚接11D37上的11QK2-264无收讯输入高频保护无法做出故障点61D9上n209与1D10上n210互换4Ua与Ub颠倒,报PT断线故障点71D91连11D36(保护+24V)1D96连11D376当△Z动作时,跳闸瞬时接点启动发讯,由于保护连续收讯,高频将来不及动作故障点8解开4D7与4D8之间的连线;411YJJ常开接点打开跳闸回路断开8试验报告完成试验报告10完成试验报告裁判签字:2007年 9 月 日总得分:江苏省继电保护专业技能比武RCS-902(二) (裁判用)1. 模拟正方向B相出口接地永久性故障,要求纵联距离方向保护、纵联零序方向、快速距离保护动作开关传动正确; 2. 校验AC相间距离II段,要求用手动方式;3. 单重方式附定值清单技能操作评分表姓名单位操作时间 时 分---- 时 分累计用时分评分标准 序号项目要求分值评分细则得分记事1安措52试验接线正确阅读端子排图,原理图。

按图接线3连接电流输入端子1.5连接电压输入端子1.53校验项目1模拟B相接地永久性故障;10正确投退硬压板2、软压板1.5、出口压板1.5模拟正方向B相出口接地永久性故障模拟量1距离方向保护1纵联零序方向1快速距离保护1正确出口14校验项目2校验AC相间距离II段,要求用手动方式;10正确投退硬压板2、软压板1.5、出口压板1.5校验AC相间距离II段,要求用手动方式;正方向2、反方向1、要求用手动方式1、开关传动正确1试验分析打印故障报告(波形不用打印)1现场恢复恢复现场15故障故障设置方法故障现象故障分析故障排除故障点1保护定值中把“接地距离II段定值”整定的比“接地距离III段定值”大2运行灯灭,出现报文“定值出错”故障点2把装置参数中二次额定电流由5A改正1A2运行灯灭,出现报文“该区定值无效”故障点311QK2打在旁路位置4无发信开出,高频保护无法做出故障点4虚接1D52上的11D374无发信开出,高频保护无法做出故障点5虚接1D66上的11D94收发信机不能起讯,高频保护无法做出故障点6把1D1与1D2用细导线短接4Ia有分流,校验AC相间距离II段不准确故障点71D91连11D36(保护+24V)1D96连11D376当△Z动作时,跳闸瞬时接点启动发讯,由于保护连续收讯,高频将来不及动作。

故障点81D54、55、56连用连片做4模拟任一相接地故障(三相TWJ同时动作放电),保护不重合6试验报告完成试验报告10完成试验报告裁判签字:2007年 9 月 日总得分:江苏省继电保护专业技能比武RCS-902(三)(裁判用)1. 模拟正方向C相出口接地永久性故障,要求纵联距离方向保护、纵联零序方向、快速距离保护动作开关传动正确; 2. 校验 AB相间距离III段,要求用手动方式;3. 单重方式附定值清单,故障报告技能操作评分表姓名单位操作时间 时 分---- 时 分累计用时分评分标准 序号项目要求分值评分细则得分记事1安措52试验接线正确阅读端子排图,原理图按图接线3连接电流输入端子1.5连接电压输入端子1.53校验项目1模拟正方向C相出口接地永久性故障10正确投退硬压板2、软压板1.5、出口压板1.5模拟正方向C相出口接地永久性故障模拟量1距离方向保护1纵联零序方向1快速距离保护1正确出口14校验项目2校验 AB相间距离III段,要求用手动方式10正确投退硬压板2、软压板1.5、出口压板1.5校验 AB相间距离III段,正方向2、反方向1、要求用手动方式1、开关传动正确1。

5试验分析打印故障报告(波形不用打印)16现场恢复复原现场17故障故障设置方法故障现象故障分析故障排除故障点1保护定值中把零序II段整定的比零序III段定值大2运行灯灭,出现报文“定值出错”故障点2把保护定值中“内重合把手有效”置1,再把“投三重方式”置12外部把手无效,模拟任何故障都三跳三重故障点3虚接11D9上的1D664收发信机不能起讯;高频保护无法做出故障点4模拟开关在跳位(任意相)4保护不充电故障点5虚接11D37上的11QK2-264无发讯输出;高频保护无法做出故障点6把1D10上n210与1D11上n211颠倒4Uc与Ub颠倒,报PT断线故障点71D91连11D36(保护+24V)1D96连11D376当△Z动作时,跳闸瞬时接点启动发讯,由于保护连续收讯,高频将来不及动作故障点84D106连4D109(注恢复时需点手合翻转2ZJ)用连片4做C相接地故障时,保护不重合注:模拟断路器跳位时(DL打开),STJ可能一直励磁,这样TBJ保持,跳闸回路一直有正电,模拟断路器合不上,必须先解开4D106,把模拟断路器先合上,再接上4D1068试验报告完成试验报告10完成试验报告裁判签字:2007年 9 月 日总得分:江苏省继电保护专业技能比武RCS-902(四)(裁判用)1. 模拟正方向C相出口接地永久性故障,要求纵联距离方向保护、纵联零序方向、快速距离保护动作。

开关传动正确; 2. 模拟A相接地故障,校验零序II段,要求用手动方式,开关传动正确;3. 单重方式附定值清单,故障报告技能操作评分表姓名单位操作时间 时 分---- 时 分累计用时分评分标准 序号项目要求分值评分细则得分记事1安措52试验接线正确阅读端子排图,原理图按图接线3连接电流输入端子1.5连接电压输入端子1.53校验项目1模拟正方向C相出口接地永久性故障10正确投退硬压板2、软压板1.5、出口压板1.5模拟正方向C相出口接地永久性故障模拟量1距离方向保护1纵联零序方向1快速距离保护1正确出口14校验项目2校验 零序II段,要求用手动方式,10正确投退硬压板2、软压板1.5、出口压板1.5校验 零序II段,要求用手动方式,开关传动正确,正方向2、反方向1、要求用手动方式1、开关传动正确15试验分析打印故障报告(波形不用打印)16现场恢复复原现场17故障故障设置方法故障现象故障分析故障排除故障点1保护定值中把零序II段整定的比零序III段定值小2运行灯灭,出现报文“定值出错”故障点2改保护定值:控制字“投三相跳闸方式”为12模拟任何故障都三跳故障点3虚接11D9上的1D664收发信机不能起讯;高频保护无法做出故障点4解开4D7—4D8的连线,合闸压力降低开入始终有4保护不充电故障点5虚接11D37上的11QK2-264无发讯输出;高频保护无法做出故障点6用细导线短接1D1-1D24A相有分流,校验定值不正确故障点71D91连11D36(保护+24V)1D96连11D376当△Z动作时,跳闸瞬时接点启动发讯,由于保护连续收讯,高频将来不及动作。

下载提示
相似文档
正为您匹配相似的精品文档
相关文档