文档详情

福禄克fluke停产万用表替代型号对照表

第***
实名认证
店铺
DOC
87KB
约2页
文档ID:38834727
福禄克fluke停产万用表替代型号对照表_第1页
1/2

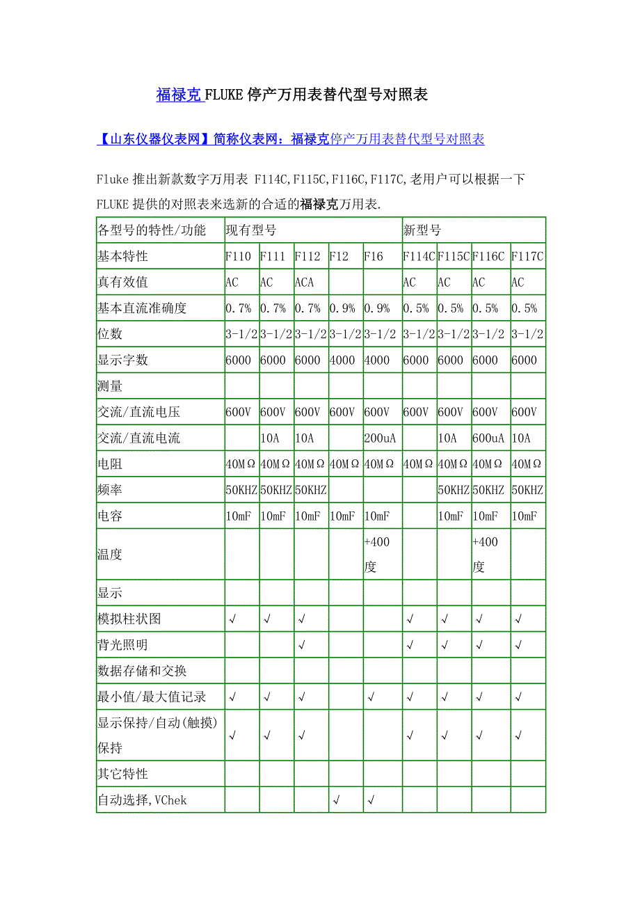
福禄克福禄克 FLUKEFLUKE 停产万用表替代型号对照表停产万用表替代型号对照表【【山东仪器仪表网山东仪器仪表网】】简称仪表网:福禄克简称仪表网:福禄克停产万用表替代型号对照表Fluke 推出新款数字万用表 F114C,F115C,F116C,F117C,老用户可以根据一下FLUKE 提供的对照表来选新的合适的福禄克福禄克万用表.各型号的特性/功能现有型号新型号基本特性F110 F111 F112 F12F16F114CF115CF116C F117C真有效值ACACACA ACACACAC基本直流准确度0.7% 0.7% 0.7% 0.9% 0.9%0.5% 0.5% 0.5%0.5%位数3-1/23-1/23-1/23-1/23-1/2 3-1/23-1/23-1/2 3-1/2显示字数6000 6000 6000 4000 40006000 6000 60006000测量交流/直流电压600V 600V 600V 600V 600V600V 600V 600V600V交流/直流电流10A10A 200uA 10A600uA 10A电阻40MΩ40MΩ40MΩ40MΩ40MΩ 40MΩ40MΩ40MΩ 40MΩ频率50KHZ50KHZ50KHZ 50KHZ50KHZ 50KHZ电容10mF 10mF 10mF 10mF 10mF 10mF 10mF10mF温度+400度+400度显示模拟柱状图√√√ √√√√背光照明√ √√√√数据存储和交换最小值/最大值记录√√√ √√√√√显示保持/自动(触摸)保持√√√ √√√√其它特性自动选择,VChek√√ 自动选择.LOZ√ √√VOLT ALERT 非接触式交流电压检测器√产品信息型号描述高长宽重量产地F114C电气测量万用表27.62CM 15.875CM 5.6CM0.607KG中国F115C万用表27.62CM 15.875CM 5.6CM0.607KG中国F116CHVAC 万用表27.62CM 15.875CM 5.6CM0.607KG中国F116/62HVAC 工具箱30.48CM 22.86CM8.57CM 0.95KG中国F117C电气工作人员用万用表27.62CM 15.875CM 5.6CM0.607KG中国F117/322工作人员的工具箱30.48CM 22.86CM8.57CM 0.95KG中国新旧型号替代信息旧产品新产品F112F177CF112/322F177/322F110/F111F115CF7-600F114CF12/F16F116C关键字:福禄克、福禄克万用表型号、福禄克、福禄克万用表型号、fluke 万用表型号、福禄克停产万用表替万用表型号、福禄克停产万用表替 换型号换型号。

下载提示
相似文档
正为您匹配相似的精品文档
相关文档