文档详情

钢栈桥及平台检查验收标准

工**
实名认证
店铺
DOCX
19.33KB
约2页
文档ID:272050496
钢栈桥及平台检查验收标准_第1页
1/2

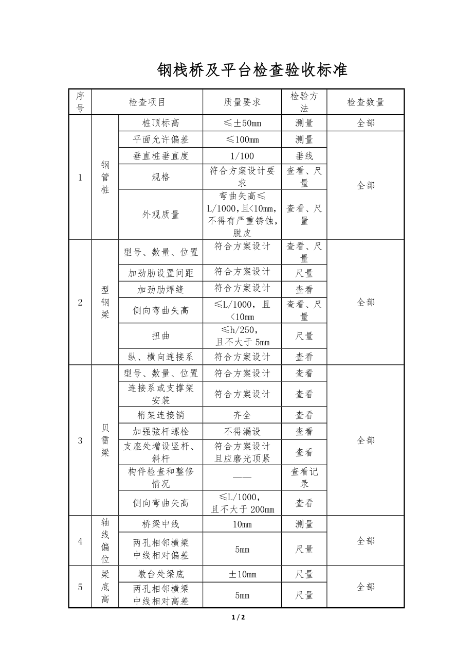
钢栈桥及平台检查验收标准序号检查项目质量要求检验方法检查数量1钢管桩桩顶标高≤±50mm测量全部平面允许偏差≤100mm测量全部垂直桩垂直度1/100垂线规格符合方案设计要求查看、尺量外观质量弯曲矢高≤L/1000,且<10mm,不得有严重锈蚀,脱皮查看、尺量2型钢梁型号、数量、位置符合方案设计查看、尺量全部加劲肋设置间距符合方案设计尺量加劲肋焊缝符合方案设计查看侧向弯曲矢高≤L/1000,且<10mm查看、尺量扭曲≤h/250,且不大于5mm尺量纵、横向连接系符合方案设计查看3贝雷梁型号、数量、位置符合方案设计查看全部连接系或支撑架安装符合方案设计查看桁架连接销齐全查看加强弦杆螺栓不得漏设查看支座处增设竖杆、斜杆符合方案设计且应磨光顶紧查看构件检查和整修情况——查看记录侧向弯曲矢高≤L/1000,且不大于200mm查看4轴线偏位桥梁中线10mm测量全部两孔相邻横梁中线相对偏差5mm尺量5梁底高程墩台处梁底±10mm尺量全部两孔相邻横梁中线相对高差5mm尺量6焊缝外观质量符合方案设计查看、尺量全部内部质量符合方案设计探伤检查按设计7面板外观质量无明显变形查看全部 2 / 2。

下载提示
相似文档
正为您匹配相似的精品文档