文档详情

岩土分类与鉴定

木92****502
实名认证
店铺
PDF
466.08KB
约1页
文档ID:126765499
岩土分类与鉴定_第1页
1/1

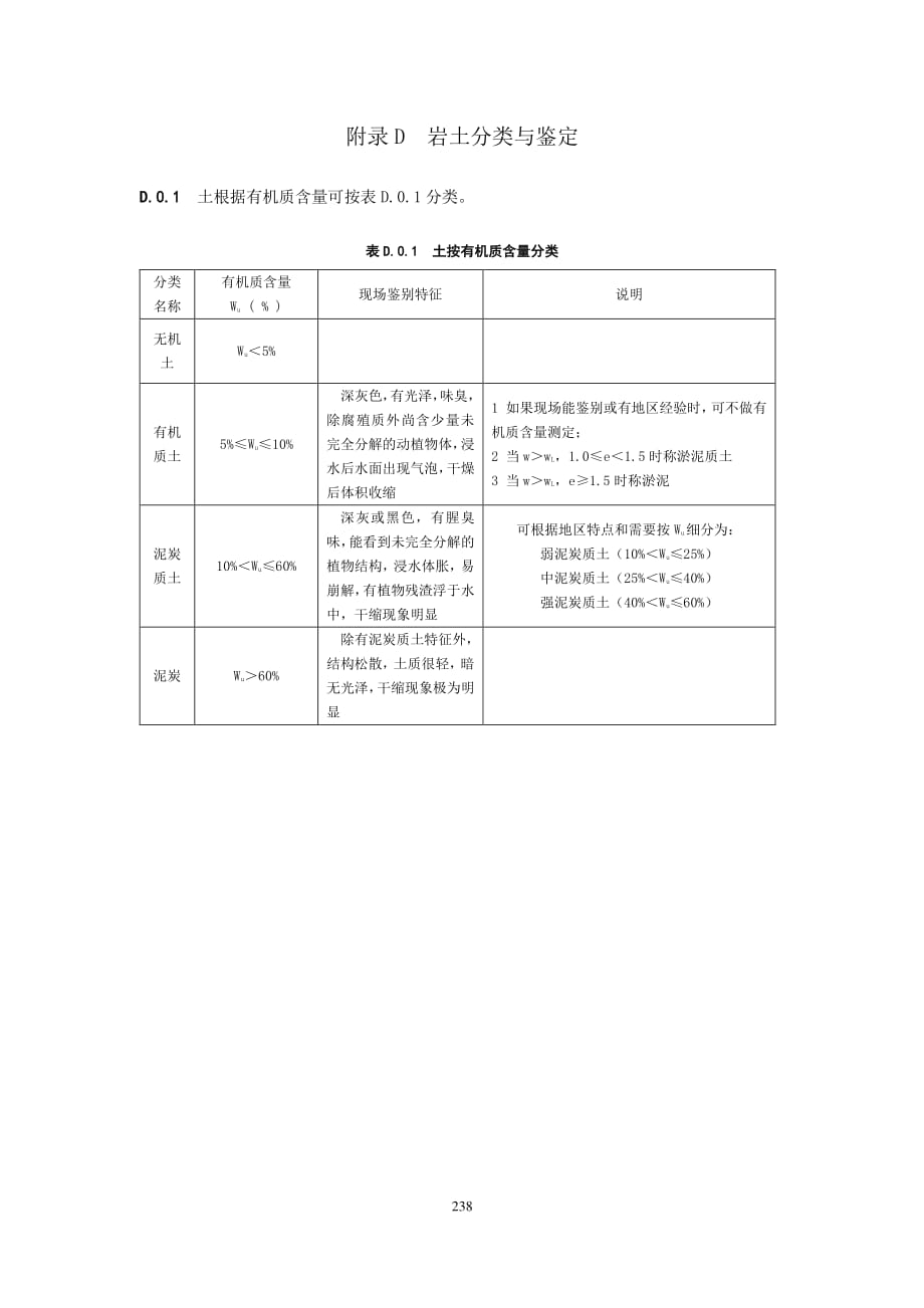
238 附录 D 岩土分类与鉴定 D D 0 0 1 1 土根据有机质含量可按表 D 0 1 分类 表表 D D 0 10 1 土按有机质含量分类土按有机质含量分类 分类 名称 有机质含量 Wu 现场鉴别特征 说明 无机 土 Wu 5 有机 质土 5 Wu 10 深灰色 有光泽 味臭 除腐殖质外尚含少量未 完全分解的动植物体 浸 水后水面出现气泡 干燥 后体积收缩 1 如果现场能鉴别或有地区经验时 可不做有 机质含量测定 2 当 w wL 1 0 e 1 5 时称淤泥质土 3 当 w wL e 1 5 时称淤泥 泥炭 质土 10 Wu 60 深灰或黑色 有腥臭 味 能看到未完全分解的 植物结构 浸水体胀 易 崩解 有植物残渣浮于水 中 干缩现象明显 可根据地区特点和需要按 Wu细分为 弱泥炭质土 10 Wu 25 中泥炭质土 25 Wu 40 强泥炭质土 40 Wu 60 泥炭 Wu 60 除有泥炭质土特征外 结构松散 土质很轻 暗 无光泽 干缩现象极为明 显 。

下载提示
相似文档
正为您匹配相似的精品文档