文档详情

混凝土部分复合保温砌块(砖)及砌体主要性能指标

木**
实名认证
店铺
DOCX
479.39KB
约3页
文档ID:189745376
混凝土部分复合保温砌块(砖)及砌体主要性能指标_第1页
1/3

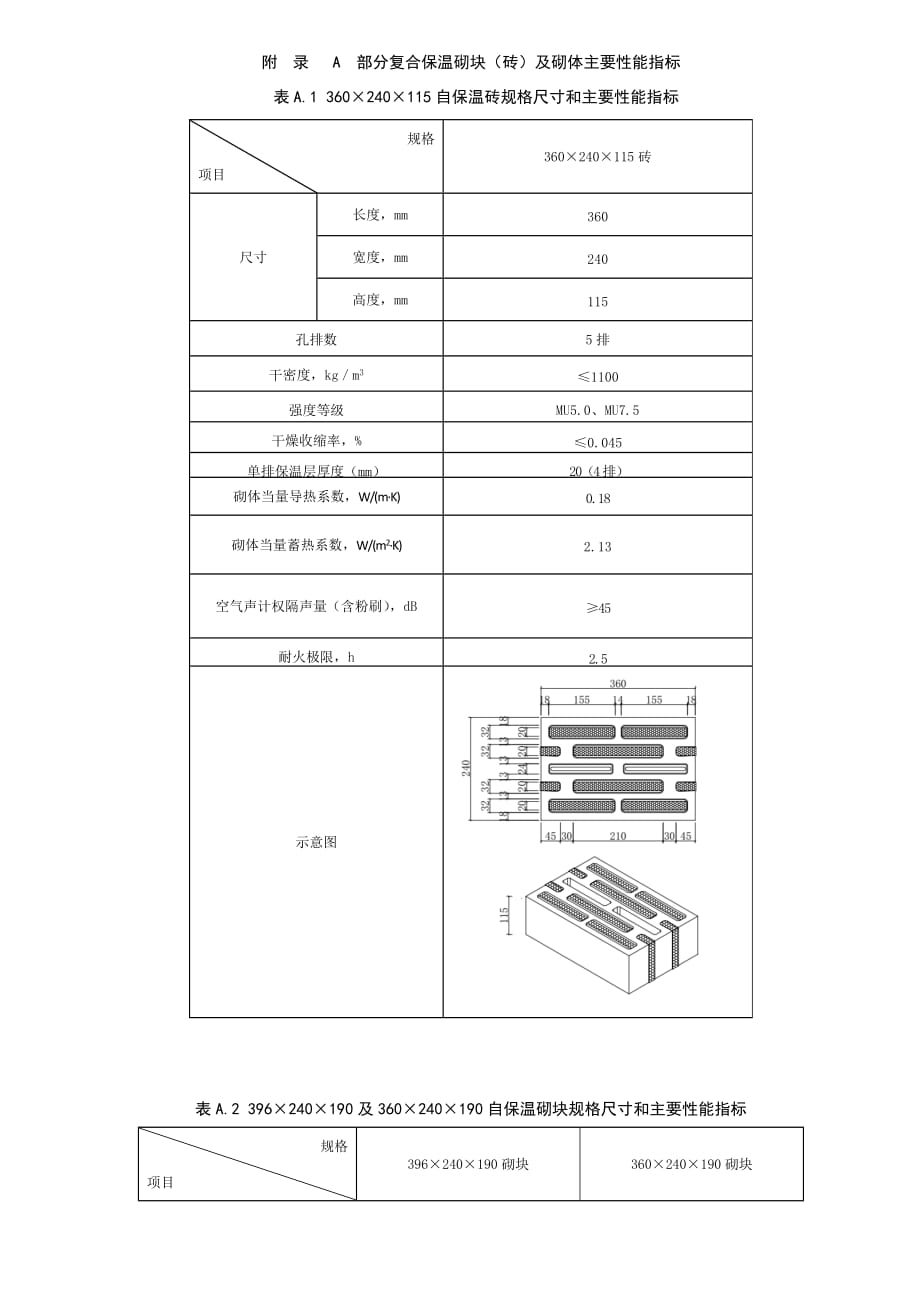
附录A 部分复合保温砌块(砖)及砌体主要性能指标表A.1 360240115自保温砖规格尺寸和主要性能指标规格项目360240115砖尺寸长度,mm360宽度,mm240高度,mm115孔排数5排干密度,kg/m3≤1100强度等级MU5.0、MU7.5干燥收缩率,%≤0.045单排保温层厚度(mm)20(4排)砌体当量导热系数,W/(mK)0.18砌体当量蓄热系数,W/(m2K)2.13空气声计权隔声量(含粉刷),dB≥45耐火极限,h2.5示意图表A.2 396240190及360240190自保温砌块规格尺寸和主要性能指标规格项目396240190砌块360240190砌块尺寸长度,mm396360宽度,mm240240高度,mm190190孔排数4排5排干密度,kg/m3≤1100≤1100强度等级MU5.0、MU7.5MU5.0、MU7.5干燥收缩率,%≤0.045≤0.045单排保温层厚度(mm)20(3排)20(4排)砌体当量导热系数,W/(mK)0.190.18砌体当量蓄热系数,W/(m2K)2.242.13空气声计权隔声量(含粉刷),dB≥45≥45耐火极限,h2.52.5示意图表A.3 480310190自保温砌块规格尺寸和主要性能指标规格项目480310190砌块尺寸长度,mm480宽度,mm310高度,mm200干密度,kg/m3≤700强度等级MU5.0干燥收缩率,%≤0.045砌体当量导热系数,W/(mK)0.10砌体当量蓄热系数,W/(m2K)0.88 空气声计权隔声量(含粉刷),dB≥45耐火极限,h2.5示意图。

下载提示
相似文档
正为您匹配相似的精品文档