文档详情

(完整版)LED数码管显示实验

桔****
实名认证
店铺
DOCX
1.30MB
约18页
文档ID:552130231
(完整版)LED数码管显示实验_第1页
1/18

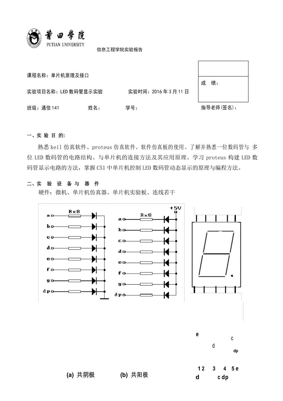
信息工程学院实验报告课程名称:单片机原理及接口实验项目名称:LED 数码管显示实验实验时间:2016 年 3 月 11 日成绩:班级:通信 141姓名:学号:指导老师(签名):一、实 验 目 的:熟悉 keil 仿真软件、proteus 仿真软件、软件仿真板的使用了解并熟悉一位数码管与 多位 LED 数码管的电路结构、与单片机的连接方法及其应用原理学习 proteus 构建 LED 数 码管显示电路的方法,掌握 C51 中单片机控制 LED 数码管动态显示的原理与编程方法二、实验 设 备 与器 件硬件:微机、单片机仿真器、单片机实验板、连线若干软件:KEIL C51 单片机仿真调试软件,proteus 系列仿真调试软件三、实 验 原 理LED 显示器是由发光二极管显示字段的显示器件在单片机应用系统中通常使用的是七 段 LED,这种显示器有共阴极与共阳极两种g f a b10 9 8 7 6a(a) 共阴极(b) 共阳极fbgecddp1 2 3 4 5 e d c dp(c) 管脚配置共阴极 LED 显示器的发光二极管阴极共地,当某个发光二极管的阳极为高电平时,该发 光二极管则点亮;共阳极 LED 显示器的发光二极管阳极并接。

七段 LED 数码管与单片机连接时,只要将一个 8 位并行输出口与显示器的发光二极管引第 1 页 共 9 页脚相连即可 8 位并行输出口输出不同的字节数据即可获得不同的数字或字符,通常将控制 发光二极管的 8 位字节数据称为段选码多位七段 LED 数码管与单片机连接时将所有 LED 的段选线并联在一起,由一个八位 I/O 口控制,而位选线分别由相应的 I/O 口线控制如:8 位 LED 动态显示电路只需要两个八位 I/O 口其中一个控制段选码,另一个控制位选由于所有位的段选码皆由一个 I/O 控制,因此,在每个瞬间,多位LED 只可能显示相同 的字符要想每位显示不同的字符,必须采用动态扫描显示方式即在每一瞬间只使某一位 显示相应字符在此瞬间,位选控制 I/O 口在该显示位送入选通电平(共阴极送低电平、共 阳极送高电平)以保证该位显示相应字符,段选控制 I/O 口输出相应字符段选码如此轮流, 使每位显示该位应显示字符,并保持延时一段时间,以造成视觉暂留效果不断循环送出相应的段选码、位选码,就可以获得视觉稳定的显示状态由人眼的视觉特性, 每一位 LED 在一秒钟内点亮不少于 30 次,其效果和一直点亮相差不多。

四、实 验 内 容 与 步 骤1、电路图的设计1)打开 proteus 软件,单击 P,打开搜索元器件窗口,如图 1-1 所示:图 1-1 搜索元器件(2)添加元器件 AT89C51、CAP、BUTTON、LED-BLUE、RES、CRYSTAL、7SEG-MPXI1CC,修改元器件的 参数,绘制电路图,如图 1-2 所示:第 2 页 共 9 页图 1-2 LED 显示电路2、keil 项目程序的建立1)LED 数码管在左边第 3 位显示 5①运行 keil 软件,启动后,点击 Project 菜单新建项目,新建项目界面如图 1-3 所示:图 2-1 新建项目工程②新建项目后,完成程序的写入,代码如图 1-4 所示:图 2-2 代码③设置输出 HEX 文件,如图 1-5 所示,单击确定保存,运行程序得到 HEX 文件:第 3 页 共 9 页图 2-3 设置输出 HEX 文件(2)在左边第 2 位循环显示 1-8①运行 keil 软件,启动后,点击 Project 菜单新建项目 ②新建项目后,完成程序的写入,代码如图 2-4 所示:图 2-4 左边第 2 位循环显示 1-8 代码③设置输出 HEX 文件,勾选上 Output 下的 Create HEX Fi:,单击确定保存,运行程序得到 HEX 文件。

3)同时显示 12345678① 运行 keil 软件,启动后,点击 Project 菜单新建项目② 新建项目后,完成程序的写入,代码如图 2-5 所示:第 4 页 共 9 页图 2-5 同时显示 12345678 代码③设置输出 HEX 文件,勾选上 Output 下的 Create HEX Fi:,单击确定保存,运行程序得到 HEX 文件4) *开关控制显示内容,开关不同位置分别显示 12345 和 HELLO① 运行 keil 软件,启动后,点击 Project 菜单新建项目② 新建项目后,完成程序的写入,代码如图 2-6 所示:第 5 页 共 9 页图 2-6 开关控制不同位置分别显示 12345 和 HELLO 代码③设置输出 HEX 文件,勾选上 Output 下的 Create HEX Fi:,单击确定保存,运行程序得到 HEX 文件5) *一个开关控制(开始) 8 跑马 8 次① 运行 keil 软件,启动后,点击 Project 菜单新建项目② 新建项目后,完成程序的写入,代码如图 2-7 所示:第 6 页 共 9 页图 2-7 一个开关控制 8 跑马 8 次代码③设置输出 HEX 文件,勾选上 Output 下的 Create HEX Fi:,单击确定保存,运行程序得到 HEX 文件。

五、实 验 结 果 及 分 析:1、LED 数码管在左边第 3 位显示 5 实验结果如图 3-1:图 3-1第 3 位显示 52、LED 数码管在左边第 2 位循环显示 1-8 实验结果如图 3-2:第 7 页 共 9 页图 3-2左边第 2 位循环显示 1-83、LED 数码管同时显示 12345678 实验结果如图 3-3:图 3-3同时显示 123456784、*开关控制显示内容,开关不同位置分别显示 12345 和 HELLO 实验结果如图 3-4:图 3-4开关控制不同位置分别显示 12345 和 HELLO5、*一个开关控制(开始) 8 跑马 8 次实验结果如图 3-5:第 8 页 共 9 页图 3-5 一个开关控制 8 跑马 8 次六、实 验 总 结:通过自己编写代码,并用软件进行仿真,进一步熟悉 keil 仿真软件 proteus 仿真软件的 使用了解并熟悉一位数码管与多位 LED 数码管的电路结构、与单片机的连接方法及其应用 原理学习 proteus 构建 LED 数码管显示电路的方法,掌握 C51 中单片机控制 LED 数码管动 态显示的原理与编程方法第 9 页 共 9 页。

下载提示
相似文档
正为您匹配相似的精品文档
相关文档