文档详情

第10章给水排水工程图

876****10
实名认证
店铺
DOC
1.79MB
约12页
文档ID:203670912
第10章给水排水工程图_第1页
1/12

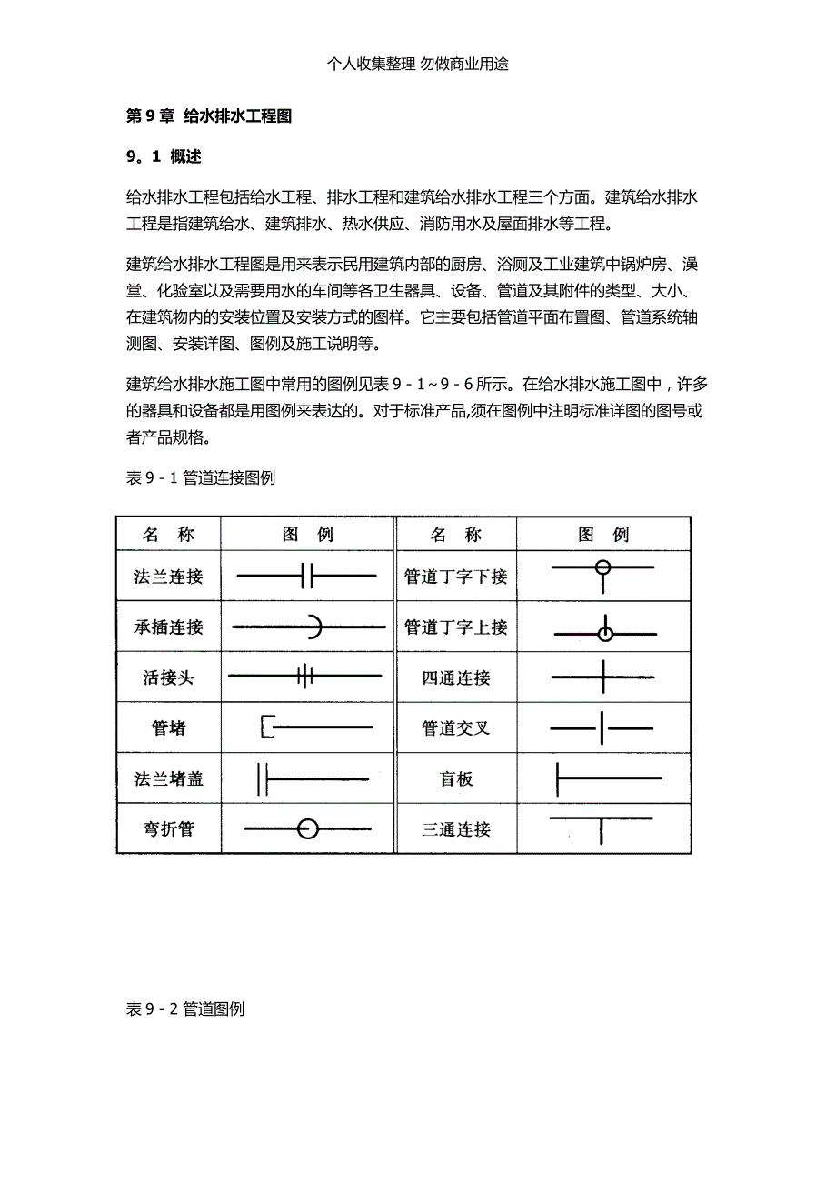
个人收集整理 勿做商业用途第9章 给水排水工程图91 概述给水排水工程包括给水工程、排水工程和建筑给水排水工程三个方面建筑给水排水工程是指建筑给水、建筑排水、热水供应、消防用水及屋面排水等工程建筑给水排水工程图是用来表示民用建筑内部的厨房、浴厕及工业建筑中锅炉房、澡堂、化验室以及需要用水的车间等各卫生器具、设备、管道及其附件的类型、大小、在建筑物内的安装位置及安装方式的图样它主要包括管道平面布置图、管道系统轴测图、安装详图、图例及施工说明等建筑给水排水施工图中常用的图例见表9-1~9-6所示在给水排水施工图中,许多的器具和设备都是用图例来表达的对于标准产品,须在图例中注明标准详图的图号或者产品规格表9-1 管道连接图例 表9-2 管道图例表9-3 管道附件图例表9-4 给水配件图例92 建筑给水工程图表9-5 卫生设备图例表9-6 其他图例92.1 建筑给水管道的组成建筑给水管道一般由下列各部分组成(图9-1)1、引入管;2、水表;3、干管;4、立管;5、支管;6、用水设备2 建筑给水的布置方式1、直接供水方式(图9-1(a))2、设置水箱的供水方式3、设置水箱和水泵的供水方式(图9-1(b))4、分区供水方式(图9-1(c))9.2.3 建筑给水管道的布置原则:1、保证供水安全,力求管线简短,平直.2、使用方便,避免或者尽量减小与建筑,结构框架,暖通,电气各方面的矛盾。

3、便于施工,便于使用中的维护与管理2.4 建筑给水管道平面布置图的内容1、比例和线型 建筑给水管道平面图的比例,可以采用与房屋建筑平面图相同的比例,一般为1:100的比例来绘制如果卫生设备或管线布置比较复杂的房间,用1:100的比例不能够表达清楚时,可用较大一些的比例如1:50来作图. 管道平面图中重点突出给排水的管道布置和卫生设备,,这些内容要用粗实线绘制;房屋建筑只是一个辅助内容,所以房屋的平面图用细实线绘制2、管道平面图的数量和图示范围 由于底层室内管道与户外管道相连,底层管道平面图要求单独绘制一个.各个楼层的管道平面图一般要求分层绘制,并且不必将整个楼层全部画出,只画出与用水设备和管道布置有关的房屋平面图(图9-2)但图中必须注明各楼层的层次和标高,及墙、柱的定位轴线和轴线尺寸对于大型或者高层建筑物,在底层管道平面图上,还应画出“指北针”来表示朝向 3、卫生器具及用水设备的平面布置图各种卫生器具和用水设备,都按照比例用图例表示4、管道的平面布置管道是建筑给水排水平面布置图的主要内容,一般用单线条的粗实线表示底层平面布置图上应画出与室外相连的管道的位置,并应画出引入管、干管、立管、支管和配水龙头。

立管在平面图上用小圆圈表示,立管的数量多于一个时,应加以编号,编号如图9-3所示.5、建筑给水管道平面图的画图步骤(1)先绘制底层给水管道平面图,再绘各楼层的给水管道平面图.(2)在绘制每一层给水管道平面图时,先画房屋建筑平面图以及卫生器具平面图,再绘制给水管道平面布置图3)在绘制给水管道平面布置图时,一般先画立管,再画给水引入管,最后按水流方向画出各干管、支管和各种附件4)画出必要的图例,标注有关尺寸、标高、编号和文字说明等9.2.5 建筑给水管道轴测图1、建筑给水管道轴测图的比例一般与管道平面布置图的比例相同,采用1:100的比例,有时也可以采用1:50的比例绘制2、建筑给水的轴测图一般采用的是正面斜等轴测投影图3、轴测图中的管道都用单线条来表示,其图例和线型都与平面布置图中的相同4、在绘制管道的轴测投影图时,当空间成交叉的管路在轴测投影图中两根管道重影时,应判断其前后及上下的可见性5、对于卫生器具和管道布置完全相同的楼层,可以只画一个有代表性的楼层的所有管道的轴测投影图,而其他的楼层的管道可以省略不画如图9-4所示.6、给水管道轴测图中应该标注管径和标高.7、建筑给水管道轴测投影图的画图步骤(1)确定轴测投影轴的位置。

2)从引入管开始,画出系统的立管,确定出楼层的地面线、屋面线3)根据标高绘制水平干管,水平干管一般应该与OX轴、OY轴平行,其长度可从平面图中量取4)确定各支管的高度,并根据各支管的轴向,画出与立管相连的支管5)画出各个用水设备的图例符号.(6)标注各个管道的直径和标高.93 建筑排水工程9.3.1 排水系统的组成(图9—5)1、污水,废水收集器具①.生活用水器具,如洗涤盆.②.生产设备上集水器具(设备上的排水装置),如车床冷却用肥皂水③.屋面雨水的集雨器,如雨水斗④.地漏2、排水管道①.设备排水管 由排水设备到后续管道的部分.②.排水横支管 水平方面输送污水和废水的管道.③.排水立管 接受横支管的来水,向下垂直排出.④.排出管 收集一根或几根立管的污水,并从水平方向排至室外污水检查井的管段3、水封装置 排水管道上的一段存水设备,用来阻挡排水管道中产生的臭气,使其不致溢到房间里,以便保持室内空气清洁常用的管式存水弯有:S形和P形4、通气管 在顶层检查口以上的立管管段为通气管通气管通常伸出屋顶的长度为:不上人屋顶:≥030m,可上人屋顶: ≥2通气管顶上用铅丝网球或其它格栅罩,以防堵塞。

6、污水局部处理设备建筑排水不符合水质排放标准时,在排放前局部处理所需设备.常用的有:隔油池,化粪池,降温池,酸碱中和池等9.3.2 室内排水管的布置与敷设1、排水管布置的特点: ①.常含有大量的悬浮物及纤维类,或大块其它杂质,易阻塞管道.②.排水管一般比较粗大,同时排出的水温度相对较低,夏天,有时外管会产生凝露水2、排水管布置一般原则:①.力求简短②.减少拐弯,以免塞阻③.不能穿越卧室,客厅,贮藏柜,物品堆放处的上方,不能穿越炉灶上方,避免漏水损坏物品④.不穿过烟道,以免引起管道腐蚀⑤.不穿越沉降缝,伸缩缝,重载地段,以免损坏管道⑥.不穿越冰冻地段,避免管道发生冻裂3、室内排水管的布置与敷设(1)设备排水管,应设置水封管(S,P型)2)排水横支管,是设备排水管与立管的连管3)排水立管,设在排水量最大,含杂质最多的排水设备附近,(如住宅中大便器附近)4)排水横干管与排出管(5)通气管(6)管径的一般规定:①.一般排水设备的排水横管及立管直径φ≥50mm②.小便池排水管,含油脂的排水管直径φ≥75mm. ③.大便池后排水管直径φ≥100mm3.3 建筑排水管道平面布置图的内容1、比例和线型 建筑排水管道平面图的比例,与建筑给水和房屋建筑平面图的比例相同,一般为1:100的比例来绘制。

每条水平排水管道通常用单线条粗虚线表示底层平面布置图应画出室外窨井、排出管、横干管、立管、横支管及卫生器具排水泄水口,其中立管用粗点圆表示2、排水管道平面图中管道的表示为了便于看图,各种管道须按照系统分别予以标志和编号排水管以窨井连接的每一排出管为一系统.93.4 建筑排水管道轴测图排水管道轴测图表达其空间连接和布置情况.如图9-7所示1、建筑排水管道轴测图的图示与给水管道轴测图基本上是一样的所采用的比例也基本一致.2、建筑排水管道轴测图中的管道用粗实线表示3、在建筑排水管道轴测图上应标注与平面布置图中的“索引符号”的代号与编号相对应的“详图符号”4、建筑排水管道轴测图只须绘制管路及存水弯,卫生器具及用水设备可不必画出.5、建筑排水系统中各种不同类型卫生器具的存水弯及连接管,都须分别标出其公称直径.同一排水横支管上的各个相同类型卫生器具的连接管,只须标出一个管径就可以了不同管径的横支管、立管、排出管等都须逐段分别标注6、建筑排水横管都应该向立管方向具有一定的坡度,并应该标注坡度的大小7、建筑排水管道应该标注标高8、建筑排水管道轴测图的画图步骤:(1)轴向选择与建筑给水轴测图是一致的。

从排出管开始,再画水平横干管,最后画立管2)确定立管上的各个地面、楼面和屋面的标高.(3)根据设备的安装高度及管道的坡度确定横支管的位置4)绘制建筑排水设备附件的图例符号(5)绘制各种墙、梁的断面符号6)标注管道的管径、坡度、标高、编号及必要的文字说明.图9-7 建筑排水管道的轴测图。

下载提示
相似文档
正为您匹配相似的精品文档