文档详情

小学三年级上科学实验通知单、记录单

大米
实名认证
店铺
DOCX
35.73KB
约22页
文档ID:443356801
小学三年级上科学实验通知单、记录单_第1页
1/22

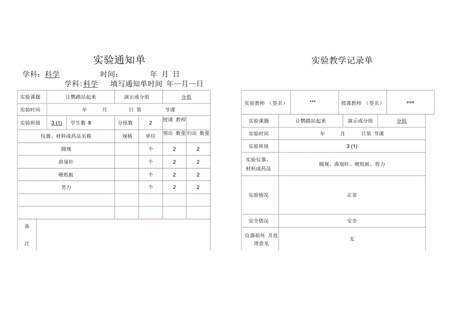
实验教学记录单实验通知单学科:科学 时间: 年 月 日学科:科学 填写通知单时间 年—月—日实验课题让鹦鹉站起来演示或分组分组实验时间年 月 日 第 节课实验班级3 (1)学生数 8分组数2授课 教师仪器、材料或药品名称规格单位领出 数量归还 数量圆规个22曲别针个22硬纸板个22男力个22备注实验教师 (签名)***授课教师 (签名)***实验课题让鹦鹉站起来演示或分组分组实验时间年 月 日第 节课实验班级3 (1)实验仪器、材料或药品圆规、曲别针、硬纸板、剪力实验情况正常安全情况安全仪器损坏 及处理意见无仪器质量及 改进意见无实验教师 (签名)***授课教师 (签名)***实验通知单学科:科学 时间: 年 月 日实验教学记录单学科:科学 填写通知单时间 年—月—日实验课题观察动植物演示或分组演示实验实验时间年 月 日 第 节课实验班级3 (1)学生数 8分组数授课 教师仪器、材料或药品名称规格单位领出数量归还 数量各种动植物图片11备注实验教师 (签名)***授课教师 (签名)***实验课题观察动植物演示或分组演示实验实验时间年 月 日第 节课实验班级3 (1)实验仪器、材料或药品各种动植物图片实验情况正常安全情况安全仪器损坏 及处理意见无仪器质量及 改进意见无实验教师 (签名)***授课教师 (签名)***实验教学记录单实验通知单学科:科学 时间: 年 月 日学科:科学 填写通知单时间 年—月—日实验课题观察校园里的小动物演示或分组分组实验时间年 月 日 第 节课实验班级3 (1)学生数8分组数2授课 教师仪器、材料或药品名称规格单位领出数量归还 数量蜗牛、动物图片22蚂蚁、动物图片22各种动物图片22备注实验教师 (签名)***授课教师 (签名)***实验课题观察校园里的小动物演示或分组分组实验时间年 月 日第 节课实验班级3 (1)实验仪器、材料或药品蜗牛、蚂蚁、各种动物图片实验情况正常安全情况安全仪器损坏 及处理意见无仪器质量及 改进意见无实验教师 (签名)***授课教师 (签名)***实验通知单学科:科学 时间: 年 月 日实验教学记录单学科:科学 填写通知单时间 年—月—日实验课题小草喝水(或根的作用)演示或分组分组实验实验时间年 月 日 第 节课实验班级3 (1)学生数 8分组数2授课 教师仪器、材料或药品名称规格单位领出 数量归还 数量试管个22小草颗22油个22个22备注实验教师 (签名)***授课教师 (签名)***实验课题小草喝水(或根的作用)演示或分组分组实验实验时间年 月 日第 节课实验班级3 (1)实验仪器、材料或药品试管、小草、油、量筒实验情况正常安全情况安全仪器损坏 及处理意见无仪器质量及 改进意见无实验教师 (签名)***授课教师 (签名)***实验教学记录单实验通知单学科:科学 时间: 年 月 日学科:科学 填写通知单时间 年—月—日实验课题观察水演示或分组分组实验实验时间年 月 日 第 节课实验班级3 (1)学生数 8分组数2授课 教师仪器、材料或药品名称规格单位领出数量归还 数量烧杯个22各种液体份22形状不同的容器个22备注实验教师 (签名)***授课教师 (签名)***实验课题观察水演示或分组分组实验实验时间年 月 日第 节课实验班级3 (1)实验仪器、材料或药品烧杯、各种液体、形状/、同的容器实验情况正常安全情况安全仪器损坏 及处理意见无仪器质量及 改进意见无实验教师 (签名)***授课教师 (签名)***实验通知单学科:科学 时间: 年 月 日实验教学记录单学科:科学 填写通知单时间 年—月—日实验课题(水的毛细现象)演示或分组分组实验实验时间年 月 日 第 节课实验班级3 (1)学生数 8分组数2授课 教师仪器、材料或药品名称规格单位领出数量归还 数量餐巾纸张22墨水瓶22烧杯个22备注实验教师 (签名)***授课教师 (签名)***实验课题(水的毛细现象)演示或分组分组实验实验时间年 月 日第 节课实验班级3 (1)实验仪器、材料或药品餐巾纸、墨水、烧杯实验情况正常安全情况安全仪器损坏 及处理意见无仪器质量及 改进意见无实验教师 (签名)***授课教师 (签名)***实验通知单学科:科学 时间: 年 月 日实验教学记录单学科:科学 填写通知单时间 年—月—日实验课题(水的表面张力)演示或分组分组实验实验时间年 月 日 第 节课实验班级3 (1)学生数 8分组数2授课 教师仪器、材料或药品名称规格单位领出 数量归还 数量硬币个22滴管个22烧杯个22回形针个22备注实验教师 (签名)***授课教师 (签名)***实验课题(水的表面张力)演示或分组分组实验实验时间年 月 日第 节课实验班级3 (1)实验仪器、材料或药品硬币、滴管、烧杯、回形针实验情况正常安全情况安全仪器损坏 及处理意见无仪器质量及 改进意见无实验教师 (签名)***授课教师 (签名)***实验教学记录单实验通知单学科:科学 时间: 年 月 日学科:科学 填写通知单时间 年—月—日实验课题水的压力演示或分组演示实验实验时间年 月 日 第 节课实验班级3 (1)学生数 8分组数2授课 教师仪器、材料或药品名称规格单位领出数量归还 数量饮料瓶22胶布22备注实验教师 (签名)***授课教师 (签名)***实验课题水的压力演示或分组演示实验实验时间年 月 日第 节课实验班级3 (1)实验仪器、材料或药品饮料瓶、胶布、实验情况正常安全情况安全仪器损坏 及处理意见无仪器质量及 改进意见无实验教师 (签名)***授课教师 (签名)***实验教学记录单实验通知单学科:科学 时间: 年 月 日学科:科学 填写通知单时间 年—月—日实验课题水的浮力演示或分组分组实验实验时间年 月 日 第 节课实验班级3 (1)学生数 8分组数2授课 教师仪器、材料或药品名称规格单位领出数量归还 数量大小烧杯个22橡皮泥个22祛码个22备注实验教师 (签名)***授课教师 (签名)***实验课题水的浮力演示或分组分组实验实验时间年 月 日第 节课实验班级3 (1)实验仪器、材料或药品大小烧杯、橡皮泥、祛码实验情况正常安全情况安全仪器损坏 及处理意见无仪器质量及 改进意见无实验教师 (签名)***授课教师 (签名)***实验教学记录单实验通知单学科:科学 时间: 年 月 日学科:科学 填写通知单时间 年—月—日实验课题水的溶解演示或分组分组实验实验时间年 月 日 第 节课实验班级3 (1)学生数 8分组数2授课 教师仪器、材料或药品名称规格单位领出数量归还 数量各种物质个22烧杯个22搅拌棒个22备注实验教师 (签名)***授课教师 (签名)***实验课题水的溶解演示或分组分组实验实验时间年 月 日第 节课实验班级3 (1)实验仪器、材料或药品各种物质、烧杯、搅拌棒实验情况正常安全情况安全仪器损坏 及处理意见无仪器质量及 改进意见无实验教师 (签名)***授课教师 (签名)***实验教学记录单实验通知单学科:科学 时间: 年 月 日学科:科学 填写通知单时间 年—月—日实验课题纸的吸水性研究实验演示或分组分组实验实验时间年 月 日 第 节课实验班级3 (1)学生数 8分组数2授课 教师仪器、材料或药品名称规格单位领出 数量归还 数量各种材质的纸张22放大镜个22滴管个22红墨水瓶22备注实验教师 (签名)***授课教师 (签名)***实验课题纸的吸水性研究实验演示或分组分组实验实验时间年 月 日第 节课实验班级3 (1)实验仪器。

下载提示
相似文档
正为您匹配相似的精品文档
相关文档