文档详情

5-天合联盟服务对标清单

飞***
实名认证
店铺
PDF
57.66KB
约4页
文档ID:53995257
5-天合联盟服务对标清单_第1页
1/4

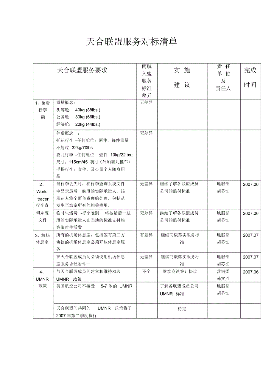
天合联盟服务对标清单天合联盟服务要求南航 入盟 服务 标准 差异实 施建 议责 任 单 位 及 责任人完成时间1、免费行李额重量概念:头等舱: 40kg (88lbs.) 公务舱: 30kg (66lbs.) 经济舱: 20kg (44lbs.) 无差异件数概念:托运行李 -任何舱位:两件,每件重量不超过 32kg/70lbs 婴儿行李 -任何舱位:壹件 10kg/22lbs.; 尺寸:115cm/45 英寸 (外加婴儿推车)手提行李:壹件,及少量个人随身用品无差异2、World- tracer 行李查询系统文件当行李丢失时,在行李查询系统文件中显示最后一航段的实际承运人该承运人将全面负责理赔处理,包括从发生至结案所有的相关费用无差异继续了解各联盟成员公司的赔付标准地服部胡苏江2007.06 临时生活费 -行李晚到, 将按最后一航段的实际承运人在当地的标准支付旅客临时生活费无差异继续了解各联盟成员公司的赔付标准地服部胡苏江2007.06 3、机场休息室所有的机场休息室,包括签有第三方协议的机场休息室必须开放休息室服务有差异继续商谈落实服务标准地服部胡苏江2007.07 在天合联盟成员间必须使用机场休息室服务协议附件一无差异继续商谈落实服务标准地服部胡苏江2007.07 4、UMNR 政策与天合联盟成员间建立和维持双边UMNR 政策不全继续商谈签订协议营销委韩文胜2007.06 美国航空公司不接受5-7 岁的 UMNR 了解各联盟成员公司UMNR 标准地服部胡苏江天合联盟间共同的UMNR 政策将于2007 年第二季度执行待定5、客户服务的一致性(1)、至少在起飞前120天,代理向超过6 小时的国际航班的精英/超精英会员旅客提供座位选择服务Elite/ Elite Plus 有差异在起飞前120 天,代理可向超过6 小时的国际 航班的精英 /超精英会员旅客提供座位选择服务营销委韩文胜2007.06 (2)、 向精英 /超精英会员旅客提供所有运营航班的订座候补服务(使用ECR 识别旅客等级)Elite/ Elite Plus 有差异向精 英 /超精英会员旅客提供所有运营航班 的 订 座 候 补 服 务(使用 ECR 识别旅客等级)营销委韩文胜计算机中心刘德俊地服部胡苏江2007.06 (3)、机场代理向所有航班上的精英/超精英会员旅客提供优先候补服务Elite/ Elite Plus 有差异向所有航班上的精英/超精 英会员旅客提 供机场优先候补服务地服部胡苏江2007.06 (4)、当超过6 小时的国际长航线航班的座位销售完毕时,代理应保证至少在航班起飞前24小时,超精英会员旅客可预订经济舱全票价座位Elite Plus 有差异超级精英会员旅客座位保证条件:1、6 小时或以上的国际航班2、至少在航班起飞前24 小时提出3、经济舱全票价营销委韩文胜地服部胡苏江2007.06 (5)、乘坐国际航班的精英 /超精英会员旅客以及头等舱/公务舱旅客应能使用专用值机柜台办理值机手续Elite/ Elite Plus 有差异精英 /超精英会员旅客使 用头等舱/公务舱旅客专用值机柜台办理值机手续地服部胡苏江2007.06 (6)、乘坐所有超过6 小时的国际航班的精英/超精英会员旅客以及头等舱 /公务舱旅客应被允许优先登机或可以按照他们认为方便的时间登机(登机牌上应显示会员等级、航空公司和常旅客号码等信息)Elite/ Elite Plus 有差异1、精英 /超精英会员旅客可按头等舱/公务舱旅客标准优先登机2、登机牌上应显示会员等级、航空公司和常旅客号码等信息营销委韩文胜地服部胡苏江计算机中心刘德俊2007.06 6、客舱服务(7)、乘坐国际航班的超精英会员旅客以及头等舱 /公务舱旅客的行李应拴挂优先行李牌,行李牌应印有天合联盟标识,并装在 FR 或 CLS 的集装箱里Elite Plus 有差异1、乘坐国际航班的超精英会员旅客的行李应拴挂优先行李牌2、优先行李牌应印有天合联盟标识3、拴挂优先行李牌的行 李 应 装 在FR 或CLS 的集装箱里,后 装先卸地服部胡苏江2007.06(8)、为所有旅客(3 个航段, 2 个承运人,所有运营航班)提供一次性值机和一票到底的值机服务All Passengers 有为所有旅客(3 个航段,2 个承运人, 所有运营航班)提供一次性值机和一票到底的值机服务地服部胡苏江计算机中心刘德俊2007.06(9)、为乘坐国际航班的天合联盟尊贵旅客(头等 /公务舱 /超级精英会员)提供航班始发地及衔 接 地 机 场 休 息 室 服务,当天始发或衔接天合联盟成员航班的国际航班的超精英会员可带一位客人进入机场休息室SkyTeam Premium (First, Business, Elite Plus) Passengers 有差异继续商谈落实服务标准地服部胡苏江2007.06(10)、确保获取常旅客飞行数据All Passengers 有差异确保获取常旅客飞行数据营销委韩文胜地服部胡苏江2007.06客舱乘务员通过旅客信息单(PIL )识别所有航班上的精英/超精英会员Elite/ Elite Plus 有差异1 提供精英 /超级精英会员名单;2 地服人员和客舱乘务员通过旅客名单识别所有航班上的精英/超精英会员营销委韩文胜地服部胡苏江客舱部李继萍计算机中心刘德俊2007.06在所有 6 小时或以上国际航班上使用英语及出发地和目的地语言,通过客舱乘务员或预录盒带/光碟来进行广播无差异地面服务在所有6 小时或以上国际航班上使用英语及出发地和目的地语言地服部胡苏江培训部张江明2007.06在所有航班上禁烟无差异在客舱广播(欢迎辞和告别辞)中提及天合联盟有差异在机场登机、客舱广播(欢迎辞和告别辞)中提及天合联盟客舱部李继萍地服部胡苏江2007.06乘务员应经常出现在客舱为旅客提供服务,尤其是非就餐时间无差异巡视客舱频率平均不得低于 15 分钟一次在航班全程保持客舱清洁无差异。

下载提示
相似文档
正为您匹配相似的精品文档