文档详情

《物流组托图》

tang****xu1
实名认证
店铺
DOCX
86.43KB
约9页
文档ID:159987217
《物流组托图》_第1页
1/9

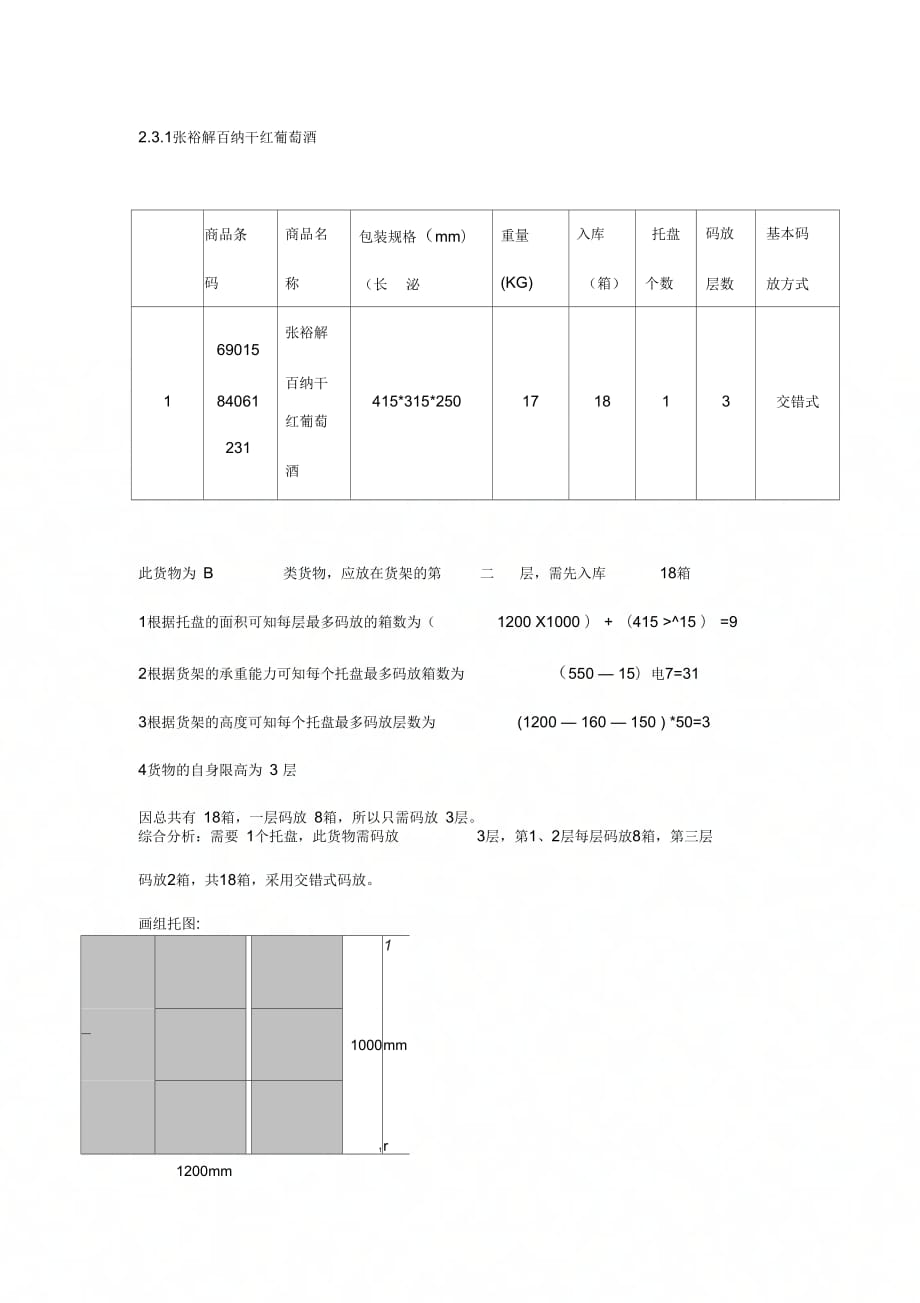
2.3.1张裕解百纳干红葡萄酒商品条码商品名称包装规格(mm)(长 泌重量(KG)入库(箱)托盘个数码放层数基本码放方式69015张裕解百纳干184061231红葡萄酒415*315*250171813交错式此货物为 B 类货物,应放在货架的第 二 层,需先入库 18箱1根据托盘的面积可知每层最多码放的箱数为( 1200 X1000 ) + (415 >^15 ) =92根据货架的承重能力可知每个托盘最多码放箱数为 (550 — 15)电7=31(1200 — 160 — 150 ) *50=33根据货架的高度可知每个托盘最多码放层数为4货物的自身限高为 3 层因总共有 18箱,一层码放 8箱,所以只需码放 3层综合分析:需要 1个托盘,此货物需码放3层,第1、2层每层码放8箱,第三层码放2箱,共18箱,采用交错式码放1—1000mm1r画组托图:1200mmo冏品条码冏品名称包装规格(mm)(长X高X宽重量(KG)入库(箱)托盘个数码放层数基本码放方式26932010061兴华苦杏455*265*122622旋转式815仁285此货物为 A类货物,应放在货架的第 1层,需先入库 26箱1根据托盘的面积可知每层最多码放的箱数为 (1200 X1000) + (455 X265 ) =92根据货架的承重能力可知每个托盘最多码放箱数为(550-15 )电2=443根据货架的高度可知每个托盘最多码放层数为(1050-160-150)忌85=24货物的自身限高为 5层因总共有26箱,一层码放9箱,所以需要2个托盘,码放2层。

综合分析:需要 2个托盘,此货物需码放2层,第一托第1、2层每层码放9箱,第 二托第一层码放8箱,共 26 箱,采用旋转式码放101200mm1200mm ■ 、1000mm)0mm第一托第二层第一拖第一层-可编辑修改-1000nm-可编辑修改-冏品条码冏品名称包装规格(mm)(长X高X宽重量(KG)入库(箱)托盘个数码放层数基本码放方式36920855784129美心蜂蜜395*245*180192522平行式此货物为 A 类货物,应放在货架的第 一 层,需先入库 25箱1根据托盘的面积可知每层最多码放的箱数为( 1200 X1000 ) + (395 X245 ) =122根据货架的承重能力可知每个托盘最多码放箱数为 (550 — 15)电9=283根据货架的高度可知每个托盘最多码放层数为 (1050 — 160 — 150 )电80=44货物的自身限高为 2层因总共有 25箱,一层码放 12箱,所以需要2个托盘,码放2层综合分析:需要 2个托盘,此货物需码放 2层,第一个托盘,第1、2层每层码放12箱,第二托第一层码放1箱,共25箱,采用平行式码放 冏品条码冏品名称包装规格(mm)(长X高X宽重量(KG)入库(箱)托盘个数码放层数基本码放方式46901584061冠军方便600*400*591022平行式237面150此货物为 B 类货物,应放在货架的第 二 层,需先入库 10箱1根据托盘的面积可知每层最多码放的箱数为( 1200 X1000 ) + (600 >400 ) =52根据货架的承重能力可知每个托盘最多码放箱数为 (550 — 15)书9=93根据货架的高度可知每个托盘最多码放层数为 (1200 — 160 — 150 )电50=54货物的自身限高为 5层因总共有 10箱,一层码放 4箱,所以需要两个托盘,码放两层。

综合分析:需要 12个托盘,此货物需码放 2层,第一托第1、2层每层码放4箱,第二托第一层码放2箱,共10箱,采用平行式码放第一托第二层。

下载提示
相似文档
正为您匹配相似的精品文档