文档详情

钢结构制作(安装)焊接工程质量标准和检验方法.doc

文库****9
实名认证
店铺
DOC
213KB
约2页
文档ID:151625808
钢结构制作(安装)焊接工程质量标准和检验方法.doc_第1页
1/2

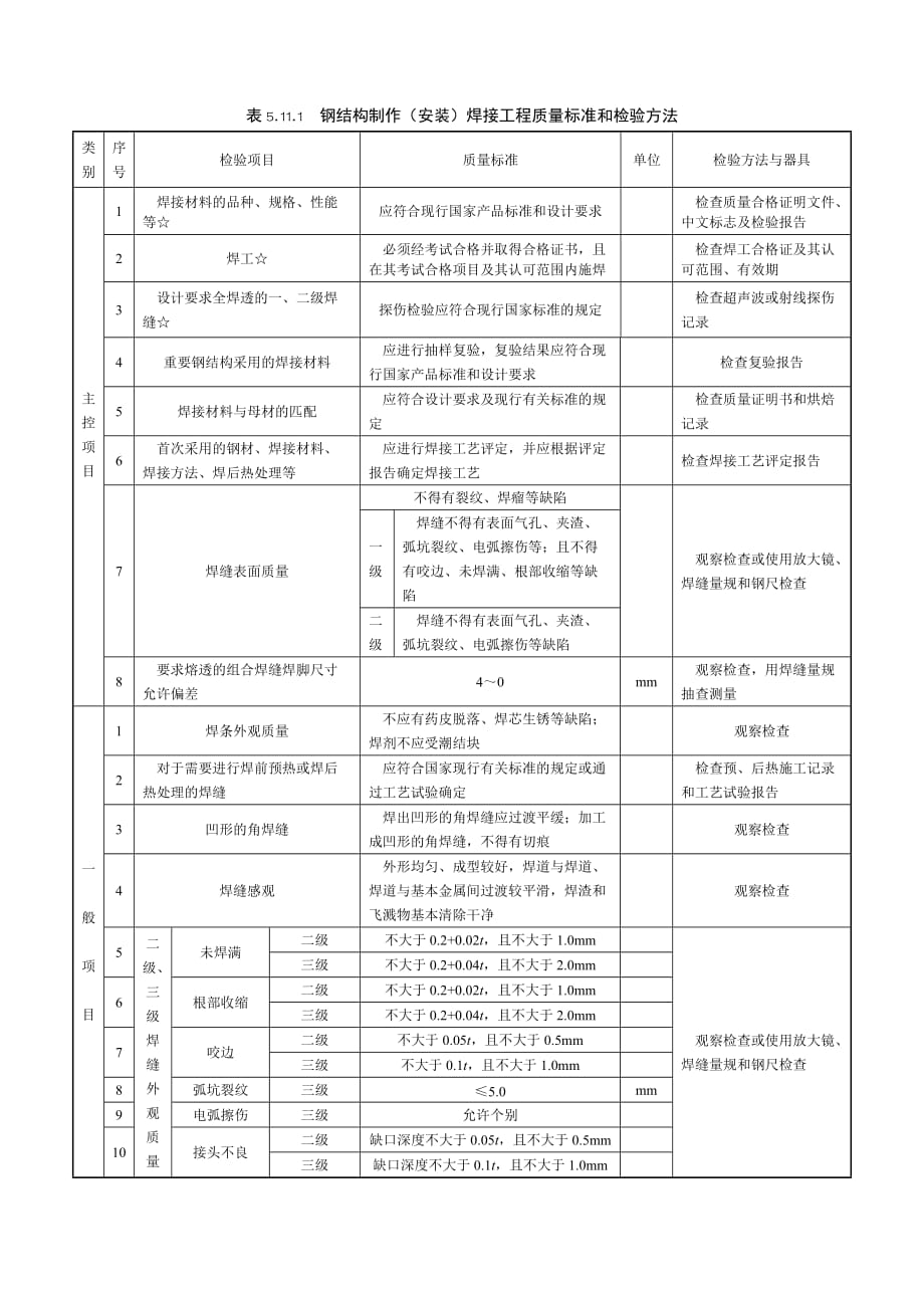
表5.11.1 钢结构制作(安装)焊接工程质量标准和检验方法类别序号检验项目质量标准单位检验方法与器具主控项目1 焊接材料的品种、规格、性能等☆应符合现行国家产品标准和设计要求 检查质量合格证明文件、中文标志及检验报告2焊工☆ 必须经考试合格并取得合格证书,且在其考试合格项目及其认可范围内施焊 检查焊工合格证及其认可范围、有效期3 设计要求全焊透的一、二级焊缝☆探伤检验应符合现行国家标准的规定 检查超声波或射线探伤记录4重要钢结构采用的焊接材料 应进行抽样复验,复验结果应符合现行国家产品标准和设计要求检查复验报告5焊接材料与母材的匹配应符合设计要求及现行有关标准的规定 检查质量证明书和烘焙记录6 首次采用的钢材、焊接材料、焊接方法、焊后热处理等 应进行焊接工艺评定,并应根据评定报告确定焊接工艺检查焊接工艺评定报告7焊缝表面质量不得有裂纹、焊瘤等缺陷 观察检查或使用放大镜、焊缝量规和钢尺检查一级 焊缝不得有表面气孔、夹渣、弧坑裂纹、电弧擦伤等;且不得有咬边、未焊满、根部收缩等缺陷二级 焊缝不得有表面气孔、夹渣、弧坑裂纹、电弧擦伤等缺陷8 要求熔透的组合焊缝焊脚尺寸允许偏差4~0mm 观察检查,用焊缝量规抽查测量一般项目1焊条外观质量 不应有药皮脱落、焊芯生锈等缺陷;焊剂不应受潮结块观察检查2 对于需要进行焊前预热或焊后热处理的焊缝 应符合国家现行有关标准的规定或通过工艺试验确定 检查预、后热施工记录和工艺试验报告3凹形的角焊缝 焊出凹形的角焊缝应过渡平缓;加工成凹形的角焊缝,不得有切痕观察检查4焊缝感观 外形均匀、成型较好,焊道与焊道、焊道与基本金属间过渡较平滑,焊渣和飞溅物基本清除干净观察检查5二级、三级焊缝外观质量未焊满二级不大于0.2+0.02t,且不大于1.0mm 观察检查或使用放大镜、焊缝量规和钢尺检查三级不大于0.2+0.04t,且不大于2.0mm6根部收缩二级不大于0.2+0.02t,且不大于1.0mm三级不大于0.2+0.04t,且不大于2.0mm7咬边二级不大于0.05t,且不大于0.5mm三级不大于0.1t,且不大于1.0mm8弧坑裂纹三级≤5.0mm9电弧擦伤三级允许个别10接头不良二级缺口深度不大于0.05t,且不大于0.5mm三级缺口深度不大于0.1t,且不大于1.0mm表5.11.1(续)类别序号检验项目质量标准单位检验方法与器具一般项目11表面夹渣三级 深不大于0.2t,长不大于0.5t,且不大于2.0mm12表面气孔三级 每50.0mm焊缝长度允许直径不大于0.4t,且不大于3.0mm数量不多于2个,孔距不小于6倍孔径13对接焊缝尺寸偏差焊缝余高B<20一级2.0~0.5mm用焊缝量规检查二级2.5~0.5mm三级3.5~0.5mmB≥20一级3.0~0.5mm二级3.5~0.5mm三级3.5~0mm14焊缝错边一、二级小于0.10t,且不大于2.0mm三级小于0.15t,且不大于3.0mm15部分焊透组合焊缝尺寸偏差焊脚尺寸hf≤6mm1.5~0mm用焊缝量规检查hf>6mm3.0~0mm16角焊缝余高hf≤6mm1.5~0mmhf>6mm3.0~0mm注:t为板、壁的厚度,hf为焊缝厚度。

下载提示
相似文档
正为您匹配相似的精品文档