文档详情

详细skf轴承型号表

101****457
实名认证
店铺
DOC
6.23MB
约183页
文档ID:89978202
详细skf轴承型号表_第1页
1/183

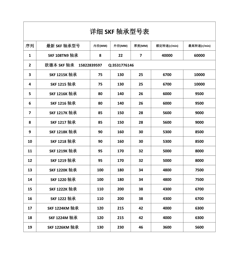
详细SKF轴承型号表序列最新SKF轴承型号内径(MM)外径(MM)厚度(MM)额定转速(r/min)最高转速(r/min)1SKF 108TN9轴承822740000600002 欧德本SKF轴承 15822839597 Q:35317761463SKF 1215K轴承75130256700100004SKF 1215轴承75130256700100005SKF 1216K轴承8014026600095006SKF 1216轴承8014026600095007SKF 1217K轴承8515028560090008SKF 1217轴承8515028560090009SKF 1218K轴承90160305300850010SKF 1218轴承90160305300850011SKF 1219K轴承95170325000800012SKF 1219轴承95170325000800013SKF 1220K轴承100180344800750014SKF 1220轴承100180344800750015SKF 1222K轴承110200384300670016SKF 1222轴承110200384300670017SKF 1224KM轴承120215424000630018SKF 1224M轴承120215424000630019SKF 1226KM轴承130230463600560020SKF 1226M轴承130230463600560021SKF 126TN9轴承6196450007000022SKF 127TN9轴承7227400006300023SKF 129TN9轴承9268380006000024SKF 13030轴承150225563400560025SKF 13036轴承180280742800450026SKF 1314轴承70150356000850027SKF 1315K轴承75160375600800028SKF 1315轴承75160375600800029SKF 1316K轴承80170395300750030SKF 1316轴承80170395300750031SKF 1317K轴承85180414800700032SKF 1317轴承85180414800700033SKF 1318K轴承90190434500670034SKF 1318轴承90190434500670035SKF 1319K轴承95200454300630036SKF 1319轴承95200454300630037SKF 1320K轴承100215474000600038SKF 1320轴承100215474000600039SKF 1322KM轴承110240503600530040SKF 1322M轴承110240503600530041SKF 135TN9轴承5196450006300042SKF 13940轴承200280602600430043SKF 13944轴承220300602400380044SKF 13948轴承240320602200380045SKF 16002/W64轴承1532813000-46SKF 16002-2Z轴承15328260005000047SKF 16002-Z轴承15328320005000048SKF 16002轴承15328320005000049SKF 16003/W64轴承1735812000-50SKF 16003-2Z轴承17358220004500051SKF 16003轴承17358280004500052SKF 16004/W64轴承204289700-53SKF 16004轴承20428240003800054SKF 16005/W64轴承254788300-55SKF 16005轴承25478200003200056SKF 16006/W64轴承305597100-57SKF 16006轴承30559170002800058SKF 16007/W64轴承356296200-59SKF 16007轴承35629150002400060SKF 16008/W64轴承406895600-61SKF 16008轴承40689140002200062SKF 16009/W64轴承4575105000-63SKF 16009轴承457510120002000064SKF 16010/W64轴承5080104600-65SKF 16010轴承508010110001800066SKF 16011/W64轴承5590114100-67SKF 16011轴承559011100001600068SKF 16012/W64轴承6095113900-69SKF 16012轴承60951195001500070SKF 16013/W64轴承65100113600-71SKF 16013轴承651001190001400072SKF 16014/W64轴承70110133300-73SKF 16014轴承701101380001300074SKF 16015轴承751151375001200075SKF 16016轴承801251470001100076SKF 16017轴承851301467001100077SKF 16018轴承901401663001000078SKF 16019/W64轴承95145162500-79SKF 16019轴承95145166000950080SKF 16020/W64轴承100150162400-81SKF 16020轴承100150165600950082SKF 16021/W64轴承105160182300-83SKF 16021轴承105160185300850084SKF 16022/W64轴承110170192100-85SKF 16022轴承110170195000800086SKF 16024轴承120180194800750087SKF 16026轴承130200224300700088SKF 16028轴承140210224000670089SKF 16030/W64轴承150225241600-90SKF 16030轴承150225243800600091SKF 16032/W64轴承160240251400-92SKF 16032轴承160240253600560093SKF 16034/W64轴承170260281400-94SKF 16034轴承170260283200530095SKF 16036轴承180280314000480096SKF 16038轴承190290313000480097SKF 16040/W64轴承200310341200-98SKF 16040轴承200310342800430099SKF 16044轴承2203403724004000100SKF 16048MA轴承2403603722002800101SKF 16052MA轴承2604004420002600102SKF 16056MA轴承2804204419002400103SKF 16060MA轴承3004605024002800104SKF 16064MA轴承3204805022002600105SKF 16068MA轴承3405205720002400106SKF 16072MA轴承3605405714001800107SKF 16076MA轴承3805605718002200108SKF 16100/W64轴承1028816000-109SKF 16100-2Z轴承102883200063000110SKF 16100轴承102884000063000111SKF 16101/W64轴承1230814000-112SKF 16101-2Z轴承123082800056000113SKF 16101轴承123083400056000114SKF 16115轴承7511012800013000115SKF 206NR轴承3062161200020000。

下载提示
相似文档
正为您匹配相似的精品文档