文档详情

教室照明设计示例

姜泥
实名认证
店铺
PDF
375.55KB
约2页
文档ID:305046239
教室照明设计示例_第1页
1/2

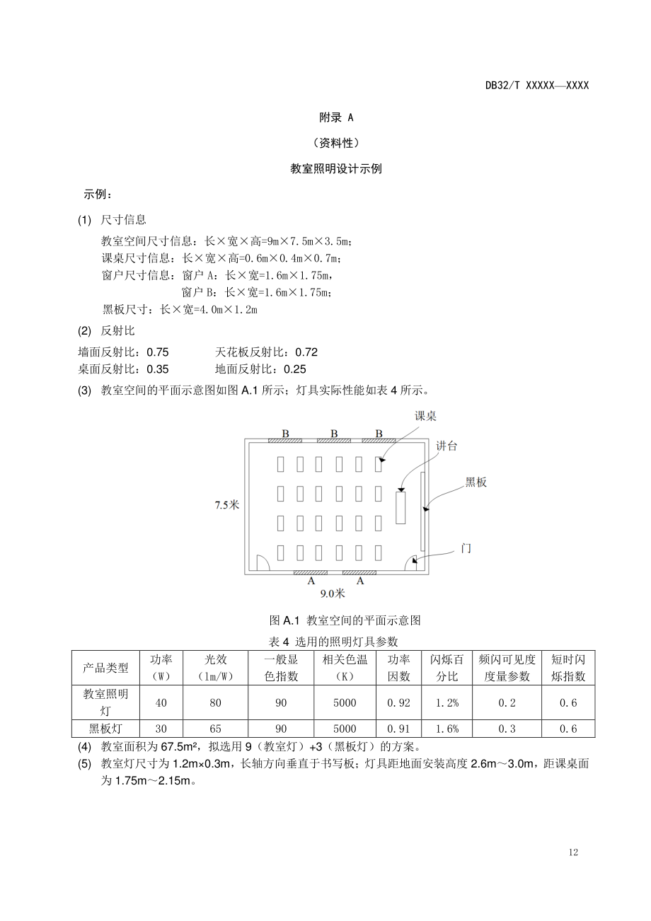
DB32/T XXXXXXXXX 12 附录 A (资料性) 教室照明设计示例 示例: (1) 尺寸信息 教室空间尺寸信息:长宽高=9m7.5m3.5m; 课桌尺寸信息:长宽高=0.6m0.4m0.7m; 窗户尺寸信息:窗户 A:长宽=1.6m1.75m, 窗户 B:长宽=1.6m1.75m; 黑板尺寸:长宽=4.0m1.2m (2) 反射比 墙面反射比:0.75 天花板反射比:0.72 桌面反射比:0.35 地面反射比:0.25 (3) 教室空间的平面示意图如图 A.1 所示;灯具实际性能如表 4 所示 图 A.1 教室空间的平面示意图 表 4 选用的照明灯具参数 产品类型 功率 (W) 光效 (lm/W) 一般显 色指数 相关色温(K) 功率因数 闪烁百分比 频闪可见度度量参数 短时闪烁指数 教室照明灯 40 80 90 5000 0.92 1.2% 0.2 0.6 黑板灯 30 65 90 5000 0.91 1.6% 0.3 0.6 (4) 教室面积为 67.5m ,拟选用 9(教室灯)+3(黑板灯)的方案 (5) 教室灯尺寸为 1.2m0.3m,长轴方向垂直于书写板;灯具距地面安装高度 2.6m3.0m,距课桌面为 1.75m2.15m。

DB32/T XXXXXXXXX 13 (6) 平面位置布局根据光学模拟软件结果确定最佳位置(与风扇不干涉,注意大梁的位置) ,示意图如图 A.2 所示 图 A.2 示意图 (7) 黑板灯长度为1.2m, 两个黑板灯间隔0.6m, 板灯距黑板平行间距800mm, 距黑板上缘垂直距离200mm黑板灯布灯位置情况如图 A.3 所示 图 A.3 书写板灯位置示意图 (8) 教室改造完成后,各项参数如表 5 所示: 表 5 改造后测试结果 课桌面维持平均照度(lx) 326 课桌面照度均匀度 0.79 黑板面维持平均照度(lx) 547 黑板面照度均匀度 0.81 显色指数 91 相关色温(K) 5025 统一眩光值 18 照明功率密度(W/m2) 5.3 教室灯黑板灯7.5米9.0米1.1米0.9米2.1米1.8米。

下载提示
相似文档
正为您匹配相似的精品文档