文档详情

大金vrv维修技术

第***
实名认证
店铺
PDF
3.59MB
约154页
文档ID:56278756
大金vrv维修技术_第1页
1/154

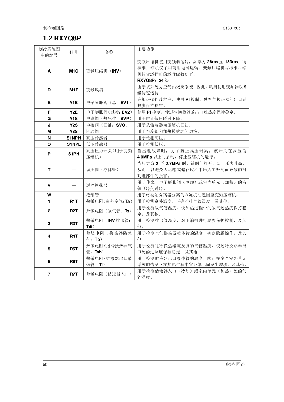
制冷剂回路 Si39-505 1.2 RXYQ8P 制冷系统图 中的编号 代号 名称 主要功能 A M1C 变频压缩机�INV� 变频压缩机使用变频器运转�频率为 26rps 至 133rps�而 标准压缩机仅采用商用电源运转变频压缩机与标准压缩 机结合运行时的运行级数如下 RXYQ8P�24 级 D M1F 变频风扇 由于该系统为空气热交换系统�因此�风扇使用变频器以 9 级转速运转 E Y1E 电子膨胀阀�总�EV1� 在加热操作过程中�使用 PI 控制�使空气换热器的出口过 热度保持稳定 F Y2E 电子膨胀阀 �过冷� EV2� 使用 PI 控制�使过冷换热器的出口过热度保持稳定 G Y1S 电磁阀�热气体�SVP�用于防止低压瞬时下降 J Y2S 电磁阀�回油�SVO� 用于从储液器向压缩机回油 M Y3S 四通阀 用于在冷却和加热模式之间切换 N S1NPH 高压传感器 用于检测高压 O S1NPL 低压传感器 用于检测低压 P S1PH 高压压力开关 �用于变频 压缩机� 当出现故障时�为了防止高压升高�该开关在高压为 4.0MPa 以上时启动�停止压缩机的运行 T — 调压阀�液体管� 当压力为 2 至 2.7MPa 时�该阀门打开�防止压力升高� 从而可以避免因运输或储存过程中压力的升高而导致的对 功能部件的损害。

V — 过冷换热器 用于使来自电子膨胀阀�冷却�或室内单元�加热�的液 体制冷剂过冷 W — 毛细管 用于将被油分离器分离的冷冻机油返回至变频压缩机 1 R1T 热敏电阻 �室外空气� Ta� 用于检测室外温度、正确的排气管温度�及其他 2 R2T 热敏电阻�吸气管�Ts� 用于检测吸气管温度、使加热过程中的吸气过热度保持稳 定�及其他 3 R3T 热敏电阻�INV 排出管� Tdi� 用于检测排出管温度、对压缩机进行温度保护控制�及其 他 4 R4T 热敏电阻�换热器防冰 剂�Tb� 用于检测空气换热器液体管的温度、确定除霜操作�及其 他 5 R5T 热敏电阻 �过冷换热器气 管�Tsh� 用于检测过冷换热器蒸发侧的气管温度、使过冷换热器出 口处的过热度保持稳定�及其他 6 R6T 热敏电阻 �贮液器出口液 体管�Tl� 用于检测贮液器出口液体管的温度、防止在多个室外单元 系统的情况下在加热过程中室外单元间发生漂移�及其他 7 R7T 热敏电阻�储液器入口� 用于检测储液器入口�冷却�或室内单元�加热�处的气 管温度 50 制冷剂回路 制冷剂回路 Si39-505 1.3 RXYQ10P, 12 P 制冷系统图 中的编号 代号 名称 主要功能 A M1C 变频压缩机�INV� B M2C 标准压缩机 1 �STD 1� 变频压缩机使用变频器运转�频率为 26rps至 105rps�而 标准压缩机仅采用商用电源运转。

变频压缩机与标准压缩 机结合运行时的运行级数如下 RXYQ10�12P�37 级 D M1F 变频风扇 由于该系统为空气热交换系统�因此�风扇使用变频器以 9 级转速运转 E Y1E 电子膨胀阀�总�EV1� 在加热操作过程中�使用 PI 控制�使空气换热器的出口过 热度保持稳定 F Y2E 电子膨胀阀 �过冷� EV3� 使用 PI 控制�使过冷换热器的出口过热度保持稳定 G Y1S 电磁阀�热气体�SVP� 用于防止低压瞬时下降 J Y2S 电磁阀�回油�SVO� 用于从储液器向压缩机回油 M Y3S 四通阀 用于在冷却和加热模式之间切换 N S1NPH 高压传感器 用于检测高压 O S1NPL 低压传感器 用于检测低压 P S1PH 高压压力开关 �用于变频 压缩机� Q S2PH 高压压力开关 �用于标准 压缩机 1� 当出现故障时�为了防止高压升高�该开关在高压为 4.0MPa 以上时启动�停止压缩机的运行 U — 压力调节阀�液体管� 当压力为 2 至 2.7MPa 时�该阀门打开�防止压力升高� 从而可以避免因运输或储存过程中压力的升高而导致的对 功能部件的损害 V — 过冷换热器 用于使来自电子膨胀阀�冷却�或室内机�加热�的液体 制冷剂过冷。

W — 毛细管 用于将被油分离器分离的冷冻机油返回至变频压缩机 X — 毛细管 用于将被油分离器分离的冷冻机油返回至标准压缩机 1 1 R1T 热敏电阻 �室外空气� Ta� 用于检测室外温度、正确的排气管温度及其他 2 R2T 热敏电阻�吸气管�Ts� 用于检测吸气管温度、使加热过程中的吸气过热度保持稳 定�及其他 3 R31T 热敏电阻�INV 排出管� Tdi� 4 R32T 热敏电阻�STD1 排出 管�Tds1� 用于检测排出管温度、对压缩机进行温度保护控制�及其 他 5 R4T 热敏电阻�换热器防冰 剂�Tb� 用于检测空气换热器液体管的温度、确定除霜操作�及其 他 6 R5T 热敏电阻 �过冷换热器气 管�Tsh� 用于检测过冷换热器蒸发侧的气管温度、使过冷换热器出 口处的过热度保持稳定�及其他 7 R6T 热敏电阻�液体管�Tl� 用于检测液体管的温度、防止在多个室外机系统的情况下 在加热过程中室外机间发生漂移�及其他 8 R7T 热敏电阻�储液器入口� 用于检测储液器入口�冷却�或室内机�加热�处的气管 温度 52 制冷剂回 路 制冷剂回路 Si39-505 1.4 RXYQ14P, 16 P, 18P 制冷系统图 中的编号 代号 名称 主要功能 A M1C 变频压缩机�INV� B M2C 标准压缩机 1 �STD 1� C M3C 标准压缩机 1 �STD 2� 变频压缩机使用变频器运转�频率为 26rps至 140rps�而 标准压缩机仅采用商用电源运转。

变频压缩机与标准压缩 机结合运行时的运行级数如下 RXYQ14P 或 16P�51 级�RXYQ18�55 级 D M1F 变频风扇 由于该系统为空气热交换系统�因此�风扇使用变频器以 8 级转速运转 E Y1E 电子膨胀阀�总�EV1� 在加热操作过程中�使用 PI 控制�使空气换热器的出口过 热度保持稳定 F Y2E 电子膨胀阀 �过冷� EV3� 使用 PI 控制�使过冷换热器的出口过热度保持稳定 G Y1S 电磁阀�热气体�SVP� 用于防止低压瞬时下降 J Y2S 电磁阀�回油�SVO� 用于从储液器向压缩机回油 M Y3S 四通阀 用于在冷却和加热模式之间切换 N S1NPH 高压传感器 用于检测高压 O S1NPL 低压传感器 用于检测低压 P S1PH 高压压力开关 �用于变频 压缩机� Q S2PH 高压压力开关 �用于标准 压缩机 1� R S3PH 高压压力开关 �用于标准 压缩机 2� 当出现故障时�为了防止高压升高�该开关在高压为 4.0MPa 以上时启动�停止压缩机的运行 U — 压力调节阀�液体管� 当压力为 2 至 2.7MPa 时�该阀门打开�防止压力升高� 从而可以避免因运输或储存过程中压力的升高而导致的对 功能部件的损害。

V — 过冷换热器 用于使来自电子膨胀阀�冷却�或室内机�加热�的液体 制冷剂过冷 W — 毛细管 用于将被油分离器分离的冷冻机油返回至变频压缩机 X — 毛细管 用于将被油分离器分离的冷冻机油返回至标准压缩机 1 Y — 毛细管 用于将被油分离器分离的冷冻机油返回至标准压缩机 2 1 R1T 热敏电阻 �室外空气� Ta� 用于检测室外温度、正确的排气管温度及其他 2 R2T 热敏电阻�吸气管�Ts� 用于检测吸气管温度、使加热过程中的吸气过热度保持稳 定�及其他 3 R31T 热敏电阻�INV 排出管� Tdi� 4 R32T 热敏电阻�STD1 排出 管�Tds1� 5 R33T 热敏电阻�STD2 排出 管�Tds2� 用于检测排出管温度、对压缩机进行温度保护控制�及其 他 6 R4T 热敏电阻�换热器防冰 剂�Tb� 用于检测空气换热器液体管的温度、确定除霜操作�及其 他 7 R5T 热敏电阻 �过冷换热器气 管�Tsh� 用于检测过冷换热器蒸发侧的气管温度、使过冷换热器出 口处的过热度保持稳定�及其他 8 R6T 热敏电阻�液体管�Tl� 用于检测液体管的温度、防止在多个室外机系统的情况下 在加热过程中室外机间发生漂移�及其他。

9 R7T 热敏电阻�储液器入口� 用于检测储液器入口�冷却�或室内机�加热�处的气管 温度 54 制冷剂回路 功能概述 Si39-505 1. 功能概述 1.1 代号 代号 电气符号 功能描述 20S1 Y3S 四通阀�在加热时赋能� DSH - 排出管过热度 DSHi - 变频压缩机排出管过热 DSHs - 标准压缩机排出管过热 EV - 电子膨胀阀打开 EV1 Y1E 主换热器电子膨胀阀 EV2 Y2E 过冷换热器电子膨胀阀 HTDi - 由室外空气温度进行补偿的变频压缩机排出管温度的值�R31T� HTDs - 由室外空气温度进行补偿的标准压缩机排出管温度的值�R32T�R33T� Pc S1NPH 由高压传感器检测到的值 Pe S1NPL 由低压传感器检测到的值 SH - 蒸发器出口过热 SHS - 目标蒸发器出口过热 SVO Y2S 用于回油的电磁阀 SVP Y1S 用于热气旁通的电磁阀 SVT Y4S 用于喷射的电磁阀 Ta R1T�A1P� 室外空气温度 Tb R4T 冷却时的换热器出口温度 Ts2 R2T 由吸气管热敏电阻�R2T�检测到的吸气管温度 Tsh R5T�-� 由过冷换热器出口热敏电阻�R5T�检测到的温度 Tc - 高压等价饱和温度 TcS - Tc的目标温度 Te - 低压等价饱和温度 TeS - Te 的目标温度 Tfin R1T 变频器散热片温度 TI R6T�R5T� 由液体管热敏电阻�R6T�检测到的液体管温度 Tp - 压缩机出口温度的计算值 Ts1 R7T�R6T� 由储液器入口热敏电阻检测到的吸气管温度 78 功能 Si39-505 功能概述 1.2 操作模式 在停机模式下 操作 室内机恒温器打开 室内机停机 �当在维修模式、制冷剂补充操作和抽气操作下时� 或者恒温器关闭 如果未进行测试操作�则将输出故障代码“U3” 以禁止除测试操作以外的其它操作。

� 故障/待机�重试� 重启待机 启动之前的 �压缩机停止� 压力均衡 故障/待机 �重试� 室内机停机或者 启动控制 恒温器关闭 操作模式切换 冷却启动控制 市内单元恒温器打开 抽出残余 加热启动控制 气体操作 故障/待机�重试� �完成启动 操作模式 完成启动 室内机停机 控制之后� 切换 控制之后 或者恒温器 室内机停机 关闭�完成回油或 正常操作 或者恒温器关闭 者除霜控制之后� 压缩机 PI 控制 加热 电动阀 PI 控制 保护控制 大容量启动 操作中 故障/待机 �重试� 满足回油 IN 回油操作 条件 室 外 机 运转 否 满足除霜 IN 是 除霜操作 条件 否 操作模式切换 �完成回油或者 除霜控制之后� 功能 79 是 Si39-505 基本控制 2.2 压缩机 PI 控制 压缩机 PI 控制 进行压缩机容量 PI 控制�使 Te 在冷却操作时保持稳定�并使 Tc在加热操作时保持稳定�以保证 稳定的机器性能。

[冷却操作] 控制压缩机容量�对 Te 进行调整以达到目标值 �TeS� 。

下载提示
相似文档
正为您匹配相似的精品文档