文档详情

X80钢管道采用铜衬垫根焊接头渗铜及力学性能分析

ji****81
实名认证
店铺
DOCX
68KB
约6页
文档ID:215317359
X80钢管道采用铜衬垫根焊接头渗铜及力学性能分析_第1页
1/6

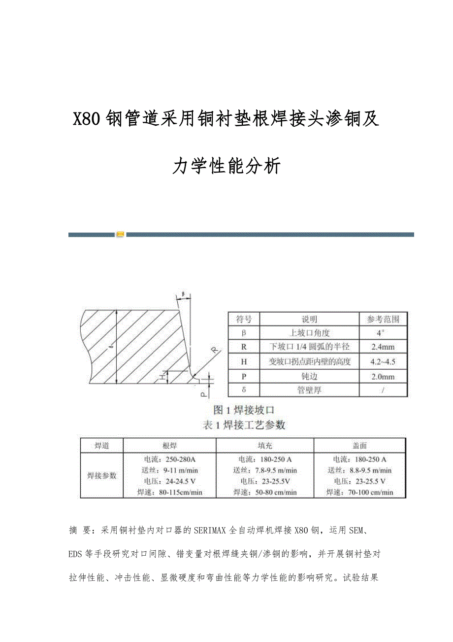
X80钢管道采用铜衬垫根焊接头渗铜及力学性能分析 摘 要:采用铜衬垫内对口器的SERIMAX全自动焊机焊接X80钢,运用SEM、EDS等手段研究对口间隙、错变量对根焊缝夹铜/渗铜的影响,并开展铜衬垫对拉伸性能、冲击性能、显微硬度和弯曲性能等力学性能的影响研究试验结果表明,随着对口间隙的增加,焊缝宏观夹铜长度、根焊缝夹铜深度及渗铜区域深度均增加不同对口间隙铜衬自动焊,焊缝拉伸性能、冲击性能、弯曲性能均满足标准要求,对口间隙对焊缝显微硬度无明显影响关键词:铜衬垫;渗铜;夹铜;力学性能0 引言采用全位置自动焊具有功效高、质量稳定等优点,是长输管道最先进的焊接方法但管道全位置自动焊外焊机打底方式的应用目前在国内存在争议[1]SERIMAX全自动焊接设备采用铜衬垫内对口器,如果焊接接头出现渗铜现象且渗入的铜超过一定量,就有可能会引起“铜脆”现象,从而降低金属的力学性能并对管口的焊接质量造成不良影响[2]因此,需要开展全自动焊机铜衬垫渗铜试验,研究铜衬垫对根焊渗铜以及力学性能的影响,为铜衬垫自动焊工艺的制定提供技术支持试验用焊接钢管为壁厚18.4mm,外径1219mm的X80螺旋缝埋弧焊钢管。

钢管化学成分和力学性能均满足API 5L要求采用Miller XMT350+SERIMAX自动焊机双焊炬自动焊,使用BOBINE FIL焊丝,焊丝直径1.0mm,保护气体为50%Ar+50%CO2坡口形式见图1,焊接工艺参数见表1为研究对口间隙及错边对根焊缝渗铜的影响,分别进行了对口间隙为0mm、0.5mm、1.0mm、1.5mm和错边量为2.5mm的焊接试验2 焊接工艺对根焊渗铜影响研究关于“渗铜”和“夹铜”,本文说明及定义如下:“渗铜”指铜的扩散,为固态或液态金属传质作用的结果,铜在钢中扩散形成固溶体,或在温度作用下析出形成ε-Cu从几何尺度上说,渗铜为纳米级或微米级从微区铜含量上说,渗铜的铜含量低夹铜”指的是在机械或热力作用下或二者共同作用下在钢铁基体中出现铜的宏观现象从几何尺度上说,夹铜>101~102μm级从微区铜含量上说,夹铜的铜含量高2.1 宏观分析焊接前分别采用塞尺、焊接检验尺在每个钟点位测量对口间隙、错边量焊接完成后对每个管圈全部位置进行宏观观察对口间隙为0时,根焊缝未见明显夹铜;对口间隙为0.5mm时,根焊缝出现局部点状夹铜;对口间隙为1mm时,根焊缝出现连续夹铜;对口间隙为1.5mm时,根焊缝成型不良,出现烧穿甚至无法施焊,夹铜现象严重。

试验结果表明,对口间隙是影响铜衬自动焊根部夹铜的主要因素因此,在渗铜微观分析中取实际对口间隙与目标对口间隙相近位置处的焊缝进行分析2.2 微观分析采用扫描电子显微镜(SEM)和能谱仪(EDS)进行根焊缝渗铜微观分析2.2.1对口间隙0(KZB-0-02)根焊缝渗铜分析该对口间隙下SEM和铜元素EDS面扫描结果表明,该对口间隙下根焊缝未出现夹铜、渗铜现象2.2.2 对口间隙0.5mm(KZB-0.5-01)根焊缝渗铜分析该对口间隙下SEM和铜元素EDS面扫描结果如图4所示结果表明,该对口间隙下,根焊缝最大夹铜深度约为75μm,未见渗铜自焊缝根部向盖面方向进行线扫描,铜含量分布相对集中,距离EDS分析起始点<60μm范围内铜含量较高,超出60μm范围,铜含量骤降,且趋于平稳,未见明显梯度变化2.2.3 对口间隙1mm(KZB-1-01)根焊缝渗铜分析该对口间隙下SEM和铜元素EDS面扫描结果表明,根部夹铜最大深度为150μm,最大渗铜深度约为1100μm自焊缝根部向盖面方向进行线扫描,距离EDS分析起始点<120μm范围内铜含量较高,120μm~160μm范围内铜含量降低,呈现一定浓度梯度。

160μm~800μm范围内铜含量高于距离EDS分析起始点>960μm范围的铜含量2.2.4 对口间隙1.5mm(KZB-1.5-01)根焊缝渗铜分析自焊缝根部向盖面方向进行线扫描,铜元素分布情况见图9b距离EDS分析起始点<100μm范围内铜含量较高,100μm~400μm范围内随着距扫描起始点距离增加基本呈现降低趋势2.3 小结2.3.1 随着对口间隙的增加,焊缝宏观夹铜长度数量增加;2.3.2 随着对口间隙增加,根焊缝夹铜深度及渗铜区域深度均增加3 焊缝渗铜对力学性能的影響选取对口间隙为0、0.5mm、1mm三种试样研究焊缝渗铜对根焊缝力学性能影响3.1 拉伸性能依据GB/T 228.1-2010《金属材料拉伸试验第1部分:室温试验方法》对根焊缝取样进行拉伸试验,试样平行段尺寸为68mm20mm,试样厚度为3.9mm(根焊缝背面铣平后,根焊缝“夹铜”遭到部分或全部去除)3.2 小结3.2.1 不同对口间隙铜衬自动焊焊缝拉伸性能、冲击性能、弯曲性能均满足标准要求;3.2.2 不同对口间隙对铜衬自动焊焊缝显微硬度无明显影响4 结论4.1对口间隙是影响铜衬自动焊根部夹铜的主要因素,且最大数值宜控制在1.0mm以内,否则容易出现夹铜严重、根焊缝成型不良、烧穿甚至无法施焊现象。

随着对口间隙的增加,焊缝宏观夹铜长度数量增加,根焊缝夹铜深度及渗铜区域深度均增加4.2 不同对口间隙铜衬垫自动焊,焊缝拉伸性能、冲击性能、弯曲性能均满足标准要求,对口间隙对焊缝显微硬度无明显影响参考文献:[1] 罗智超, 汪宏辉, 路焰, 文学, 戚国顺, 刘兴邦, 雷正龙. 长输管道外自动根焊采用铜衬垫焊接接头组织与性能分析[J]. 焊接, 2014, 12: 42-47.[2] 梁君直, 黄福祥, 靳海成, 吴江桥. 管道环焊缝采用铜衬垫根焊及焊缝渗铜研究[J]. 电焊机, 2009, 5(39): 74-77. -全文完-。

下载提示
相似文档
正为您匹配相似的精品文档