文档详情

钢支撑理论重量表Φ609δ16

壹****1
实名认证
店铺
DOC
75.50KB
约2页
文档ID:522233054
钢支撑理论重量表Φ609δ16_第1页
1/2

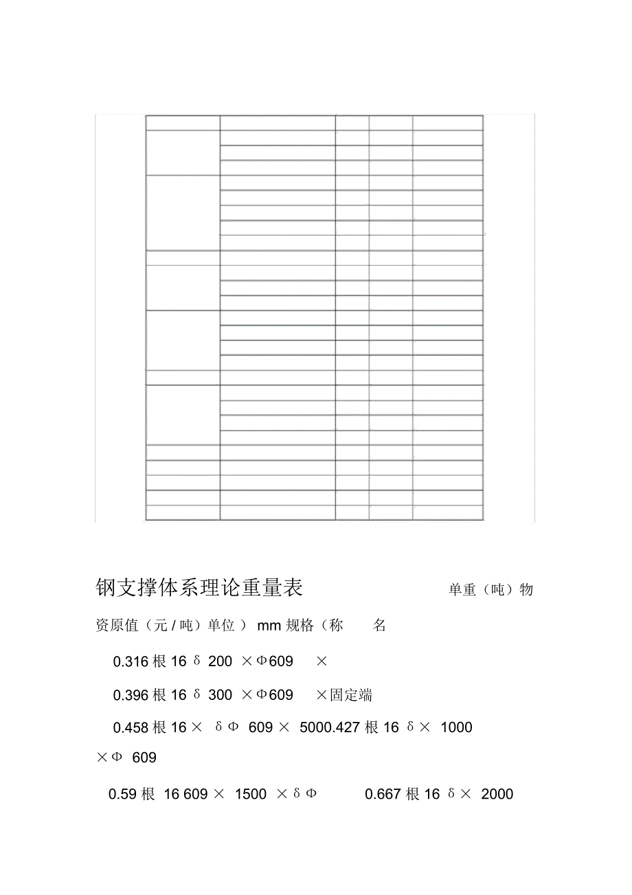
钢支撑体系理论重量表 单重(吨)物资原值(元 / 吨)单位 ) mm 规格(称 名0.316根 16δ 200×Ф609×0.396根 16δ 300×Ф609×固定端0.458根 16× δФ 609 × 5000.427 根 16 δ× 1000×Ф 6090.59 根 16 609 × 1500 ×δФ0.667 根 16 δ× 2000×Ф 609 钢支撑1.158 根 16×δФ 609 × 40001.672 根 16 δФ 609× 6000 ×0.997 根 16 1450 ×δФ 609 ×活络端根 0.454 16 200 × δ×Ф 800根 0.539 16 δ× 300 × Ф800 固定端 根 0.701 16 × δФ800 × 500根 0.67216 δ× 1000 × Ф 800根 0.98816× ×2000δФ800钢支撑 根 1.62116 4000× δФ800 ×根 2.254 16 Ф800 ×6000δ×1.302根 16 × δ×Ф800 1450活络端0.717 根 600 ×× 4802000根 1.393 6004000 ×480 ×钢围檩根 2.032 6004806000 ××2.708 600 ×8000480 ×根0.27 配套δ 800 Ф挂板 (大)× 16 个0.17 配套 16 609 × δФ个挂板(小)0.005 Ф 800/ Ф 609 配套个钢楔子0.02 8 × 80 × 80 ∟三脚架个0.24480 ×650 × 600 斜支座个。

下载提示
相似文档
正为您匹配相似的精品文档