文档详情

004_地下改性沥青油毡(SBS)防水层施工工艺

心***
实名认证
店铺
DOC
39.50KB
约3页
文档ID:595392219
004_地下改性沥青油毡(SBS)防水层施工工艺_第1页
1/3

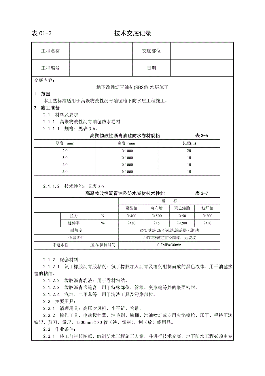
表C1-3 技术交底记录工程名称交底部位工程编号日期交底内容:地下改性沥青油毡(SBS)防水层施工1 范围 本工艺标准适用于高聚物改性沥青油毡地下防水层工程施工2 施工准备 2.1 材料及要求 2.1.1 高聚物改性沥青油毡防水卷材 2.1.1.1 规格:见表3-6 高聚物改性沥青油毡防水卷材规格 表3-6厚度 (mm)宽度 (mm)长度(m)2.0≥1000203.0≥1000104.0≥1000105.0≥100010 2.1.1.2 技术性能:见表3-7 高聚物改性沥青油毡防水卷材技术性能 表3-7指 标聚酯胎麻布胎聚乙烯胎坡纤胎拉力N≥400≥500≥50≥200延伸率%≥30≥5≥200≥50耐热度85℃受热2h不流淌,涂盖层无滑动低温柔性-15℃绕规定直径圆棒,无裂纹不透水性压力/保持时间0.2MPa/30min 2.1.2 配套材料: 2.1.2.1 氯丁橡胶沥青胶粘剂:氯丁橡胶加入沥青及溶剂配制而成的黑色液体。

用于油毡接缝的粘结 2.1.2.2 橡胶沥青乳液:用于卷材粘结 2.1.2.3 橡胶沥青嵌缝膏:用于特殊部位、管根、变形缝等处的嵌固密封 2.1.2.4 汽油、二甲苯等:用于清洗工具及污染部位 2.2 主要用具: 2.2.1 清理用具:高压吹风机、小平铲、笤帚 2.2.2 操作工具、电动搅拌器、油毛刷、铁桶、汽油喷灯或专用火焰喷枪、压子、手持压滚、铁辊、剪刀、量尺、1500mmφ30管(铁、塑料)、划(放)线用品 2.3 作业条件: 2.3.1 施工前审核图纸,编制防水工程施工方案,并进行技术交底地下防水工程必须由专业队施工,操作人员持证上岗 2.3.2 铺贴防水层的基层必须按设计施工完毕,并经养护后干燥,含水率不大于9%;基层应平整、牢固、不空鼓开裂、不起砂 2.3.3 防水层施工涂底胶前(冷底子油),应将基层表面清理干净 2.3.4 施工用材料均为易燃,因而应准备好相应的消防器材3 操作工艺 3.1 工艺流程:基层清理→涂刷基层处理剂→铺贴附加层→热熔铺贴卷材→热熔封边→做保护层 3.2 基层清理:施工前将验收合格的基层清理干净。

3.3 涂刷基层处理剂:在基层表面满刷一道用汽油稀释的氯丁橡胶沥青胶粘剂,涂刷应均匀,不透底 3.4 铺贴附加层:管根、阴阳角部位加铺一层卷材按规范及设计要求将卷材裁成相应的形状进行铺贴 3.5 铺贴卷材:将改性沥青防水卷材按铺贴长度进行裁剪并卷好备用,操作时将已卷好的卷材,用φ30的管穿入卷心,卷材端头比齐开始铺的起点,点燃汽油喷灯或专用火焰喷枪,加热基层与卷材交接处,喷枪距加热面保持300mm左右的距离,往返喷烤、观察当卷材的沥青刚刚熔化时,手扶管心两端向前缓缓滚动铺设,要求用力均匀、不窝气,铺设压边宽度应掌握好,满贴法搭接宽度为80mm,条粘法搭接宽度为100mm 3.6 热熔封边:卷材搭接缝处用喷枪加热,压合至边缘挤出沥青粘牢卷材末端收头用沥青嵌缝膏嵌固填实 3.7 保护层施工:平面做水泥砂浆或细石混凝土保护层;立面防水层施工完,应及时稀撒石碴后抹水泥砂浆保护层4 质量标准 4.1 保证项目 4.1.1 高聚物改性沥青防水卷材和胶粘剂的规格、性能、配合比必须按设计和有关标准采用,应有合格的出厂证明 4.1.2 卷材防水层特殊部位的细部作法,必须符合设计要求和施工及验收规范的规定。

4.1.3 防水层严禁有破损和渗漏现象 4.2 基本项目: 4.2.1 基层应平整,无空鼓、起砂,阴阳角应呈圆弧形或钝角 4.2.2 改性沥青胶粘剂涂刷应均匀,不得有漏刷、透底和麻点等现象 4.2.3 卷材防水铺附加层的宽度应符合规范要求;分层的接头搭接宽度应符合规范的规定,收头应嵌牢固 4.2.4 卷材粘结应牢固,无空鼓、损伤、滑移翘边、起泡、皱折等缺陷5 成品保护 5.1 地下卷材防水层部位预埋的管道,在施工中不得碰损和堵塞杂物 5.2 卷材防水层铺贴完成后,应及时做好保护层,防止结构施工碰损防水层;外贴防水层施工完后,应按设计砌好防护墙 5.3 卷材平面防水层施工,不得在防水层上放置材料及作为施工运输车道6 应注意的质量问题 6.1 卷材搭接不良:接头搭接形式以及长边、短边的搭接宽度偏小,接头处的粘结不密实,接槎损坏、空鼓;施工操作中应按程序弹标准线,使与卷材规格相符,操作中齐线铺贴,使卷材接长边不小于100mm,短边不小于150mm 6.2 空鼓:铺贴卷材的基层潮湿,不平整、不洁净、产生基层与卷材间窝气、空鼓;铺设时排气不彻底,窝住空气,也可使卷材间空鼓;施工时基层应充分干燥,卷材铺设应均匀压实。

6.3 管根处防水层粘贴不良:清理不洁净、裁剪卷材与根部形状不符、压边不实等造成粘贴不良;施工时清理应彻底干净,注意操作,将卷材压实,不得有张嘴、翘边、折皱等现象 6.4 渗漏:转角、管根、变形缝处不易操作而渗漏施工时附加层应仔细操作;保护好接槎卷材,搭接应满足宽度要求,保证特殊部位的质量7 质量记录 本工艺标准应具备以下质量记录: 7.1 防水卷材应有产品合格证,现场取样复试合格资料 7.2 胶结材料应有出厂合格证、使用配合比资料 7.3 隐蔽工程检查验收资料及质量检验评定资料技术负责人: 交底人: 接交人:。

下载提示
相似文档
正为您匹配相似的精品文档