文档详情

公路工程(施工)质量检验检测评定附表

cn****1
实名认证
店铺
DOCX
300.35KB
约93页
文档ID:538390395
公路工程(施工)质量检验检测评定附表_第1页
1/93

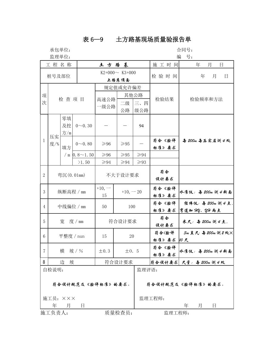
表6—9 土方路基现场质量验报告单 承包单位: 合同号: 监理单位: 编 号:工 程 名 称土 方 路 基 施 工 时 间 年 月 日 桩号及部位K2+000~ K3+000上路床顶面检 验 时 间年 月 日项次检 查 项 目规定值或允许偏差检验结果检验频率和方法高速公路一级公路其他公路二级公路三、四级公路1压实度/%零填及挖方/m0~0.30--94每200m每压实层测4处填方/m0~0.80≥96≥95-符合《验评标准》要求0.8~1.50≥96≥95≥94>1.50≥94≥94≥932弯沉(0.01mm)不大于设计要求符合设计要求3纵断高程/mm+10,一15+10,一20符合《验评标准》要求水准仪:每200m测4断面4中线偏位/mm50100符合《验评标准》要求经纬仪:每200m测4点,弯道加HY、YH两点5宽 度/mm符合设计要求符合设计要求米尺:每200m测4点,6平整度/nun1520符合(验评标准》要求3m直尺:每200m测2处×10尺7横 坡/%±0.3±O.5符合《验评标准》要求水准仪:每200m测4断面8边 坡符合设计要求符合设计要求尺量:每200m测4处 自检说明: 符合设计规范及《验评标准》的要求。

施工员:××× 年 月 日 监理评语: 符合设计规范及《验评标准》的要求 监理工程师: 年 月 日施工负责人: 质量检查员: 监理工程师:表6一lO 石方路基现场质量检验报告单 承包单位: 合同号: 监理单位: 编 号: 工程名称石 方 路 基施 工 时 间年 月 日桩号及部位K2+000~ K3+000上路堤第三层检 验 时 间年 月 日项次检 查 项 目规定值或允许偏差检 验 结 果检验频率和方法 高速公路一级公路其他公路1压实层厚和碾压遍数符合要求符合设计要求查施工记录2纵断高程/mm.+10,一0.200,-30符合《验评标准》水准仪:每200m测4断面3中线偏位/mm50100符合《验评标准》经纬仪:每200mm测4点.弯道加HY、Ⅷ两点4宽 度/mm符合设计要求符合设计要求米尺:每200m测4处5平整度/mm2030符合《验评标准》3m直尺:每200m测2处×10尺6横 坡/%±0.3±0.5符合《验评标准》水准仪:每200m测4断面7边 坡坡度符合设计要求符合设计要求尺量:每200m测4处平整度符合设计要求符合设计要求自检说明: 符合设计规范及《验评标准》的要求。

施工员:年 月 日监理评语: 符合设计规范及《验评标准》的要求监理工程师: 年 月 日表6—11 排水井(袋装砂井、塑料排水板)处理软基现场质量验报告单承包单位: 合同号:监理单位: 编 号工 程 名 称路 基土 方工 程施 工 时 间年 月 日桩 号 及 部 位(K3+400)软土地基处置检 验 时 间年 月 日项次检 查 项 目规定值或允许偏差检验结果检验频率和方法1数量/根不小于设计符合《验评标准》查施工记录2△井(板)长度(mm)不小于设计符合《验评标准》查施工记录3井(板)间距(mm)± 150符合《验评标准》抽查2%4竖直度(%)1.5符合《验评标准》查施工记录5砂井直径(mm)+10-0符合《验评标准》挖验2%6灌砂量(%)-5符合《验评标准》查施工记录自检说明:符合设计规范及《验评标准》的要求施工员:年 月 日监理评语:符合设计规范及《验评标准》的要求。

监理工程师:年 月 日施工负责人: 质量检查员: 监理工程师:表6—12 碎石桩(砂桩)处理软土地基现场质量验报告单承包单位: 合同号:监理单位: 编 号工 程 名 称路 基土 方工 程施 工 时 间年 月 日桩 号 及 部 位(K3+200) 软土地基处置检 验 时 间年 月 日项次检 查 项 目规定值或允许偏差检验结果检验频率和方法1△桩数 / 根不小于设计符合《验评标准》查施工记录2直径(cm) 不小于设计符合《验评标准》抽查2%3△ 桩长(m)不小于设计符合《验评标准》查施工记录4 桩距(mm ± 150符合《验评标准》抽查2%5竖直度(%) 1.5符合《验评标准》查施工记录6灌砂量(%)不小于设计符合《验评标准》查施工记录7平均标贯击数不小于设计符合《验评标准》查施工记录自检说明:符合设计规范及《验评标准》的要求。

施工员:年 月 日监理评语:符合设计规范及《验评标准》的要求监理工程师:年 月 日施工负责人: 质量检查员: 监理工程师:表6—13 压实度试验记录表(灌砂法)承包单位: 合同号:监理单位: 编 号:工 程 名 称土 方 路 基试 验 单 位土 样 类 别中 粒 土试验完成日期 年 月 日最佳含水量/%3%试验人签字最大干密度/(g/cm3)2.08审核人签字桩 号K2+000K2+020K2+040K2+060K2+080取样位置/m左2.0右2.0左4.0右4.0中线位a灌砂前:筒+砂重/g76007600760076007600b灌砂后:筒+砂重/g22982348234523282316c锥体砂重/g14801480148014801480d试坑砂重=a-b-c(g)38223772377537923804e砂密度/(g/cm3)1.431.431.431.431.43f试坑体积V=d/e(cm3)26732638264026522330g试坑士重/g56805643554458035700h湿密度g/f(g/m3)2.1722.1392.102.1882.143盒号12345678910i盒+湿土重/g1143113011411154114211361188114011411136j盒+干土重/g1063105110681086106210531108106210671066k水重/g80.279.072.968.380.083.480.377.674.070:2l盒质量/g132.4130.5432.6139.3132.4130.5132.6133.1131131.9m干土重/g930.4920.5935.5946.4929.6922.1975.1929.3936.0933.9n含水量/%8.68.67.87.28.69.08.28.47.97.50平均含水量/%8.67.58.88.37.7P干密度=g/f(g/crn3)2.001.991.932.021.99压实度/%96.295.795.897.195.7路基部位(第几层)上路堤第三层压实度标准/%95结论合格表6—14 回弹弯沉值测定检验记录表承包单位: 合同号:监理单位: 编 号:线路名称: 试验车型号: 后轴重/kN:当量圆直径/cm: 轮胎气压/MPa: 弯沉仪型号:路面结构: 层次:测定日期: 年 月 日 天气: 温度:桩 号左左中右中右初读数末读数弯沉值初读数末读数弯沉值初读数。

下载提示
相似文档
正为您匹配相似的精品文档