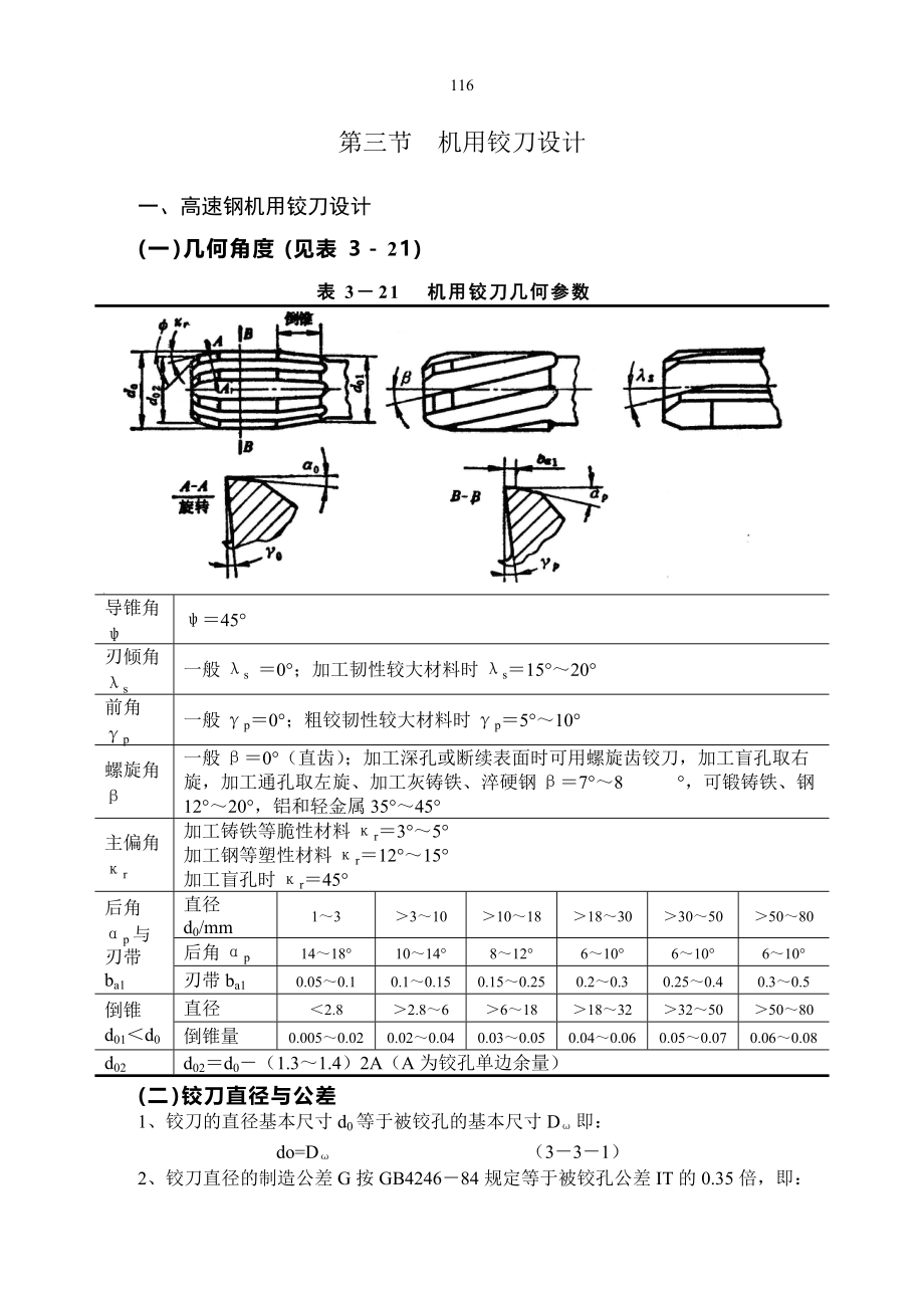
124第三节 机用铰刀设计一、高速钢机用铰刀设计(一)几何角度(见表3-21)表3-21 机用铰刀几何参数导锥角ψψ=45刃倾角λs一般λs =0;加工韧性较大材料时λs=15~20前角γp一般γp=0;粗铰韧性较大材料时γp=5~10螺旋角β一般β=0(直齿);加工深孔或断续表面时可用螺旋齿铰刀,加工盲孔取右旋,加工通孔取左旋、加工灰铸铁、淬硬钢β=7~8 ,可锻铸铁、钢12~20,铝和轻金属35~45主偏角κr加工铸铁等脆性材料κr=3~5加工钢等塑性材料κr=12~15加工盲孔时κr=45后角αp与刃带ba1直径d0/mm1~3>3~10>10~18>18~30>30~50>50~80后角αp14~1810~148~126~106~106~10刃带ba10.05~0.10.1~0.150.15~0.250.2~0.30.25~0.40.3~0.5倒锥d01<d0直径<2.8>2.8~6>6~18>18~32>32~50>50~80倒锥量0.005~0.020.02~0.040.03~0.050.04~0.060.05~0.070.06~0.08d02d02=d0-(1.3~1.4)2A(A为铰孔单边余量)(二)铰刀直径与公差1、铰刀的直径基本尺寸d0等于被铰孔的基本尺寸Dω即:do=Dω (3-3-1)2、铰刀直径的制造公差G按GB4246-84规定等于被铰孔公差IT的0.35倍,即:图3—14铰刀公差和孔公差配置 G=0.35IT (3-3-2)铰刀公差和孔公差的配合如图3-14。
3、用高速钢铰刀铰孔后,孔径一般发生扩张,按GB4246-84规定铰刀直径的上限尺寸d0max等于孔的最大直径减0.15IT,即:Domax=Dωmax-0.15IT (3-3-3)铰刀直径的下限尺寸d0min等于铰刀的最大直径d0max减0.35IT,即:Domax=Dωmax-0.35IT-0.15IT (3-3-4)0.15IT、0.35IT的值应圆整到0.001mm的整数倍铰刀直径与偏差见表3-22表3-22 GB1133-84所列铰刀直径与偏差铰刀直径d0与分级范围精度等级H7H8H9>5.3~6>6~10>10~18>18~30>30~50+0.010+0.005+0.012+0.006+0.015+0.008+0.017+0.009+0.021+0.012+0.015+0.008+0.018+0.010+0.022+0.012+0.028+0.016+0.033+0.019+0.025+0.014+0.030+0.017+0.036+0.020+0.044+0.025+0.052+0.030(三)齿数Z及分布铰刀齿数Z影响铰孔质量、刀齿强度和容屑空间并与工件材料、铰刀直径有关。
一般可按下式计算: (3-3-5)加工韧性材料时Z取小值;加工脆性材料时Z取大值为了测量方便通常取偶数刀齿在圆周上分布为制造方便一般取等齿距分布Z可按表3-23选取表3-23 铰刀齿数高速钢机用铰刀直径d0/mm1~2.83~2021~2536~4850~55齿数Z4681012a)半圆形齿形 b)三角形齿形 c)五角形齿形图3—15铰刀公差和孔公差配置4、铰刀齿槽与尺寸当铰刀直径d0<3mm时铰刀齿槽形状可作成半圆形、三角形或五角形如图3—15所示当铰刀直径d0≥3~20mm时,铰刀齿槽通常作成直线齿背截形;当铰刀直径d0>20mm时,铰刀齿槽采用圆弧齿背截形,尺寸见表图3—17表3—17 铰刀齿槽形状与尺寸A型直线齿背 B型圆弧齿背铰刀直径d0槽形齿数Zba1FθRr基本尺寸公差>3~5.5A60.08~0.150.25~0.400.2085-0.3>5.5~10A60.10~0.200.50~0.700.2085~90-0.5>10~20A680.10~0.250.60~1.000.3075~80-0.5>20~28B80.15~0.301.00~1.200.40~0.50-250.5~1>28~34B8~100.20~0.401.300.50-201>34~45B10~120.20~0.401.40~1.600.60-151>45~50B120.25~0.501.70~1.800.60-2015、工作部分尺寸见表3-25表3-25 铰刀工作部分尺寸项目采用值或计算公式前导锥l3l3=1~2切削部分l1l1=(1.3~1.4)Actgκr(A为铰孔单边余量)圆柱校准部分l2l2=(0.25~0.5)d0工作部分ll=(0.8~3)d0焊接部分lclc=l+(4~6)圆弧半径rr=0.5~1.56.非工作部分结构尺寸见表3-26。
表3-26 莫氏锥柄机用高速钢铰刀非工作部分结构尺寸直径总长刃长颈部直径莫氏锥号5.5138264.5167150315.58156336.591623671016838811175411218244913182441014189471520450112162105212172145413182195614192235815202286016212326217222376423241662426466193252686820262737027277712128223028173233231777254铰刀柄部型式有圆柱形和圆锥形两种,圆柱柄本资料从略,设计时可参见GB1132—84圆锥柄为莫氏锥度,尺寸见表3-27表3-27 带扁尾外锥度尺寸莫氏锥号DD1d2d3l3l4abecRr01234569.04512.06517.78023.82531.26744.39963.3409.21212.24017.98024.05131.54244.73163.7606.1158.97214.05919.13125.15436.54752.4195.98.713.618.624.635.751.356.362.074.593.5117.7149.2209.659.565.578.598.0123.0155.5217.53.23.54.04.55.36.37.93.95.26.37.911.915.919.010.513.516.520.024.030.545.56.58.510.513.015.019.028.545679111711.251.522.53铰刀颈部直径应小于或等于d0,其长度由孔深和机床结构决定。
铰刀中心孔按GB145-85选取见表3-28表3-28 中心孔尺寸A型不带护锥中心孔 B型带护锥中心孔 C型带螺纹中心孔标记示例:d=12的A型中心孔:中心孔A12dA、B、C型孔C型孔选择中心孔的参考数据A及B型孔C型孔D最大LL1alL2最小原料端部最小直径轴状原料最大直径工件的最大质量0.50.711.522.53456812162024------M3M4M5M6M8M12M16M20M24122.54567.51012.5152030384558122.54567.51012.51520303845581.22.32.94.65.86.88.511.21416.82232.540.548620.20.30.40.60.80.811.21.51.822.52.534------3.24.35.36.48.413172125------0.811.21.52345523.546.5810121520253042506070由2~3.5>3.5~4>4~7>7~10>10~18>18~30>30~50>50~80>80~120>120~180>180~220>220~260>260~300>300~360>360---1512020050080010001500200030005000700010000注: 1、C型L1根据固定螺钉的尺寸决定,但不应小于表列数值。
2、.中心孔之粗糙度按其用途自行规定3、对于重型零件,采用此标准时可参考工件的最大质量选择4、直径D0小于和等于3mm的工具可制成反顶尖,其锥角为755、不要求保留中心孔的采用A型,要求保留中心孔的零件采用B型,为了将零件固定在轴上的中心采用C型二、机用铰刀技术条件(一)铰刀表面粗糙度见表3-29表3-29 机用铰刀表面粗糙度Ra 铰刀部位Ra(μm)高速钢机用铰刀前刀面;切削部分后刀面;校准部分刃带;锥柄表面0.63齿背表面5校准部分后刀面;直柄表面;铰刀中心孔1.25其余表面10硬质合金机用铰刀校准部分刃带0.16前刀面;校准部分后刀面0.63齿背表面5切削部分后刀面;过渡刃后刀面0.32。