文档详情

产品的编码规则

好**
实名认证
店铺
DOC
161KB
约5页
文档ID:100448284
产品的编码规则_第1页
1/5

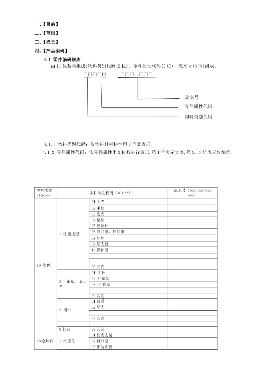
一、【目的】 二、【范围】 三、【权责】四、【产品编码】 4.1 零件编码规则由11位数字组成:物料类别代码(2位)、零件属性代码(3位)、流水号(6位)组成 □□□□□ □□□ □□□ 流水号零件属性代码物料类别代码4.1.1 物料类别代码:依物料材料特性用2位数表示4.1.2 零件属性代码:依零件属性用3位数进行表示,第1位表示大类,第2、3位表示仪细类 物料类别(10-99)零件属性代码(101-999)流水号(000 000-999 999)10 塑件1 注塑成型01上壳 02中框 03底壳 04垫块 05复位杆 06液晶座、档显座 07灯片 09导光板 10保护圈     99其它 2 面板、显示片01 毛坯 02 注塑型 03 PC板型   99其它 3 指针01普通 02导光   99其它    9其它99其它 20金属件1 冲压件01仪表支架 02封口圈 03铝装饰板   99其它 2 机加件01机加件   3 压铸件01接头 02磁钢 03下支撑 99 其它    9 其它99 其它 30橡胶件1密封类01密封类 2 减震类01 减震类 3发泡类01发泡类 4导电类01导电类 5支撑类01支撑类(灯头) 9 其它99 其它 40电子件1 电阻01贴片 02直插   2 电容01贴片 02直插   3 二极管、三极管01贴片 02直插   4 IC01贴片 02直插 5 PCB板01单面 02双面 03多层   6 接口类01组合件 02金属端子(含灯头端子) 03塑料外壳   99 杂件 7 显示类01 液晶屏 02 数码管 03 灯泡 8、  9其它99 其它(电线、背光源、步进电机、晶振、电感等) 50标准件1 紧固件01 、螺钉类 02、自攻螺钉 03、螺栓类 04、螺母类 05、垫圈类 06、挡圈类 07、 2 弹簧01 压缩弹簧 02 塔型弹簧 03 拉伸弹簧 04 扭转弹簧 9 其它99其它 60化工101 油脂类 201胶类 301 油墨 401 塑料粒子   999其它 70包装1 纸箱01外箱 02内盒 03内衬 04垫板   2 附件01泡沫托     9 其它01其它(塑料袋、合格证、唛头\防潮剂等)   80杂类9杂类99杂类 4.2成品及部件编码规则由14位数字组成:物料类别代码(2位)、产品属性代码(3位)、产品设计顺序号(3位)、变型设计代码3位)、部件代码(3位)组成。

部件代码 □□□□□ □□□□□□ □□□变型设计代码 设计顺序号(产品类别代码)产品属性代码物料类别代码物料类别代码产品属性(110-999)设计顺序号(产品类别代码)(001-999)变形代码(001-999)部件代码(000-999)90 成品、部件1 汽车用(Q)2 摩托车用(M)3 沙潍车用(S)4 游艇用(Y)9 其它(T)10 组合仪表(ZB)流水号流水号000:总成11 转速表(ZS)`其余部件按组成情况按流水号编码如:001:里程机芯,002:转速机芯003:燃油表机芯004:电子转速机芯,005:线束,006:档显,007:线路板部件,008:电子时钟等12 车速里程表(SL)13 燃油表(RY)14 温度表(WD)15 油耗表(YH)16 油压表(YY)17 气压表(QY)18 比率表(BL)19 电流表(DL)20 电压表(DY)21 时钟(SZ) 30 组合开关(ZK)31 转速表传感器(ZG)32 车速里程表传感器(LG)33 燃油表传感器(RG)34 温度表传感器(WG)35 油耗表传感器(HG)36 油压表传感器(YG)37 气压表传感器(QG)38 比率表传感器(BG)39 温度报警器(温控开关)(WB) 50 点火线圈总成(DQ)4.2.1 物料类别代码:成品为90-99的2位数以与零件代码进行区别。

4.2.2 产品属性代码:依产品使用车辆种类及仪表属性用3位数进行表示,第1位表示车辆种类,第2、3位表示仪表功能属性4.2.4 设计顺序号:在同一产品属性的产品中,按产品的设计先后顺序,用两位阿拉伯数字(001—999)表示4.2.5 变型设计代码在原有产品中,当产品的主体结构、外形控制尺寸、硬件安装尺寸不变的前提下,仅对某些局部形状、尺寸改变或某些参数作改变而构成一个相同系列不同机种的新产品时,该新产品的型号应在原有产品型号的基础上编制变型设计代码,用两位阿拉伯数字(001—999)表示A、虽然产品的主体结构、外形控制尺寸、硬件安装尺寸均未变,但首次改变任何工作参数;B、软件性质的改变(如:总线);C、正面可视区域的版面布置改变(如:屏板窗口的改变、表头数量的增减);D、装饰圈的改变(如:装饰圈形状的改变、装饰圈颜色的改变);E、接插件的改变(如:接插件的形状、大小的改变,各个端子的功能定义改变);F、复位杆的改变(如:复位杆位置的移动、复位杆数量的增减长度或形状改变);G、指针的改变(如:指针形状的改变、长度的改变、导光形式的改变、颜色的改变)H、改变工作参数(软件内容的改变、速比的改变、量程的改变、磁钢极数的改变);I、软件内容的改变(烧录程序的改变);J、改变面板的外观(量程的改变、颜色的改变)。

4.2.6部件代码:000代表总成固定不变,其余部件按3位流水号,不作硬性规定,推荐优先采用下表代 号部件名称000总成001里程机芯002转速机芯003燃油表机芯004电子转速机芯部件005线束006档显007线路板部件008电子时钟4.3 产品型号编制示例: 4.4 产品型号的归口与管理4.4.1 产品型号的编制由技质部归口,并指定专人管理和维护;4.4.2 技质部应建立《产品型号档案卡》,对公司所有产品的产品型号进行管理和备案保存五、【相关文件】《文件与记录控制程序》《产品质量先期策划控制程序》六、【相关记录】 《产品型号档案卡》 编制: 审核: 批准。

下载提示
相似文档
正为您匹配相似的精品文档