文档详情

连续镀锌的性能参数

wt****50
实名认证
店铺
DOC
117KB
约2页
文档ID:40156653
连续镀锌的性能参数_第1页
1/2

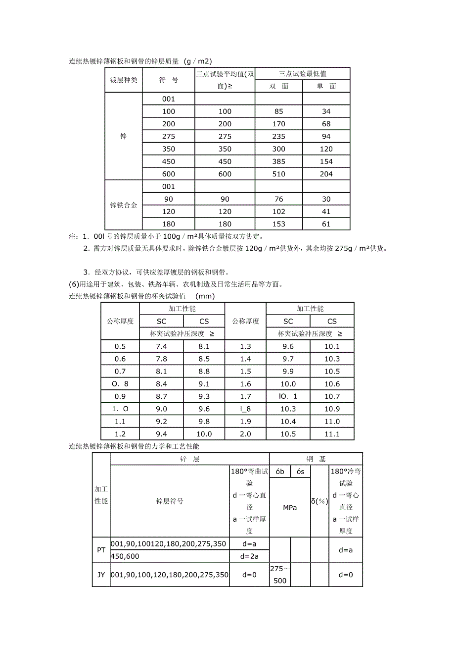
连续热镀锌薄钢板和钢带的锌层质量 (g/m2) 三点试验最低值 镀层种类符 号三点试验平均值(双面)≥双 面单 面001 10010085342002001706827527523594350350300120450450385154锌600600510204001 9090763012012010241锌铁合金18018015361注:1.00l 号的锌层质量小于 100g/m²具体质量按双方协定2.需方对锌层质量无具体要求时,除锌铁合金镀层按 120g/m²供货外,其余均按 275g/m²供货 3.经双方协议,可供应差厚镀层的钢板和钢带6)用途用于建筑、包装、铁路车辆、农机制造及日常生活用品等方面连续热镀锌薄钢板和钢带的杯突试验值 (mm) 加工性能加工性能SCCSSCCS公称厚度杯突试验冲压深度 ≥公称厚度杯突试验冲压深度 ≥0.57.48.11.39.610.10.67.88.51.49.710.30.78.18.81.59.910.5O.88.49.11.610.010.60.98.79.31.7lO.110.71.O9.09.6l_810.310.91.19.29.81.910.411.01.29.410.02.010.511.1连续热镀锌薄钢板和钢带的力学和工艺性能 锌 层钢 基óbós加工性能锌层符号180°弯曲试验d 一弯心直径a 一试样厚度MPaδ(%)180°冷弯试验d 一弯心直径a 一试样厚度001,90,100120,180,200,275,350d=a PT 450,600d=2ad=aJY001,90,100,120,180,200,275,350d=0275~500d=0SC 001,100,200,275d=0270~380≥30 Cs 001,100,200,275d=O270~380≥30 00l,90,100,120,180,200,275,350d=a JG 450,600d=2a370 ≥240 ≥18 注:1.锌层弯曲,距试样边部 5mm 以外不允许出现锌层脱落,但允许表面出现不露钢基的裂纹。

2.钢基冷弯,试样弯曲不允许出现裂纹和分层3.拉力试验,试样的标距 Lo=80mm,宽度 bn:20mm4.JG 镀锌钢板和钢带,其抗拉强度仅供参考,最小的抗拉强度值可按双方协议5.对于厚度大于 2.0mm 的钢板和钢带,其杯突试验冲压深度可按双方协议6.CS 镀锌钢板和钢带经供方光整处理后,保证 6 个月内深冲加工时不产生滑移线7.SC 镀锌钢板和钢带经供方光整处理后,保证 8 天内深冲加工时不产生滑移线连续热镀锌薄钢板和钢带的宽度和长度允许偏差(mm) 宽度允许偏差长度允许偏差 宽 度 高级精度 A高级精度 B公称长度 高级精度 A 高级精度 B≤1200+2+6≤2000+3+6>1200+3+8>2000+0.005公称长度+0.003公称长度95 连续热镀锌薄钢板和钢带的尺寸规格 (mm) 名 称公称尺寸厚 度0.25~O.50>0.50~2.5宽 度700~1500钢 板1000~6000 长 度 钢 带卷内径 450卷内径 450连续热镀锌薄钢板和钢带的分类及符号 分类方法类 别符 号分类方法类 别符 号普通用途PT001001机械咬合JY100100深 冲SC200200超深冲耐时效Cs275275按加工性能结 构JG350350正常锌花Z450450光整锌花GZ锌600600小锌花X001001按表面结构锌铁合金XT9090I 组I120120 按表面质量 Ⅱ组Ⅱ按锌层质量锌铁 合 金180180铬酸钝化L 高级精度A涂 油Y按尺寸精度普通精度B按表面处理铬酸钝化加涂油LY。

下载提示
相似文档
正为您匹配相似的精品文档