文档详情

2020年高考化学命题高频考点《反应历程机理图像(能垒图、循环图、直线图)试题》微专题复习

in****us
实名认证
店铺
PDF
1.47MB
约23页
文档ID:195571494
2020年高考化学命题高频考点《反应历程机理图像(能垒图、循环图、直线图)试题》微专题复习_第1页
1/23

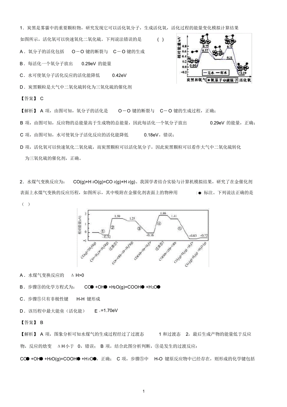
1 1炭黑是雾霾中的重要颗粒物,研究发现它可以活化氧分子,生成活化氧,活化过程的能量变化模拟计算结果 如图所示,活化氧可以快速氧化二氧化硫下列说法错误的是( ) A氧分子的活化包括OO 键的断裂与CO 键的生成 B每活化一个氧分子放出0.29eV 的能量 C水可使氧分子活化反应的活化能降低0.42eV D炭黑颗粒是大气中二氧化硫转化为三氧化硫的催化剂 【答案】 C 【解析】 A 项,由图可知,氧分子的活化是OO 键的断裂与CO 键的生成过程,正确; B 项,由图可知,反应物的总能量高于生成物的总能量,因此每活化一个氧分子放出0.29eV 的能量,正确; C 项,由图可知,水可使氧分子活化反应的活化能降低0.18eV,错误; D 项,活化氧可以快速氧化二氧化硫,而炭黑颗粒可以活化氧分子,因此炭黑颗粒可以看作大气中二氧化硫转化 为三氧化硫的催化剂,正确 2水煤气变换反应为:CO(g)+H2O(g)=CO2(g)+H2(g)我国学者结合实验与计算机模拟结果,研究了在金催化剂 表面上水煤气变换的反应历程,如图所示,其中吸附在金催化剂表面上的物种用标注下列说法正确的是 ( ) A水煤气变换反应的 H0 B步骤的化学方程式为:CO +OH +H2O(g)=COOH +H2O C步骤只有非极性键H-H 键形成 D该历程中最大能垒(活化能)E 正=1.70eV 【答案】 B 【解析】 A 项,图象分析可知水煤气的生成过程经过了过渡态1 和过渡态2,最后生成产物的能量低于反应 物,反应的焓变H 小于0,错误; B 项,结合此图分析判断,是发生的过渡反应: CO +OH +H2O(g)=COOH +H2O,正确; C 项,步骤中H-O 键原反应物中已经存在,则形成的化学键包括 2 极性键C=O,非极性键H-H 键形成,错误;D 项,该历程中最大能垒(活化能 )E 正=1.86eV-(-0.16eV)=2.02eV ,错 误。

3热催化合成氨面临的两难问题是:采用高温增大反应速率的同时会因平衡限制导致NH3 产率降低我国科研 人员研制了Ti-H-Fe 双温区催化剂(Ti-H 区域和Fe 区域的温度差可超过100) Ti-H-Fe 双温区催化合成氨的反 应历程如图所示,其中吸附在催化剂表面上的物种用*标注下列说法正确的是() A为氮氮三键的断裂过程 B在低温区发生,在高温区发生 C为N 原子由Fe 区域向Ti-H 区域的传递过程 D使用Ti-H-Fe 双温区催化剂使合成氨反应转变为吸热反应 【答案】 C 【解析】 A 项,根据图示,为氮分子的吸附在催化剂表面的过程,氮氮三键没有断裂,错误;B 项,在 高温区发生,提高反应速率,在低温区发生,促进平衡正向移动,错误;C 项,根据图示为 ,N 原子由Fe 区域向Ti-H 区域的传递,正确;D 项,反应的焓变只与反应体系的始 态 和终态有关,与催化剂无关,错误 4我国学者结合实验与计算机模拟结果,研究了在金催化剂表面上水煤气变换CO(g)+H2O(g)=CO2(g)+H2(g)的 反应历程,如图所示,其中吸附在金催化剂表面上的物种用? 标注 3 可知水煤气变换的H_0(填 “ 大于 ”“等于 ” 或“ 小于 ” ) ,该历程中最大能垒(活化能)E 正=_eV , 写出该步骤的化学方程式_。

【答案】小于2.02COOH*+H*+H 2O*=COOH*+2H*+OH*(或H2O*=H*+OH* ) 【解析】根据图示,CO(g)和 H2O(g)的能量大于 CO2(g)和 H2(g),所以水煤气变换的 H 小于0;根据图示,正 反应活化能的最大值为1.86-(-0.16)=2.02 eV ;该历程为COOH*+H*+H2O*生成COOH*+2H*+OH*,反应方程 式是 COOH*+H*+H2O*=COOH*+2H*+OH* 5CO2与H2 合成甲醇:CO2(g)+3H2(g)CH3OH(g)+H2O(g) ,最近采用真空封管法制备 磷化硼纳米颗粒,在发展非金属催化剂实现CO2电催化还原制备甲醇方向取得重要进展,该反应历程如图所 示 容易得到的副产物有CO 和CH2O ,其中相对较多的副产物为 _;上述合成甲醇的反应速率较 慢,要使反应速率加快,主要降低下列变化中_( 填字母) 的能量变化 A *CO * OH * CO * H2O B *CO * OCH C *OCH2 * OCH3 D * OCH3 * CH 3OH 【答案】COA 【解析】由图可知生成副产物CH2O 的能量变化大,即能垒高,反应进行难,生成的量少,所以其中相对较多 的副产物为CO;由图可知生成甲醇的过程中,能垒最高的变化为*CO *OH *CO *H2O ,该反应速率 最 慢,所以要想提高整个反应速率,应该降低该反应的能垒,故选A。

62010 年 Sheth 等得出乙炔在Pd 表面选择加氢的反应机理(如图)其中吸附在Pd 表面上的物种用*标注 4 上述吸附反应为_(填 “ 放热 ” 或“ 吸热 ” )反应,该历程中最大能垒(活化能)为_kJ mol -1,该 步骤的化学方程式为_ 【答案】放热+85C2H3*H*C2H4* 【解析】由图可知,吸附时能量降低,解吸时能量升高,如C2H4* C2H4 H 82kJ mol 1,基元反应中, C2H3*H*C2H4*的活化能最大,为85kJ mol 1 1 1关于下列转化过程分析不正确的是() AFe3O4 中 Fe 元素的化合价为+2、 +3 B过程 中每消耗58 g Fe3O4 转移 1 mol 电子 C过程 的化学方程式为3FeO+H2OFe3O4+H2 D该过程总反应为2H2O=O2 +2H2 【答案】 B 【解析】 A Fe3O4 的化学式可以改写为 Fe2O3?FeO ,则Fe3O4 中 Fe 元素的化合价为+2、+3,故A 正确; B过程 :2Fe3O4(s) 6FeO (s)+O2(g)当有2molFe3O4 分解时,生成1mol 氧气,而58 g Fe3O4 的物质的 量为0.25mol,故生成0.125mol 氧气,而氧元素由2 价变为0 价,故转移0.5mol 电子,故B 错误; C过程 中 FeO 与水反应生成四氧化三铁和氢气,反应化学方程式为3FeO+H2O Fe3O4+H2 ,故C 正确; D过程 :2Fe3O4(s) 6FeO (s) +O2(g)过程II:3FeO(s)+H2O(l) H2(g)+Fe3O4(s) 。

则该过程总 反应为2H2OO2 +2H2 ,故 D 正确 2科学工作者研发了一种SUNCAT 的系统,借助锂循环可持续合成氨,其原理如下图所示下列说法不正确的 是() A过程I 得到的Li3N 中 N 元素为 3 价 B过程 生成W 的反应为Li3N+3H2O=3LiOH+NH3 C过程 中能量的转化形式为化学能转化为电能 D过程 涉及的反应为4OH 4eO 2 +2H2O 【答案】 C 【解析】 A.Li3N 中锂元素的化合价为 +1 价,根据化合物中各元素的代数和为0 可知, N 元素的化合价为-3 价, A 项正确; B.由原理图可知,Li3N 与水反应生成氨气和W,元素的化合价都无变化,W 为 LiOH ,反应方程式: Li2N+3H2O 3LiOH+NH 3 ,B 项正确; C.由原理图可知,过程为电解氢氧化锂生成锂单质、氧气和水,电能转化为化学能,C 项错误; D.过程 电解LiOH 产生O2,阳极反应为4OH 4eO 2 +2H2O,D 项正确 2 3在酸性条件下,黄铁矿( FeS2)催化氧化的反应方程式为2FeS2+7O2+2H2O=2Fe2+4SO42-+4H +,实现该反应的 物质间转化如图所示。

下列分析错误的是() A反应I 的离子方程式为4Fe(NO) 2+O 2+4H += 4Fe3+4NO+2H 2O B反应的氧化剂是Fe 3+ C反应 是氧化还原反应 D黄铁矿催化氧化中NO 作催化剂 【答案】 C 【解析】 A根据图示,反应I 的反应物为Fe(NO) 2+和 O 2,生成物是Fe3+和 NO,结合总反应方程式,反应的 离子方程式为4Fe(NO) 2+O 2+4H += 4Fe3+4NO+2H 2O,故A 正确; B根据图示,反应的反应物是Fe 3+和 FeS2,生成物是Fe 2+和 SO42-,反应中铁元素的化合价降低,氧化剂是 Fe 3+,故 B 正确; C根据图示,反应 的反应物是Fe 2+和 NO,生成物是 Fe(NO) 2+,没有元素的化合价发生变化,不是氧化还原反应,故 C 错误; D根据 2FeS2+7O2+2H2O=2Fe2+4SO42-+4H +,反应过程中 NO 参与反应,最后还变成NO,NO 作催化剂,故D 正确; 4科研人员借助太阳能,将H2S 转化为可再利用的S 和 H2 的工作原理如图所示下列叙述错误的是() A该电池能实现将光能转化为化学能 Ba 电极的电极反应:2H +2e-=H 2 C光照后, b 电极的电极反应:H2S-2e-=2H +S Da 电极区溶液的pH 不变 【答案】 C 【解析】 A 项,该电池通过光照发生化学反应,形成原电池,将光能转化为化学能,正确; B 项,根据图示,在a 电极上H +获得电子变成氢气, a 电极的电极反应为2H+2e-=H2 ,正确; C 项,根据图示,光照后,b 电极上, Fe 2+失去电子,电极反应为 Fe2+-e-= Fe3+,错误; 3 D 项,电池工作时,a 极区消耗的H +的物质的量与通过离子交换膜进入 a 极区的H+相等,因此a 极区溶液的 pH 不变,正确。

5O2 气氛下乙苯催化脱氢可同时存在以图2 两种途径: a=_ 途径I 的反应历程如图3 所示,下列说法正确的是_ a.CO2 为氧化剂b.状态1 到状态2 形成了O-H 键 c.中间产物只有d.该催化剂可提高乙苯的平衡转化率 【答案】 159.2a、b 【解析】反应过程中能量变化与反应途径无关,只与物质的始态和终态有关,根据图示可知反应热 ?H=117.6kJ/mol+41.6kJ/mol=+159.2kJ/mol a.CO2 与乙苯反应后变为 CO,C 元素化合价降低,C 获得电子,因此CO2 为氧化剂 ,a 正确; b.根据图示可知由状态1 到状态2 形成了O-H 键, b 正确; c.由反应历程可知中间产物除了(),还有,c 错误; d.催化剂对化学平衡移动无影响,因此不能改变乙苯的转化率,d 错误 6. 将 H2S 和空气的混合气体通入FeCl3 、FeCl2 、CuCl2 的混合溶液中反应回收S,其物质转化如下图所示 在图示的转化中,化合价不变的元素是_ 4 在温度一定和不补加 溶液的条件下,缓慢通入混合气体,并充分搅拌欲使生成的硫单质中不含CuS, 可采取的措施有_ 【答案】 Cu、Cl、H 增加氧气的通入量或增加起始时c(Fe3+) 7用H2 制备H2O2 的一种工艺简单、能耗低的方法,反应原理如下图所示。

总反应的化学方程式为 _ 【答案】 H2+O2 H2O2 8光催化降解过程中形成的羟基自由基( OH )和超氧离子(O2-)具有光催化能力,催化原理如图 2 所示请 写出NO3-转化为无毒物质的电极反应式:_ 5 【答案】(1)2NO3-+12H +6e-=N 2 +6H2O 【解析】 (1)从图中可以看出,NO3 -在 H+存在的环境中得电子,生成 N2 等,电极反应式为 2NO3-+12H +6e-=N 2 +6H2O 答案为: 2NO3-+12H +6e-=N 2 +6H2O; 9砷元素有 +2、+3 两种常见价态一定条件下,雌黄和雄黄的转化关系如图所示 中,若1mol As4S4 反应转移 28mole-,则反应 的化学方程式是 _ 【答案】 As2S3As4S4+7O22As2O3+4SO2 【解析】 (1)中 Sn 的化合价升高,As 的化合价降低,所以As2S3 在反。

下载提示
相似文档
正为您匹配相似的精品文档